倍压加速器

直流高压加速器的一种,采用倍压整流电路产生的直流高电压加速带电粒子。倍压加速器同其他直流高压加速器一样,都是由高压发生器、粒子源、加速和聚焦系统、真空系统、分析器、靶室以及控制系统等部分组成。

在加速管一端的高压电极内部,装有粒子源(离子源或电子源),能够产生所需要的带电粒子束。当直流高压加到高压电极和加速管中的各个加速电极上时,各电极之间就产生了加速电场。从粒子源中引出的带电粒子,在加速电场的作用下,由高电压端向加速管的另一端(处于地电势)加速,获得能量E=QV(Q是粒子的电荷数,V是加速管两端的电势差),最后轰击到靶上。

为了减少粒子在加速过程中同气体分子碰撞而造成的束流分散和损失,加速管内的真空度约为1×10-5Torr(毫米汞柱)。

倍压加速器按高压发生器的不同,可分为高压倍加器、高频高压倍加器等几种。

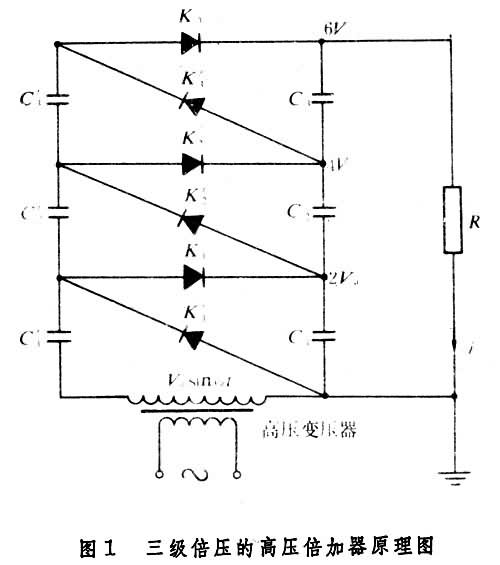
高压倍加器

它采用串激式倍压电路产生直流高电压(图1)。

图1

高压变压器通过整流元件K1K3K姈~K婭和辅助电容器C姈~C婭,使主电容器C1C3不断地被充电。空载时,主电容器上的电压都将达到2Va,于是在主电容器柱上便得到了6Va的总的空载直流电压。其中 Va是高压变压器次级电压的幅值。对于倍加级数为N 的串激倍加电路,其空载极限直流输出高压等于2NVa

当高压倍加器运行时,输出的直流高压中会产生电压降落和电压脉动。由于它们随着N 的增大而迅速增大,所以在实际工作中,要根据具体的技术和经济条件,选择适宜的电容器级数和供电频率。后来又出现了对称倍加电路和三相倍加电路等。

采用较高的供电频率(从几百赫到几百千赫),或提高倍加级数(从几级到几十级),可以使高压倍加器达到小型化,使高压发生器甚至整个高压倍加器都可以装进一个充以绝缘气体的钢筒中。

高频高压倍加器

又称“地那米”加速器(dynami-tron),它采用并激式倍压电路(图2)。

图2

分压环是互相绝缘的两个半环,不但进行分压,而且同高频电极组成耦合电容来耦合高频电压。两个高频电极连在100~300千赫的高频振荡器上。在高频电压作用下,电子从一侧的半圆分压环向另一侧的半圆分压环运动。在图2中整流器的连接的情况下,电子将被逐级输送到高压电极,而获得负高电压。如果将所有整流器反接,就可以获得正高电压。高频高压倍加器安放在密封钢筒内,里面充以高压绝缘气体。

高频高压倍加器输出功率大,可加速较强(10毫安量级)的电子流,然而储能并不多,不需要用大的储能电容器,故在击穿时不会造成严重损坏。但它需要采用高频供电和高频的整流元件,在技术上比较复杂。

倍压加速器的工作电压大约在几十千伏到几兆伏,而粒子流强度大约在几百微安到几百毫安的范围内可以加速电子、轻离子和重离子。由于倍压加速器的输出粒子流强度高,结构比较简单,运行比较可靠,造价低和建造快,因而得到了广泛的应用。

参考书目
  1. 徐建铭编著:《加速器原理》,修订版,科学出版社,北京,1981。