[拼音]:dianhuaxue fenli fangfa
[外文]:electrochemical separation methods
利用电化学手段分离溶液中的金属离子、有机分子的方法,共分四类:
控制电位的电解分离法当溶液中存在两种或两种以上的金属离子时,如果它们的还原电位相近,例如Cu2+(标准电极电位E°=+0.345伏)和Bi3+(E°=+0.2伏),则在电解时都会还原析出,达不到分离的目的。图1表示,
如果控制阴极电位为b,则金属离子A可产生强度为d的电流,即可被还原;而金属离子B的电流强度极小,即几乎不能被还原,这样即可达到分离目的,并分别测定A和B。
在电解过程中, 阴极电位Ec是在不断变化的:
Ec=
式中E°为标准电极电位;R为气体常数;T为热力学温度;n为电极过程电子转移数;F为法拉第常数;a为离子活度;ec为阴极超电压。电解时,离子浓度不断降低,Ec的负值不断增加,以致B也被电解出来。
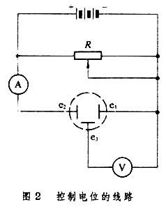
为了控制阴极电位,要用图2
的线路随时调整外加电压。图中e1是铂网阴极,e2是铂丝对电极,e3是参比电极(饱和甘汞电极)。选定的e1的电位(相对于e3)可从电位计V读出,电解电流从毫安计 A读出,在电解过程中不断调整电阻R 以保持阴极电位不变。
至于选择什么电位要看实验条件,例如在分别测定Cu2+和Bi3+时,由于两者电位太相近,需要在溶液中加入酒石酸,调节pH=5.8~6.0,Bi3+与酒石酸生成的络合物比Cu2+ 的稳定得多,使两者的分解电压相差得大一些,然后再加入适量的肼,以加速Cu2+的还原。在这种条件下,控制阴极电位为-0.30伏,铜先电解出来,称出阴极的增重后,调节pH为4.5~5.5,控制阴极电位为-0.40伏,可将铋全部电解出来。如果溶液中还有Pb2+,可将电位控制在-0.50伏,进行电解。应用此法时,后被电解的离子的浓度不能超过先被电解的离子的浓度。
汞阴极电解分离法H+在汞阴极上被还原时,有很大的超电压,所以在酸性溶液中可以分离掉一些容易被还原的金属离子,使一些重金属(如铜、铅、镉、锌)沉积在汞阴极上,形成汞齐,同时保留少量不容易被还原的离子,如碱金属、碱土金属、铝、铁、镍、铬、钛、钒、钨、硅等。
利用图3
的装置可以进行电解分离,弃去汞阴极中的重金属,溶液中的离子可用其他方法测定。如果要测定残留在汞中的微量金属,可将汞蒸去,再用其他方法测定金属。但本法主要用于分离金属离子。
内电解分离法在酸性溶液中,利用金属氧化-还原电位的不同,可以组成一个内电解池,即不需要外加电压就可以进行电解。例如要从大量铅中分离微量铜,在硫酸溶液中Cu2+比Pb2+先还原,因此可将铅板作为一个电极,与铂电极相连,组成一个内电解池,它产生一个自发的电动势,来源于Pb的氧化和Cu2+的还原。这个电动势使反应能够进行,直到电流趋近于零时,内电解池就不再作用了。内电解可以分离出微量的容易还原的金属离子,缺点是电解进行缓慢,因此应用不广。
电渗析法液体中的离子或荷电质点能在电场的影响下迁移。由于离子的性质不同,迁移的速率也不同,正负电荷移动的方向也不同。当在电池的两极加上一个直流电压时,可以把一些有机物的混合物分离。如临床实验中常用此法研究蛋白质,将试样放在一个载器上,外加电场后,荷电质点沿着载器向电荷相反的电极迁移,因它们移动的速率不同而分离,一般能把血清蛋白分成五部分。改进实验技术可使浓缩斑点的宽度达到25微米左右,然后进行电渗析,可将血清蛋白分成二十个很清晰的部分。