引伸计

测量构件及其他物体两点之间线变形的一种仪器,通常由传感器放大器和记录器三部分组成。传感器直接和被测构件接触。构件上被测的两点之间的距离l为标距,标距的变化Δl(伸长或缩短)为线变形。构件变形,传感器随着变形,并把这种变形转换为机械、光、电、声等信息,放大器将传感器输出的微小信号放大。记录器(或读数器)将放大后的信号直接显示或自动记录下来。

引伸计的种类很多,大致可分为机械式引伸计、光学引伸计和电磁式引伸计等。这些引伸计的灵敏度一般可达1微米。下面为几种有代表性的引伸计。

表式引伸计

标距范围内的变形,可通过千分表顶杆传至表内的齿轮放大系统进行放大,然后由表盘上的指针读出(图1),其灵敏度取决于千分表的灵敏度。

杠杆式引伸计

这种引伸计利用复合杠杆放大,放大倍数约为1000。它的标距可以选取。这种引伸计可以固定在构件上以测量构件变形。它有较高的灵敏度和适应性(图2)。

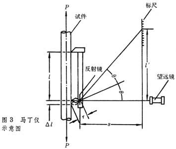
图1 图2 图3 马丁仪

根据光学杠杆原理将变形放大。当构件变形时,可动接触点发生移动,使安装在可动棱口的反射镜转动(图3)。此时,可从仪器中的望远镜读取标尺上的数据。其放大倍数公式 符号。一般情况下变形很小,使θ也很小,故可将放大倍数写成公式 符号。改变反射镜到标尺的距离,可以改变放大倍数。改装这种仪器的支架后,也可用它测量构件表面的转角。当变形较大时,变形和支承的旋转角就不成正比。这是此仪器的缺点。

电阻式引伸计

一种电阻应变计式传感器,它的应用很广。

电容式引伸计

将物体长度的变化转换为电容的变化,再将测得的电容变化量换算成物体的应变。由于它在高频时基本上没有滞后现象,故可用于动态载荷的测试,如冲击力的测定等(图4)。

电感式引伸计

由于构件变形使铁心运动,致使线圈电感发生变化。因此在输出线圈中产生了电压。放大并测出这个电压,即可换算出构件的位移及运动的规律。它不如电阻式引伸计轻便,但由于其在长时间测定时稳定性能较好,故适用于常设的测量装置(图5)。

图4 图5