[拼音]:mili zuzhi
[外文]:granulation
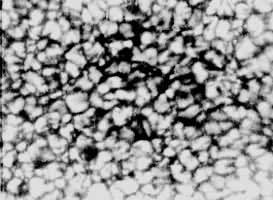
太阳光球层中气体的对流引起的一种日面结构,在高分辨率的太阳白光照片上呈现为米粒状的明亮斑点,嵌在较暗的条纹中,因而称米粒组织。它们在太阳光球层上的实际直径往往达700~1,400公里,而将米粒隔开的暗条纹的实际宽度约为 290公里。在高分辨率的白光照片上,有些地方还有一些比米粒组织大的暗区,它们比无半影(见黑子的本影和半影)的小黑子要亮,而寿命则较短,这是暂时尚未出现米粒的小区域。米粒组织的光谱表明,各个米粒有局部的多普勒频移(见谱线位移)。由此可测出米粒的中心有每秒 0.4公里的上升速度,并有每秒0.25公里的水平外流速度。光球实际是沸腾的太阳对流层的顶部,升到光球面上的对流元将多余的热量通过辐射散布到米粒上空,因此而变冷的气体就散开并沿米粒的外边缘向下流回对流层。米粒的中心温度比边缘至少高100度。个别米粒的寿命可达15分钟,用统计方法测出的平均寿命约为 8分钟。米粒的亮度随高度而变化,各个米粒的亮度也不相同。常常可以看见一种寿命约为 10分钟的特别亮的爆发米粒,以每秒1.5~2.0公里的速度膨胀成环状,然后破裂。