[拼音]:zhiliu jingzhi kaiguan
[外文]:solid state D.C.switch
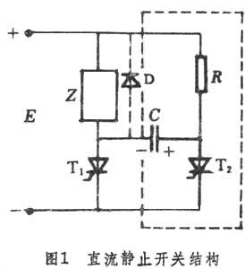
控制直流功率通断用的晶闸管开关电路。其结构如图1所示。直流负载Z与主晶闸管T1串联构成直流负载电路。当T1导通时,负载Z得直流电压E。同时电源E经R及T1对电容C充电,其极性如图1所示。当辅助晶闸管T2触发导通时,电容 C上电压迫使T1关断,即断开直流负载电流,同时电容经Z、T2管反向充电,为在接通主电路(导通T1)时关断T2作准备。直流负载如为感性,则应加接二极管D。图2为几种实用的直流静止开关电路。其中图a可用作直流单刀双掷开关。在T1导通时,负载Z1供电,Z2断电;T2导通时,负载Z1断电而Z2供电。图b可作为交替触发的直流单刀双掷开关。接通电源时,负载Z1因T1导通而供电;当有触发脉冲输入时,T2导通而T1关断,此时Z2供电,Z1断电;再当下一触发脉冲输入时,T1又导通,T2再关断。以后,每当输入一个触发脉冲,T1T2则轮流交替工作。图c为整流式直流开关。K合上则负载Z得脉动直流电源;K断开时,供电中断。图d为直流电动机可逆直流开关。当K在1位时,电动机得半波脉动直流电而正转;K在2位时,电动机反转。
直流静止开关较有触点开关具有寿命长、工作可靠、无噪声、速度快、无弹跳现象等优点。特别适合高速操作和动作频繁的场合。缺点是电流断开后,负载与电源间不能实现完全电隔离;过载能力较低。图c、d的控制触发电路中出现了有触点开关,但因电路通断仍是无触点的,故仍属于直流静止开关。