[拼音]:bengfeng fengrenji
[外文]:interlock stitch sewing machine
利用针、梭两种缝线使梭线在缝料底面形成单面覆盖链式线迹,或在缝料正面再增加覆盖线形成双面覆盖链式线迹,将两层或多层缝料缝合的工业用缝纫机。其正面的覆盖线主要起美观装饰作用。绷缝缝纫机因缝制的覆盖链式线迹具有较大的弹性,可随着服装穿着时伸张、穿好后复原,因此适用于缝制贴身穿着的针织服装,如汗衫、内裤、棉毛衫裤、运动衣裤、乳罩、裤袜等。也常用于某些编织服装如牛仔裤等的缝制。
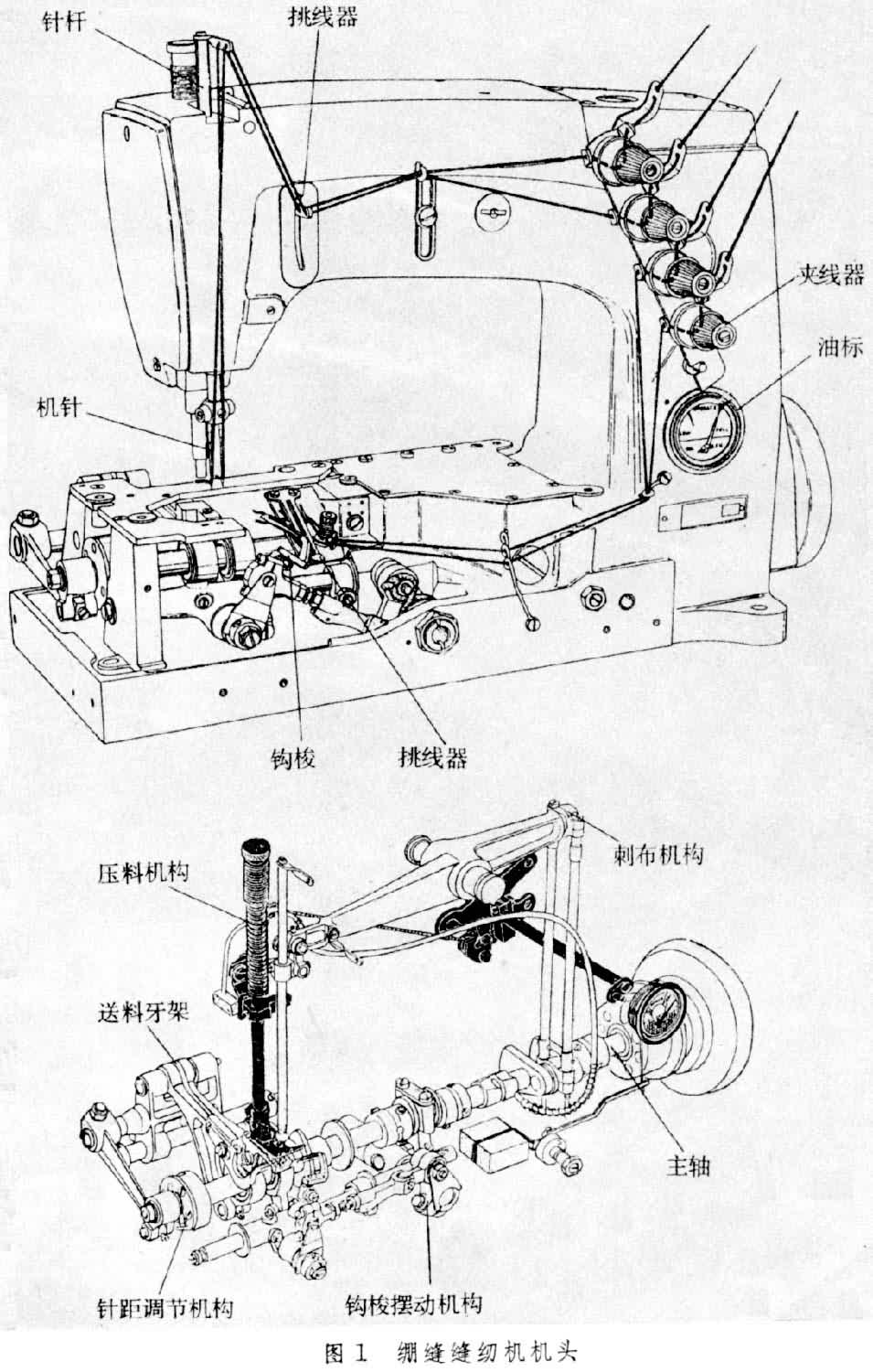
结构和工作原理绷缝缝纫机由机头、台板和机架组成。550W的离合式电动机装在台板底面,其传动轮和机头的手轮用三角胶带联接,踩下机架上的踏板使电机的离合器合拢带动机头运转。操纵踏板控制离合器的合紧程度,即可获得不同的缝纫速度。
典型的绷缝缝纫机机头结构如图1。机头的刺布、挑线、钩线、绷覆盖线机构共同协调动作完成覆盖链式线迹;由针距调节、差动或无差动送料机构实现设定针距的、连续的线缝,适应有弹性的缝料。有些绷缝机由于要缝制特种工件,因此还必须配置如缝松紧带的差动滚轮进给机构和压料辊子。
各类绷缝缝纫机完成的基本线迹主要有:三线或四线单面覆盖链式线迹,四线或五线双面覆盖链式线迹。
三线或四线单面覆盖链式线迹的形成过程是:2根或3根机针在缝料上穿孔,将针线引过缝料;这时在缝料下面带有梭线的钩梭穿入全部针线的线环中,机针上升后针线套在钩梭上(也即套在梭线上);然后送料机构将缝料向前移送一定距离,机针第二次带着针线穿过缝料并套进钩梭上的梭线线环中;钩梭后退后将梭线套在机针上(也即套在针线上)并迅即又向前运动,再次带着梭线穿入针线的线环中;机针上升后针线又一次套在钩梭上,送料机构又将缝料向前移送一定距离,同时针杆挑线将针线、凸轮挑线将梭线收紧,完成一个单面覆盖链式线迹。这样重复循环运动,形成线缝。
类型绷缝缝纫机可按用途分为滚领绷缝缝纫机、缝松紧带绷缝缝纫机、缝裤带环绷缝缝纫机等。还可按机体形式分为平台式绷缝缝纫机、悬筒式绷缝缝纫机、肘形筒式绷缝缝纫机等。其中,滚领绷缝缝纫机、缝松紧带绷缝缝纫机和悬筒式绷缝缝纫机最为常用。
(1)滚领绷缝缝纫机:每分钟可缝制4000~7000个线迹。机体通常为平台式,采用油泵自动润滑。常用的有双针单面覆盖、双针双面覆盖等多种规格。图2为其应用实例。
(2)缝松紧带绷缝缝纫机:每分钟约缝制5000个线迹。机体为平台式,采用油泵自动润滑,还装有差动滚轮进给机构和可调节压辊。图3为其应用实例。
(3)悬筒式绷缝缝纫机:机座为圆筒形。每分钟可缝制3000~4200个覆盖链式线迹。由于其圆筒机座直径较小,特别适合于针织物狭小部位如袖口、裤腿等的缝合和表面装饰。图4为其应用实例。