系统优化

对于系统结构已知的化工系统进行优化,即确定其最优操作参数。它是化工系统工程的核心内容。化工过程通常由若干单元组成,这些系统按单元间结合的方式可分为串联(多级)系统和复杂系统。在串联系统中,前一个单元的输出是后一个单元的输入。串联系统的例子有多级萃取过程以及级间冷却的多级绝热固定床反应器的操作过程等。所有其他非串联系统,都称为复杂系统。例如为了充分利用某种未全部转化的物料,往往有循环回路;同时由于工艺上的需要,在化工流程中还往往会出现支路及并联回路等,这些都是复杂系统。

到目前为止,运用现代控制理论,借助动态规划及离散最小值原理,串联系统的优化问题已经能够解决。但是对于复杂系统来说,虽然理论上可将任意复杂系统作为一个整体进行优化,但事实上由于决策变量(如控制变量或设计变量)的数目庞大,再加上各个单元之间有着比较复杂的联结关系,复杂系统的优化问题还较难解决,然而这也恰恰是实践上有待解决的迫切问题。

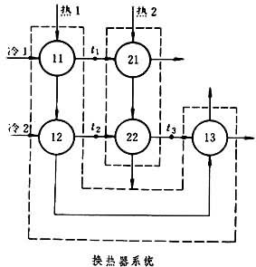
近十年来,随着大系统理论的发展,应用二等级分解法处理复杂化工系统的优化问题受到了人们的重视。所谓二等级分解法,就是先把一个复杂系统分解为若干规模较小的子系统,第一等级处理各个子系统的局部最优化问题;第二等级为协调中心,它调整某些可调变量(协调变量),在各个子系统之间进行协调,使它们的局部最优解逐次逼近整个系统的最优解。大系统的分解必须遵循下述原则:即对于第k个子系统而言,若它与其余的子系统互相联系的各变量分别固定在规定数值上,则第k个子系统可单独进行优化处理,称为分解原理。例如现有一个业已排列好的换热器系统(见图),

图

为使该系统在给定负荷条件下所需总传热面积为最小,需要进行最优设计计算。此时整个系统可按两个热流体的走向划分成如图所示的两个子系统,协调变量为t1t2t3,然后根据前述步骤可实现该系统的优化设计。设z为各个子系统之间的联结向量(协调向量),ui为第i个子系统的决策向量。当取z为有限值时,各个子系统的局部最优解ui就可表示成z的函数ui(z),然后将这个信息送至所谓的协调中心,在那里判断它是否满足整体最优解的条件。如果不满足,就在协调中心进行调整,再把修正后的z值送回到各个子系统。如此往返,逐次调整,直至趋于系统的最优解。

参考书目
  1. 高松武一郎等著,张能力、沈静珠译:《化工过程系统工程》,化学工业出版社,北京,1981。(高松武一郎など著:《ブロャスシステム》,日刊工業新聞社,東京,1972。)

参考文章