[拼音]:banjin chengxing
[外文]:sheet metal forming
对薄板、薄壁型材和薄壁管材等金属毛料施以外力,使之发生塑性变形或剪断,从而成为具有预期形状和性能的零件加工方法。
飞行器钣金零件的特点是尺寸大、刚度小、外形复杂。生产的特点是品种多、批量小、成形方法多样化。
钣金零件种类飞行器钣金零件可分为三类。
(1)具有气动力外形的零件:包括飞机机身、机翼、尾翼和进气道的蒙皮,导弹弹身、舵面的蒙皮,火箭发动机的燃烧室和喷管等。
(2)骨架零件:包括纵向、横向和斜向构件,如梁、桁条、隔框、翼肋等。
(3)内装零件:包括燃料、操纵、通信等系统以及生活服务设施中的各种钣金件,如油箱、各种导管、支架、座椅等。
对飞行器钣金零件的基本要求是:具有气动力外形的零件有准确、光滑、流线的曲面形状;骨架零件能以最小的自重保有最高的结构效率;所有钣金零件在规定的使用和贮存期限内具有要求的强度、刚度以及抗疲劳、抗腐蚀和耐热等物理化学性能。飞行器钣金零件不但形状复杂,而且需要使用多种比强度高和耐热、抗腐蚀材料。在各种材料中,用量最大的是硬铝、超硬铝和防锈铝合金。铬-镍-钛不锈钢在火箭发动机中用量很大。钛合金不但比强度高,而且耐热、抗腐蚀性能好,在飞行器钣金零件用料中所占的比例在不断增加,主要用于制造蒙皮、隔框和气瓶等零件。
主要工艺方法飞行器钣金零件除采用机械制造中通用的各种冷冲压方法之外,还采取一些独特的成形方法。
(1)橡皮液压成形:向装于容框中的橡皮胎内充高压液体,使之膨胀,从而推动毛料按照模胎的形状形成零件。这样形成的零件准确度高,表面无压痕。橡皮胎是一种通用的柔性凹模,所以在工作台上可以安放多个不同形状的模胎。液压机在一次循环中就能压出多个零件,因而效率高,成本低。这种方法主要用于成形翼肋、隔框等浅弯边零件,所用设备为橡皮囊液压机。
(2)拉弯成形:先将型材毛料沿长度方向拉伸至屈服极限,然后保持拉力并使毛料按拉弯模的型面弯曲成形。预先的拉伸可以有效地改变弯曲时毛料内部的应力分布,从而提高零件的成形准确度。所用设备为转臂式拉弯机和转台式拉弯机。转臂式拉弯机用于成形单向弯曲件,如弯曲角不大于 180°的隔框、桁条等。转台式拉弯机不但可以成形单向弯曲件,而且可以成形双向弯曲件和弯曲角为360°的环形框。
(3)喷丸成形:利用压缩空气(或高速叶轮)使直径为0.3~2.5毫米的许多钢丸从喷嘴喷出。高速弹流打击毛料的一侧表面,使表面层金属因受挤而面积加大,产生压应力,使毛料向未受弹丸打击的一面弯曲,成为曲面形状。喷丸成形是大型整体壁板的主要成形方法。这种方法能提高零件的疲劳强度,使用的设备和工艺装备比较简单。
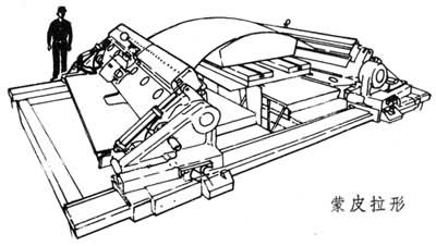
(4)拉形:成形前先用夹钳夹持毛料的纵向端头(横拉)或横向端头(纵拉),然后成形模顶升,与夹钳协调运动进行拉形,使毛料产生弯曲和非均匀的拉伸而逐渐与成形模贴合。这种方法主要用于生产飞机机身和机翼蒙皮、 火箭壁板、贮箱的拼焊箱底等大尺寸零件(见图)。
(5)变薄旋压:将毛坯用尾顶块压在心模上,然后使心模带动毛坯旋转,同时使旋压轮沿零件外形母线作进给运动,使毛坯逐点变薄并贴靠于心模上。变薄旋压可改善材料的机械性能,主要用于制造火箭的头锥、贮箱整体箱底、喷管和飞机的头部整流罩、发动机锥筒等。
(6)落压成形:利用重量很大的锤头和上模从高处下落时产生的冲击力成形。模具简单,一般要经过多次落压,中间用手工修整。落压成形可用构造简单、便于加工的铅-锌模成形复杂形状零件(如飞机舱门、整流包皮和发动机排气管等),能缩短生产准备周期。
(7)爆炸成形:把烈性炸药爆炸时产生的部分能量通过水或砂等介质传递到板料上,使之高速贴模成形。爆炸成形所用的设备简单,成形零件的精度较高,但生产率低,模具寿命短,主要用于钣金件的胀形、校形和用于尺寸超过一般机床规格的大型零件的成形。
(8)超塑性成形:超塑性是某些金属材料在一定的温度和变形速率条件下呈现出来的一种状态,单向拉伸时,均匀延伸率可达200%~1000%以上。因此,用一道工序就能成形出形状非常复杂的零件,如钛合金气瓶、发动机防热板等。