自动增益控制

使放大电路的增益自动地随信号强度而调整的控制方法,实现这种功能的电路简称AGC环路。它广泛用于各种接收机、录音机和测量仪器中,它常被用来使系统的输出电平保持在一定范围之内,因而也称为自动电平控制;用于话音放大器或收音机时,称为自动音量控制。

AGC环路的性能用输入-输出振幅特性和增益控制特性来表示(图1)。若输入信号振幅 UiU公式 符号U公式 符号之间变化时,输出信号振幅U0的变化范围为U公式 符号U公式 符号DiU公式 符号/U公式 符号 是输入信号的动态范围,D0U公式 符号/U公式 符号是输出电平的容许变化范围,比值R=Di/D0称为AGC电路的增益控制倍数。输入信号的动态范围Di通常为几十分贝,输出电平的容许变化范围D0决定于放大器的用途和要求,一般为零点几至几分贝。

图

工作原理

AGC电路是闭环电子电路,它可以分成增益受控放大电路和控制电压形成电路两部分(图2)。增益受控放大电路位于正向放大通路,其增益随控制电压Uc而改变。控制电压形成电路的基本部件是AGC检波器和低通平滑滤波器,有时也包含门电路和直流放大器等部件。

图

放大电路的输出电压U0经检波并经滤波器滤除低频调制分量和噪声后,产生用以控制增益受控放大器的电压Uc。当输入信号Ui增大时,U0Uc亦随之增大。Uc增大使放大电路的增益下降,从而使输出信号幅度U0的变化量大大小于输入信号幅度 Ui的变化量,达到自动增益控制目的。

放大电路增益的控制方法通常有:

(1)改变晶体管的直流工作状态,以改变晶体管的电流放大系数 β

(2)在放大器各级间插入电控衰减器;

(3)用电控可变电阻作放大器的负载等。

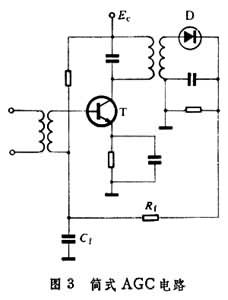
简式AGC

产生AGC控制电压的方法很多。用途和要求各异,AGC环路的构成也不相同。图3是广播收音机中常用的简式AGC电路。T是受控的中频放大管,它输出中频调幅信号经二极管D检波器检波和低通滤波电路RfCf平滑后,产生控制电压Uc,用以控制放大管T的直流工作点,从而实现自动增益控制的目的。为了提高AGC环路的控制能力,可以将Uc同时加到收音机的各级中频放大器和高频放大器。控制电压Uc的大小随中频输出电压的平均值而变化,因而又称平均值型自动增益控制。有的接收机(例如电视机)对中频输出电压进行峰值检波产生所需的控制电压,称为峰值型AGC电路。简式AGC电路的特点是电路简单,缺点是不论输入信号高低环路都起作用,这对接受微弱信号不利。

图

延迟-放大式AGC

它的原理框图如图4。这种电路只有当接收机中频放大器的输出大得足以使检波后的控制电压Uc超过规定的偏置电压Ed时,AGC环路才起作用。因此,当U0较小时,接收机的增益不受控制而处于最高增益状态,这对接收微弱信号是有利的。Ed称为延迟电压。在AGC二极管上加一个反向偏置电压Ed,就可以实现延迟控制的作用。

图

为了提高AGC环路的控制性能,可在低通滤波器后加接直流放大器,此时较小的墹U0也能产生足够大的墹Uc,从而使受控放大电路的增益发生足够的变化来适应输入信号强度的变化。直流放大器的放大倍数越大,在同样的墹Ui下输出电压的变化墹U0就越小。但放大倍数不宜太大,否则AGC环路可能不稳定。这种延迟-放大式AGC环路广泛用于各种通信接收机。

AGC电路还有若干其他的型式。例如雷达接收机往往只要求利用所需要的目标回波信号来控制放大电路的增益。为此可采用门电路选出有关目标的回波,再由检波器和相应的平滑电路产生控制电压。这种方式称为选通型自动增益控制。有些雷达接收机还采用所谓时间增益控制的电路 (STC)。采用这种电路的接收机在发射雷达脉冲之后,其增益随时间的增加而自动增加,因而不论目标远近输出信号都能基本上保持稳定。