[拼音]:boceng dianzu celiang jishu
[外文]:sheet resistance measurement
薄层电阻是指一块正方形薄层沿其对边平面方向的电阻,单位为Ω/□(图1)。若正方形薄层的边长为l,厚度为xj,截面积为A,平均电阻率为
,薄层电阻Rs为
由上式可知,薄层电阻只与薄层材料的平均电阻率及其厚度有关,与方块的边长无关。
经常通过外延生长、杂质扩散工艺或离子注入掺杂工艺在单晶衬底上形成一层异型薄层(如在N型衬底上形成P型层或在P型衬底上形成N型层),或通过真空蒸发工艺、溅射工艺在绝缘材料上覆盖一层金属薄膜。这些结构的薄层电阻值在半导体器件和集成电路生产中都是需要受到精确控制的重要工艺参数。半导体薄层电阻的大小取决于薄层中掺入杂质的情况。当杂质分布形式确定后,通过测量薄层电阻就能推算出表面杂质浓度。
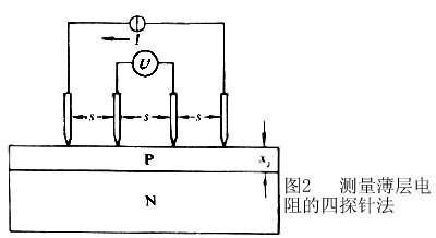
在半导体工艺中,广泛使用四探针法测量薄层电阻(图2)。四个针尖排在一直线上,测量时电流由外侧两根探针流经薄层(因薄层与衬底的掺杂型号相异,电流基本上不通过衬底),并用两根内侧探针测量电压。探针的间距相等,均为s。当薄层厚度xj<<s时,可算出
式中U为电压值(伏);I为电流值(安;)C为修正系数,当样品的尺寸远大于s时,C =4.532。
在硅平面工艺中,往往通过一些专门设计的测试图形来检测薄层电阻。这些图形形成在芯片边缘,或者专门的测试片上(与其他参数的测试图形一起),它们和集成电路芯片同时经历各项工艺步骤。通过这样一些测试图形测得的薄层电阻,更加准确地反映器件和电路中的实际情况。若在大圆硅片上作成布满测试图形的阵列,还可得到整个圆片上薄层电阻值分布的均匀性。
图3为矩形条的薄层电阻测试图形。有阴影线的方块处为金属化的欧姆接触。电流I由外侧的两处接触通过条状薄层,中间的两处接触用于测量电压U。矩形条的宽度W以及产生电压降U 的一段长度L均可测量。根据薄层电阻的定义,可得
条状测试结构与单块集成电路中的电阻器的情况相似。
正方形范德堡测试结构中(图4),正中是需要测量的正方形薄层。测量时,从任一边的两个欧姆接触点通入电流I,从对边的两个欧姆接触点测量电压U。由于图形的高度对称,若在此局部范围内薄层电阻的平面分布均匀,则薄层电阻值Rs为
通过对换电压和电流测试点,并用测得的数据求出平均值就能消除因图形不对称所引起的误差。