家用缝纫机

适于家庭缝制薄料和中等厚度衣料的缝纫机。一般采用人力驱动(脚踏、手摇传动),也有用电动机驱动。

家用缝纫机的品种规格繁多。按形成的线迹可分为直线迹缝纫机和曲折线迹缝纫机两类。

直线迹缝纫机

采用针、梭两根缝线形成锁式线迹的缝纫机。可将两层或两层以上缝料缝合,或在一层缝料上缝缀装饰线迹。是家用缝纫机中最普及的基础机种。

直线迹缝纫机缝制的连续线迹,正面和反面形状相同,如同一条虚线。线迹的分布密实,缝纫的牢度一般超过手工缝纫。适于缝纫棉、麻、丝、毛、化纤无弹性交织物或皮革等缝料的服饰、家庭用品等。缝纫的厚度可以从两层丝绸到 5mm厚的自由状呢绒。装上专用附件后,可作刺绣、卷边、绲边、打裥、嵌线、锁纽孔等缝纫。

直线迹缝纫机由机头、机架和台板 3部分构成。机头是缝纫机的主要部分(图1)。由刺料、勾线、挑线、送料 4个机构和绕线辅助机构等组成。各机构的运动合理地配合,循环工作,形成线迹。

(1)刺料机构:由曲柄滑块机构组成。曲柄由主轴带动。装有机针的针杆与小连杆连接。主轴旋转一周,针杆便上下运动一次,使机针完成刺料和引带缝线的动作。

(2)勾线机构:分摆梭式、穿梭式和旋梭式3种。摆梭式勾线机构由曲柄摇杆机构和摆动导杆机构两者复合而成。主轴(曲拐)与大连杆连接,是这个机构的输入杆件。摆梭托与摆动导杆机构的摇杆(下轴曲柄)连接,是这个机构的输出杆件。勾线机构的最终执行构件为摆梭,摆梭与摆梭托之间有一定的间隙。在每一运动周期中,摆梭托推动摆梭旋转摆动206°~210°角,起勾线、分线、脱线、出线、供应梭线等作用。

(3)挑线机构:有连杆式、凸轮式等。连杆式挑线机构由四连杆机构组成。曲柄(挑线偏心轮)与主轴联接,由主轴带动,是这个机构的输入杆件;与挑线杆为同一刚体的引出杆是挑线机构输出杆件。挑线杆顶端有穿线孔,它的上下运动起收、放缝线的作用。

(4)送料机构:由针距调节机构和抬牙机构复合组成。针距调节机构是一个含有高副(三心半径凸轮)的平面机构,由针距座调节送料凸轮和牙叉的位置。摆杆(送料曲柄)是送料机构的输出杆件,用以带动牙架沿水平方向运动。抬牙机构由两平行机构复合而成。大连杆是这个机构的输入杆件;抬牙曲柄为输出杆件,以带动牙架上的送料牙作垂直方向的运动。整个送料机构以针距调节机构和抗牙机构的输出作为输入,通过刚体送料曲柄和抬牙曲柄传递动作,使送料牙作近似长方形轨迹的平面运动。送料牙在每个运动周期中起向前或向后推送缝料一个针迹距的作用。

图

台板起着支承机头的作用,缝纫操作时当作工作台用。台板有多种式样,有一斗或多斗折藏式、柜式、写字台式等。

机架是缝纫机的支柱,支承着台板和脚踏板。使用时操作者踩动脚踏板,通过曲轴带动皮带轮的旋转,又通过皮带带动机头旋转。

直线迹缝纫机主要有摆梭式和旋梭式两种。

摆梭式缝纫机

是中国大量生产的普及型家用缝纫机。有JA型和JB型。JA型采用凸轮挑线、摆梭勾线机构;JB型采用连杆挑线、摆梭勾线机构。摆梭式缝纫机每分钟最高可缝制1000个线迹左右,而一般的缝纫速度为每分钟缝制600~800个线迹。摆梭往返摆动的惯性冲击大,但产生的振动、噪声比长梭式小,零件亦较耐磨。

旋梭式缝纫机

型号为JC型。采用连杆挑线、旋梭勾线机构。旋梭转动平稳,振动、噪声比摆梭式小,零件耐磨,可以提高缝纫速度,但旋梭结构复杂,制造成本高,故普通型的家用缝纫机采用较少。

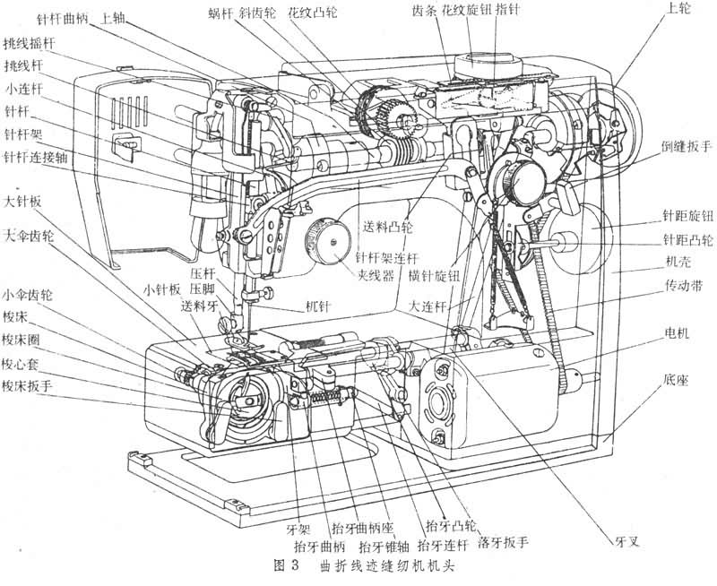
曲折线迹缝纫机

采用一根或两根针线与一根梭线形成直线迹或曲线迹的缝纫机。可将两层或两层以上缝料缝合,或在一层或多层缝料上缝缀装饰线迹,具有多种功能,所以又称多能缝纫机。

曲折线迹缝纫机除具有直线迹缝纫机的全部功能外,尚能缝制装饰曲折线缝、花纹图案线缝、包边缝、拼缝、钉纽扣、锁纽孔等(图2),装上专用附件还可作双针缝、暗缝、嵌线缝等。它不仅适合缝制棉、麻、丝、毛、化纤等无弹性织物的服饰,而且也能缝制有弹性的针织物服饰。

图

曲折线迹缝纫机是在直线迹缝纫机的基础上增设机构形成的(图3)。缝纫曲折线迹时,有花纹发生器控制缝线在水平方向上的轨迹。花纹发生器分机械型和微型计算机型两种。机械型花纹发生器利用花模凸轮的升距,推动针杆系统作横向摆动并控制送料系统。微型计算机型花纹发生器利用预先存储的花纹程序,经过步进电机按选定的花纹程序控制针杆系统和送料系统,缝出各种不同形状的花纹。

图

曲折线迹缝纫机有半多能、全多能、半自动多能、全自动多能和超级自动多能5种。

半多能缝纫机

在完成普通缝纫机功能的基础上,增加花纹发生器(针杆摆动机构)以控制机针左右摆动。通过手动杠杆操作,可缝纫出规则的曲折形装饰线缝、Z字形弹性线缝和包边缝等。

全多能缝纫机

在完成半多能缝纫机功能的基础上,增加了一组针杆左、中、右变位机构,扩大了应用范围。通过手动杠杆操作,可缝纫出以左、中、右为基点的规则曲折形装饰线缝,缝钉纽扣,缝锁纽孔等。

半自动多能缝纫机

在完成半多能缝纫机功能的基础上,增加了一组控制针杆摆动的机构,使机针按要求自动改变横针的宽度,从而自动缝纫出规则的曲折形装饰线缝。

全自动多能缝纫机

在完成全多能缝纫机功能的基础上,分别增加了控制针杆摆动、针杆左中右变位、送料的长度和倒顺向机构。它能自动缝纫出规则的曲折形装饰线缝、图案形装饰线缝和缝锁纽孔等。

超级自动多能缝纫机

在完成全自动多能缝纫机功能的基础上,再增加一组控制缝料横向变化的机构,扩大了横针的宽度,使图案形装饰线缝更加美观。