[拼音]:dianli dianzi qijian de chuanbinglialianjie
[外文]:series and parallel of the power electronic device
电力电子器件串联和并联是为了提高器件的电压和电流容量。单个电力电子器件能承受的正、反向电压是一定的,能通过的电流大小也是一定的。因此由单个电力电子器件组成的电力电子装置容量也受到限制。几个电力电子器件串联或并联联接形成的组件,其耐压和通流的能力可以成倍地提高,这样就大大地增大了电力电子装置的容量。
同型号的电力电子器件串联时,总希望各元件能承受同样的正、反向电压;并联时,则希望各元件能分担同样的电流。但由于电力电子器件特性的个异性(即分散性),即使相同型号规格的电力电子器件,其静态和动态伏安特性亦不相同,所以串、并联时,各器件并不能完全均匀地分担电压和电流。串联时,承受电压最高的电力电子器件最易击穿。一旦击穿损坏,它原来所承担的电压又加到其他器件上,可能造成其他元件的过压损坏。并联时,承受电流最大的电力电子器件最易过流,一旦损坏后,它原来所承担的电流又加到其他元件上,可能造成其他元件的过流损坏。所以,在电力电子器件串并联时,应着重考虑串联时器件之间的均压问题和并联时器件之间的均流问题。
串联均压问题单个电力电子器件的电压值小于电路中实际承受的电压值时,须采用两只或多只器件串联联接。串联使用时,因器件阻断状态下漏电阻不同引起电压分配不均匀,属稳态均压问题;由于器件开通时间和关断时间不一致,引起的电压分配不均匀属动态均压问题。以晶闸管的串联为例(图1),通常采用的均压措施有以下4种。
(1)尽量采用特性一致的元器件进行串联。在安装前,按制造厂提供的测试参数进行选配,有条件时最好用仪器测试多个器件的静态特性和动态特性,然后按特性进行选配。这种均压方法电路简单,但选配过程麻烦,器件更换不方便。
(2)器件并联均压电阻Rj。如果不加Rj,当晶闸管阻断时,每只晶闸管所承担的电压与该晶闸管阻断时正向或反向漏电阻的大小成反比,由于晶闸管特性的个异性,不同晶闸管的漏电阻可能有较大的差别,导致各晶闸管承担的电压大小也有很大不同。并联Rj后,因Rj比晶闸管漏电阻小得多,且每只晶闸管并联的Rj相等,所以各晶闸管承担的电压大小也近似相等。
Rj的阻值一般取晶闸管热态正、反向的漏电阻的1/3至1/5。取得太大,均压效果差,取得太小,则电阻Rj上损耗的功率增加。
考虑到晶闸管串联时,即使加上均压措施,电压分配仍不能完全均匀,串联后所能承受的总电压应为串联晶闸管耐压之和的80~90%。
(3)电力电子器件的驱动电路应保证所有串联的器件同时导通和同时关断,否则将会产生某器件的过压损坏。如图1中,如果T1已导通,而T2 尚未导通, 则原来由T1和T2共同承担的电压全部加到T2上,导致T2的过压损坏;在由导通变为关断时,若T1器件先关断,而T2尚未关断,则应由两个元件承担的反压将全部加在T1上,导致T1的过压损坏。这就要求驱动电路除了保证各串联器件的驱动信号在时间上完全同步外,信号的前沿应陡,幅度应足够大,促使器件尽量同时开通和关断。
(4)采用动态均压电路。由于电力电子器件的动态参数不可能完全一致,即使同样的控制信号加在两个串联的器件上,这两个器件也不可能同时开通和关断,从而造成器件过压,必须采取一定的措施。采用与器件并联的阻容元件R、C(图1)能有效地减少这些过压。其工作原理是利用电容器电压不能突变的性质来减缓电力电子器件上的电压变化速度,实现动态均压。电阻R 用于抑制电路的振荡并限制电容通过器件放电时的电流。器件并联的阻容元件R、C除了有动态均压作用外,在某些情况下还具有过压保护等功能,在电路设计中需统一考虑。
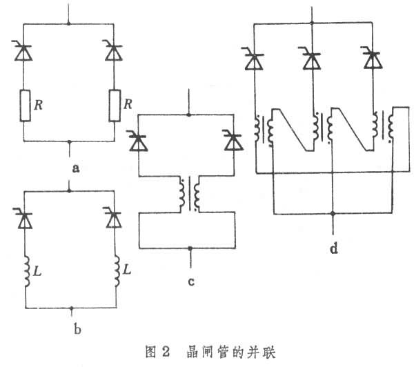
并联均流问题 单个电力电子器件的电流容量不足以承受电路中实际电流时,须并联两只或多只器件。以晶闸管为例,并联方式有多种(图2)。
电力电子器件并联时,由于器件导通状态下各器件的正向压降的差异而引起的电流分配不均匀属于稳态均流问题;由于器件开通时间和关断时间的差异引起的电流分配不均匀属于动态均流问题。功率场效应晶体管由于具有负的电阻温度系数,因而具有自动均流作用,可直接并联使用。功率晶体管以及晶闸管并联使用时,必须采取适当的均流措施。考虑到即使加上均流措施,各器件承担的电流仍有一定的差异,并联后所能承受的总电流应为并联器件额定电流总和的85~90%。通常采用的均流措施有以下5种。
(1)尽量采用特性一致的元器件进行并联。可按照器件制造厂提供的器件参数进行选配,有条件可用仪器测试多个器件的静态特性和动态特性,然后选取特性差异较小的器件并联。这种均流方法电路简单,但选配过程较费时,元器件更换不方便。
(2)安装时尽量使各并联器件具有对称的位置。因电力电子器件一般导通时通态电阻较小,各支路位置不对称引起的各支路阻抗的差异会引起电流分配的不均匀。
(3)器件串联均流电阻(图2a)。利用电阻R上的电流压降达到各支路之间的均流。 这种方法结构简单,稳态均流效果较好,但动态均流效果差,且电阻上功率损耗大,一般只用于小容量电力电子装置。
(4)器件串联电抗器均流(图2b)。用电抗器电压降达到动态均流目的并抑制稳态不均流现象,均流效果较好。
(5)采用均流互感器均流。图2c、d所示分别为2只并联晶闸管和3只并联晶闸管采用均流互感器均流的联接方式。通过电流互感器的作用,使得器件T1增加的电流在互感器中感应出的电压迫使T2、T3的电流也增加,达到均流的目的。这种方式均流效果好,但结构较复杂,多只器件并联时尤其如此。