[拼音]:huganqi
[外文]:instrument transformer
按比例变换电压或电流的设备。分为电压互感器和电流互感器两大类。互感器的功能是:将高电压或大电流按比例变换成标准低电压(100V或100/
V)或标准小电流(5A或1A,均指额定值),以便实现测量仪表、保护设备和自动控制设备的标准化、小型化。此外,互感器还可用于隔离开高电压系统,以保证人身和设备的安全。根据电力系统的需要,互感器又分为独立式和设备套管上配套用两种。
电压互感器
按原理分为电磁感应式和电容分压式两类。电磁感应式多用于 220kV及以下各种电压等级。电容分压式一般用于110kV以上的电力系统,330~765kV超高压电力系统应用较多。电压互感器按用途又分为测量用和保护用两类。对前者的主要技术要求是保证必要的准确度;对后者可能有某些特殊要求,如要求有第三个绕组,铁心中有零序磁通等。
电磁感应式电压互感器其工作原理与变压器相同,基本结构也是铁心和原、副绕组。特点是容量很小且比较恒定,正常运行时接近于空载状态。电压互感器本身的阻抗很小,一旦副边发生短路,电流将急剧增长而烧毁线圈。为此,电压互感器的原边接有熔断器,副边可靠接地,以免原、副边绝缘损毁时,副边出现对地高电位而造成人身和设备事故。测量用电压互感器一般都做成单相双线圈结构,其原边电压为被测电压(如电力系统的线电压),可以单相使用,也可以用两台接成V-V形作三相使用。实验室用的电压互感器往往是原边多抽头的,以适应测量不同电压的需要。供保护接地用电压互感器还带有一个第三线圈,称三线圈电压互感器。三相的第三线圈接成开口三角形(图1),
开口三角形的两引出端与接地保护继电器的电压线圈联接。正常运行时,电力系统的三相电压对称,第三线圈上的三相感应电动势之和为零。一旦发生单相接地时,中性点出现位移,开口三角的端子间就会出现零序电压使继电器动作,从而对电力系统起保护作用。线圈出现零序电压则相应的铁心中就会出现零序磁通。为此,这种三相电压互感器采用旁轭式铁心(10kV及以下时)或采用三台单相电压互感器。对于这种互感器,第三线圈的准确度要求不高,但要求有一定的过励磁特性(即当原边电压增加时,铁心中的磁通密度也增加相应倍数而不会损坏)。
电磁感应式电压互感器的等值电路与变压器的等值电路相同。
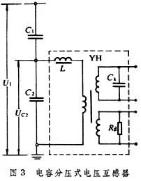
电容分压式电压互感器在电容分压器的基础上制成。其原理接线见图2。
电容C1和C2串联,U1为原边电压,
为C2上的电压。空载时,电容C2上的电压
为
由于C1和C2均为常数,因此
正比于原边电压。但实际上,当负载并联于电容C2两端时,
将大大减小,以致误差增大而无法作电压互感器使用。为了克服这个缺点,在电容C2两端并联一带电抗的电磁式电压互感器YH,组成电容分压式电压互感器(图3)。
电抗可补偿电容器的内阻抗。YH有两个副绕组,第一副绕组可接补偿电容Ck供测量仪表使用;第二副绕组可接阻尼电阻Rd,用以防止谐振引起的过电压。
电容式电压互感器多与电力系统载波通信的耦合电容器合用,以简化系统,降低造价。此时,它还需满足通信运行上的要求。
电流互感器
利用变压器原、副边电流成比例的特点制成。其工作原理、等值电路也与一般变压器相同,只是其原边绕组串联在被测电路中,且匝数很少;副边绕组接电流表、继电器电流线圈等低阻抗负载,近似短路。原边电流(即被测电流)和副边电流取决于被测线路的负载,而与电流互感器的副边负载无关。由于副边接近于短路,所以原、副边电压U1和
都很小,励磁电流I0也很小。
电流互感器运行时,副边不允许开路。因为一旦开路,原边电流均成为励磁电流,使磁通和副边电压大大超过正常值而危及人身和设备安全。因此,电流互感器副边回路中不许接熔断器,也不允许在运行时未经旁路就拆下电流表、继电器等设备。
电流互感器的接线方式按其所接负载的运行要求确定。最常用的接线方式为单相,三相星形和不完全星形(图4a、b、c)。
额定变比和误差
互感器的额定变比KN指电压互感器的额定电压比和电流互感器的额定电流比。前者定义为原边绕组额定电压U1N与副边绕组额定电压 U2N之比;后者则为额定电流I1N与I2N之比。即
KN=U1N/U2N
(对电压互感器)
KN=I1N/I2N
(对电流互感器)
电压(或电流)互感器原边电压(或电流)在一定范围内变动时,一般规定为0.85~1.15U1N(或10~120%I1N),副边电压(或电流)应按比例变化,而且原、副边电压(或电流)应该同相位。但由于互感器存在内阻抗、励磁电流和损耗等因素而使比值及相位出现误差,分别称为比差和角差。
比差为经折算后的二次电压(或二次电流)与一次电压(或一次电流)量值大小之差对后者之比,即
fU 为电压互感器的比差,fI 为电流互感器的比差。当KNU2>U1(或KNI2>I1)时,比差为正,反之为负。
角差为二次电压(或二次电流)相量旋转180°后与一次电压(或一次电流)相量之间的夹角,以分为单位。并规定副边的-妧2(或-夒2)超前于妧1(或夒1)时,角差为正,反之为负。
对没有采取补偿措施的电压互感器,比差为负,角差一般为正值,比差的绝对值和角差均随电压的增大而减小;铁心饱和时,比差与角差均随电压的增大而增大。
对于没有采取补偿措施的电流互感器,比差为负值,角差为正值,比差的绝对值和角差均随电流增大而减小。
采用补偿的办法可以减小互感器的误差。一般通过在互感器上加绕附加绕组或增添附加铁心,以及接入相应的电阻、电感、电容元件来补偿。常用的补偿法有匝数补偿、分数匝补偿、小铁心补偿、并联电容补偿等。
进展
互感器最早出现于19世纪末。随着电力工业的发展,互感器的电压等级和准确级别都有很大提高,还发展了很多特种互感器,如电压、电流复合式互感器,直流电流互感器,高准确度的电流比率器和电压比率器,大电流激光式电流互感器,电子线路补偿互感器,超高电压系统中的光电互感器,以及SF6全封闭组合电器(GIS)中的电压、电流互感器。在电力工业中,要发展什么电压等级和规模的电力系统,必须发展相应电压等级和准确度的互感器,以供电力系统测量、保护和控制的需要。