电子逻辑元件

用电信号控制的可进行逻辑运算的半导体关元件,又称门电路。它是以反相器、触发器、振荡器和各种RC、RL等基本半导体电路为基础发展起来的新型自动化元件。在自动控制系统中利用电子逻辑元件能实现控制信号的逻辑组合、变换、延迟、存储、计数等功能。电子逻辑元件的优点是开关动作时间短、体积小、重量轻、组合灵活、寿命长和无可动部件等。它是自动化技术中不可缺少的基本元件。门电路至少有两个输入端,有一个或多个输出端。从逻辑功能上来看,最基本的门电路有“或门”、“与门”和“非门”三种。通过这三种基本逻辑电路的组合又可得到“或非”、“与非”、“与或非”、单稳、双稳、触发器等不同门电路,其中以“与非”和“或非”两种逻辑电路使用最方便、最广泛。

或门 图

又称逻辑和电路。当它的输入端中至少有一个有输入脉冲时,其输出端就有相同符号的脉冲输出(图1)。在图1a中,当所有输入端均为零时,所有二极管都处于通导状态,电源电压全部加在电阻R上,使输出为零。只要有一个输入端输入负脉冲时,该端二极管仍然通导,其余二极管则变为断开状态,使输出端由零变为负,输出一个负脉冲。图1b为适用于正脉冲输入的或门电路,其原理类推。

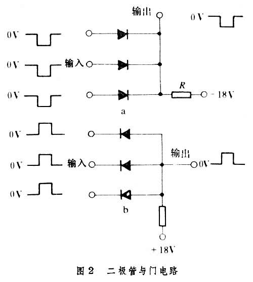
与门

又称逻辑乘电路,只有在几个输入端同时输入脉冲信号时,输出端才有相同符号的脉冲输出(图2)。在图2a中,只要有一个输入端为零,该端二极管即通导,使电源电压全部加在电阻R上,输出为零。因此只有三个二极管同时输入负脉冲时,输出端才会由零变为负,输出一个负脉冲。图2b为适用于正脉冲输入的与门电路,其原理类推。

图2 图3 非门

又称反相器电路,它的输入为高或低电位时,输出分别为低或高电位(图3)。图3中输入为零(即高电位)时,三极管截止,使R0上的压降为零,输出端即为负(低电位)。当输入端为负脉冲(低电位)时,三极管通导,使电源电压全部加在R0上,输出端即为零(高电位)。

参考书目
  1. 清华大学电子工程系、工业自动化系编:《晶体管脉冲数字电路》(中册),科学出版社,北京,1975。