[拼音]:fankui fangdaqi
[外文]:feedback amplifier
把输出信号的一部或全部送回输入端,以改变放大性能的放大电路。由输出端送回输入端的信号称为反馈信号。反馈信号在输入端与外加信号相加(或相减)组成放大器的净输入。当反馈信号使净输入增强从而使放大器增益提高时,称为正反馈。当反馈信号使净输入减弱从而使增益下降时,称为负反馈。
反馈放大器由基本放大器、反馈网络、取样电路和混合电路组成(图1)。
反馈网络的作用是使系统的输出和输入发生联系,形成称为反馈环的环路。未加反馈网络,即不构成环路(称为开环)时,输入信号Xi直接送入基本放大器,放大器的输出X0=AXi,其中A为基本放大器的增益(亦称开环增益)。加上反馈网络,即构成反馈环路(称为闭环)时,送入基本放大器的净输入变为Xi-BX0,B是反馈网络的增益。输出X0与输入Xi之比Af为反馈放大器的增益(称为闭环增益)
上式是反馈放大器的基本关系式,它表示闭环增益与开环增益间的关系。其中A和B一般为复数,随频率而变,因此,Af一般也是随频率而变的复数。在中频,如AB为负,式中分母(1-AB)的值大于1,闭环增益变小,相当于负反馈;如AB为正,且其值小于1,式中分母(1-AB)也小于1,闭环增益变大,则相当于正反馈。当AB为正,且AB≥1时,系统就质变到自激状态,该式失效。负反馈已在实际放大器中获得广泛应用。这是因为它能在如下几个方面改变放大器的性能,达到所希望的效果。
(1)对增益的影响:负反馈能使放大器的闭环增益趋于恒定,少受开环增益波动的影响。如果使式中的乘积AB的绝对值比1大很多,则闭环增益Af≈1/B。这样,只要用比较恒定的无源元件组成的反馈网络,负反馈放大器的增益就基本上不受开环增益 A的影响。正反馈虽然提高了增益,但却不能使增益恒定。
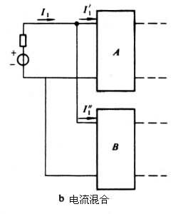
(2)对放大器输入和输出阻抗的影响:放大器输入阻抗值会因信号在输入端混合的方式不同而异。在负反馈的情况下, 电压混合(图2a)使输入阻抗增高,电流混合(图2b)使输入阻抗降低。而输出阻抗则因对输出信号的取样方式不同而异。在负反馈的情况下,电流取样(图3a)使输出阻抗增高,电压取样(图3b)使输出阻抗降低。对这些混合方式和取样方式取不同的组合,可得四种能满足不同使用要求的反馈方式。
(3)对放大器非线性失真的影响:在相同的输出幅度下,负反馈放大器的非线性失真比无反馈者为小。但当输入信号的运用范围很大,例如运用到电子器件的饱和与截止状态时,虽采用负反馈,也起不到减小非线性失真的作用。
(4)对通频带的影响:负反馈能使放大器的幅频特性变得比较平坦,通频带得到展宽。
正反馈放大器具有较高的增益和较好的选择性,但频带变窄,且工作稳定性差。除早期的再生式高频放大器外,一般放大器很少采用正反馈。