[拼音]:jiaoliu jingzhi kaiguan
[外文]:solid state A.C.switch
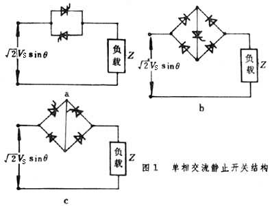
控制交流功率通断用的晶闸管开关电路。几种单相交流静止开关结构如图1所示。
图1a使用晶闸管虽少,但要求晶闸管的关断时间较短。这种电路中晶闸管的触发均可以采用触发电路(图2)。
图中触点开关K合上时,仅流过毫安级的触发电流,而它使T1、T2导通,接通了交流负载电流。此种触发电路虽然简单,但它毕竟又使用了有触点开关。采用触发脉冲可免除这一缺陷。但要注意的是在感性负载时,因电流的滞后作用,即使电压已反向,在一定的时间内电流也不会反向,故开关导通期间必须对晶闸管连续施加触发信号,以使晶闸管处于正向电压时就立即触发导通。
交流静止开关的优缺点同直流静止开关。