LC 振荡器

由LC谐振回路作反馈电路的反馈型正弦波振荡器。其放大电路主要由晶体管或电子管构成,自振频率基本上决定于谐振回路的电感L和电容C,振荡幅度主要受制于有源电子器件的非线性和电源电压的幅度。

LC振荡器因谐振回路具有很高的选择性,即使放大器工作在非线性区,振荡电压仍非常接近正弦形。但因它的谐振元件LC之值限于体积不宜过大,振荡频率不宜太低,一般为几百千赫到几百兆赫。频率稳定度墹f/f一般为10-2~10-4 量级,略优于RC 振荡器,但比石英晶体振荡器要低几个数量级。谐振元件LC的数值调节方便,可借以改变振荡频率,因而为广播、通信、电子仪器等电子设备所广泛采用。

LC振荡器依LC在电路中的接法不同而有调集振荡器、哈特莱振荡器、科皮兹振荡器等主要类型。

图

调集振荡器

LC 谐振回路接在晶体管的集电极-发射极之间,并通过互感使基极和发射极间产生反馈耦合(图1)。电感线圈的初、次级电压应互为反相,以实现正反馈。振荡频率f低于晶体管的β截止频率f公式 符号时,调集振荡器的自振频率f0和起振条件(见振荡)分别为

公式 符号

式中RiR0分别是放大器的输入和输出阻抗,gm是晶体管的跨导。调集振荡器一般适于产生几千赫到几兆赫的正弦振荡。它由于采用互感耦合方式而容易实现阻抗匹配。

图

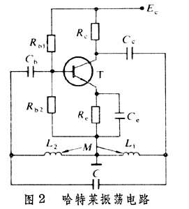
哈特莱振荡器

又称电感三点式振荡器。构成正反馈的L1L2分别接在晶体管集电极-发射极和基极-发射极之间,C接在集电极-基集之间(图2)。用于低频的自振频率f0和起振条件分别为

公式 符号

式中L=L1+L2+2M。哈特莱振荡器的线路简单,容易起振,也易于改变频率,但波形一般不太好,其振荡频率可从数百千赫到数十兆赫。

图

科皮兹振荡器

又称电容三点式振荡器。构成正反馈的C1C2分别接在晶体管集电极-发射极和基极-发射极之间,L接在集电极-基极之间(图3)。用于低频时,自振频率f0和起振条件分别为

公式 符号

科皮兹振荡器输出波形好,工作频率可达数百兆赫,但极间电容变化对频率稳定度的影响较大,频率调整比较困难。

若在L支路中串入一个比C1C2小得多的电容器C3,其自振频率将近似为

公式 符号

它主要决定于LC3,从而减轻了极间电容对频率稳定度的影响,也便于频率调整。经过这样改进的电路称为克拉泼振荡器。若在克拉泼振荡器的谐振元件 L两端再并接一个小电容器C4,就可构成西勒振荡器。这时,其自振频率f0近似为

公式 符号

式中     公式 符号西勒振荡器的振幅在工作频段内比较平坦,适于作为可变频率振荡器。