晶体管-晶体管逻辑电路

集成电路输入级和输出级全采用晶体管组成的单元门电路,简称TTL电路。它是从二极管-晶体管逻辑电路(DTL)发展而来的。将DTL电路输入端的“与”门二极管组和电平位移二极管之一,改为多发射极晶体管,多发射极实现输入级“与”逻辑,输出级晶体管实现“非”逻辑,即成为TTL基本逻辑门电路的结构(图1)。

图

TTL电路于1962年研制成功,它的“与非”门的结构和元件参数已经历三次大的改进。通常,以电路的速度和功耗的乘积作为优值来衡量逻辑集成电路的性能和水平。因此,改进TTL逻辑电路“与非”门是从速度和功耗两个方面入手的。

图

第一代TTL逻辑电路“与非”门

它的线路结构(图2)有输入级、分相级和输出级。输入级采用多发射极晶体管,输出级采用简单的推拉输出(包括上推拉管T4、下推拉管T5和一个二极管)。双极型集成电路从 DTL电路演变到 TTL电路的第一代“与非”门,仅改进了上述两点就使开关速度比DTL逻辑电路高5~10倍,同时也减小了电路功耗。这些改进大大促进了双极型集成电路的发展。对于第一代“与非”门,只要改变元件参数就能保持线路结构不变而得到不同等级的速度功耗乘积的门电路系列产品。

TTL电路输入端采用多发射极晶体管,不再象DTL电路输入端二极管组与电平位移二极管那样彼此孤立。多发射极晶体管具有较大的正向电流放大系数和较小的反向电流放大系数。电路处于转换过程中,当输入端为低电平时,较大的正向电流放大系数能抽出较大的电流,使原来存储的多余载流子很快消失;当输入端是高电平时,较小的反向电流放大系数,使多发射极晶体管的反向漏电流最小,不致影响前一级高电平输出。采用多发射极晶体管时,在多发射极之间须避免出现交叉漏电流。

电路输出级采用推拉输出,有助于减小电路功耗和提高开关速度。输出上推拉管 T4和二极管D代替原输出管T5负载电阻,构成一个能自动调节阻值的负载,使电路只在转换过程的瞬间输出级才有功耗。

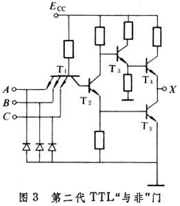
图

第二代 TTL电路“与非”门

输出级上推拉管改用射极跟随器形式(图3)。如果射极跟随器的T3管集电极并接T4管集电极,可改变为第二代改进型形式,即输出级上推拉管采用达林顿对管(T3、T4)连接。达林顿对管连接减小了连线距离。对管可看成为一个晶体管,其电流放大系数是两个晶体管放大系数的乘积。对管的输入阻抗是对管中前一晶体管的电流放大系数β1与后一晶体管的输入阻抗的乘积。

图

第三代 TTL电路“与非”门

采用肖特基势垒二极管使线路抗饱和,电路开关速度提高到超高速范围,每级门的信号传递延迟时间约在3~5纳秒。改进之二是在输出管T5的基极回路增加了晶体管分流器 (图4),分流器是把线路上原来的无源元件电阻,改为有源元件晶体管T6和电阻R3R6。这种结构有时也称为有源拉开网络。晶体管分流器参数的选择依电阻R3R6的不同比值而定,分为饱和型、非饱和型和浅饱和型三种型式。

饱和型晶体管分流器要求R3R6(如R3=0.5R6),T6管即能进入饱和区。因为当“与非”门T5管截止时,晶体管分流器可为T5管提供一个低阻的抽出电流的分流回路,有利于T5管截止,提高开关速度。

非饱和型晶体管分流器是指R6=0。这时,T6管工作在线性区域,不论T5管在通导过程中还是转向截止,这种分流器对提高电路开关速度的能力都是有限的。

浅饱和型晶体管分流器要求R3R6(在一般情况下,取R6=0.5R3),使电路处于饱和边缘,从而获得高速开关能力。因此,在高速开关电路中,一般采用浅饱和型晶体管分流器。

在早期探索提高 TTL逻辑电路“与非”门开关速度的过程中,只是采取两方面的措施:

(1)降低电路中的阻值,因为降低阻值可增加驱动电流。缩小电路所占的芯片面积,寄生电容也因之减小;

(2)输出级上推拉管和二极管改为射极跟随器连接法,使TTL“与非”门逻辑电路开关速度成倍提高。但是在进一步探索提高电路速度时,发现晶体管多余载流子的存储效应是一个重要障碍。这些多余载流子的产生,是由于过驱动电流导致晶体管进入饱和状态,多余的载流子又来不及复合消失,势必存储在晶体管区内。为了进一步提高开关速度,只有设法使晶体管处于临界饱和状态,避免对晶体管过驱动才有可能消除和避免多余载流子的存储效应。因此,60年代末至70年代初期,开始在TTL集成电路中采用肖特基势垒二极管,将其并接在电路晶体管的基极和集电极上,终于把电路存储时间大大缩短。TTL电路“与非”门开关速度进入超高速范围,使带有肖特基势垒二极管的晶体管的开关时间可缩短到1纳秒左右。

TTL电路按用途区分,还包括一些特殊用途的电路,如普通常用的基本门、功率门或驱动器、集电极开路门、抗辐照基本门和三态输出基本门。

参考书目
  1. 汪希时编著:《晶体管-晶体管逻辑集成电路与数字技术》,科学出版社,北京,1982。