随着我国城市化进程加快及城市基础设施的进一步完善,污水处理量越来越大。统计数据显示,2010年全国城镇污水排放量接近400亿m3,且国家对污水处理厂氮磷排放的要求越来越高〔1〕。近20 a来城市污水处理已由去除含碳有机物为目标转向含碳有机物和氮、磷营养元素的去除。研究和开发高效、经济的生物除磷脱氮技术已成为一大研究热点,出现了一系列城市污水处理新工艺,如同时硝化及反硝化、短程硝化反硝化、厌氧氨氧化及反硝化除磷等技术。反硝化除磷技术是反硝化聚磷菌(DPAOs)利用亚硝酸盐、硝酸盐为电子受体,胞内储存物聚羟基烷酸酯(PHA)为电子供体,通过“一碳两用”来同步完成反硝化脱氮和过量吸磷的目的〔2〕。序批式间歇活性污泥反应器(SBR)具有运行方式灵活、节省费用和用地、脱氮除磷效果好等优点〔3〕。在目前的实际应用中脱氮除磷的效率都不是很高,难达到满意的处理效果〔4〕,如何在SBR工艺中实现反硝化除磷是人们关注的热点。
笔者采用厌氧/好氧/缺氧模式运行的SBR处理人工配水模拟生活污水,并研究了泥龄、温度、曝气量对反硝化除磷过程的影响。
1 材料和方法
1.1 SBR反应器的运行
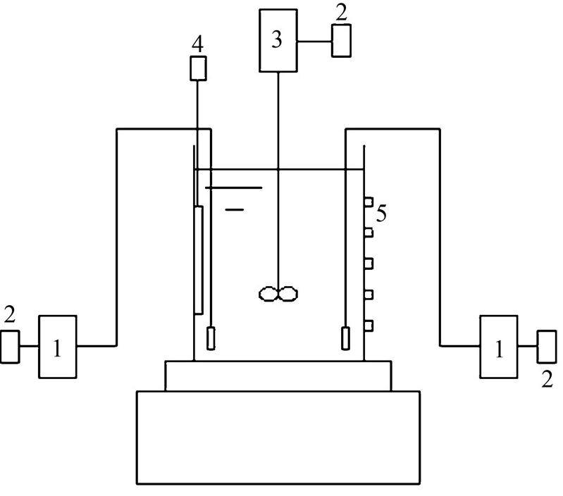
实验装置为有机玻璃制成的长方体容器,其尺寸为20 cm×20 cm×30 cm,有效容积为7 L,如图 1所示。
图 1 SBR系统实验装置
1-空气压缩机;2-时间控制开关;3-磁力搅拌器;4-加热棒;5-取样口
好氧曝气阶段采用微孔曝气头向反应器中充气,厌氧和缺氧阶段采用多功能搅拌器搅拌,搅拌速度约为50 r/min,该搅拌棒材质为不锈钢,尺寸为D 6 mm×43 cm,每隔10 cm有1个叶片,共有3个。每个阶段的开始及结束时间均由定时器控制。工艺流程为:瞬时进水,厌氧搅拌1 h,好氧曝气4 h,缺氧搅拌2 h,静置沉淀0.5 h,排水闲置0.5 h。每天3个周期,每周期8 h,每个周期的排水比为0.5。
实验采用人工配水,其中葡萄糖0.4 g/L、氯化铵0.153 g/L、磷酸氢二钾0.129 g/L以及一定的微量元素。该模拟废水的水质为COD 400 mg/L、氨氮40 mg/L、磷酸盐5 mg/L。
实验使用的活性污泥泥种取自太原市河西北中部污水厂的回流污泥。先将取回的污泥闷曝1 d,设定温度为25 ℃、pH为7.5左右、曝气量为40 L/h。之后按照瞬时进水,厌氧搅拌2 h,好氧曝气5 h,缺氧搅拌3 h,静置沉淀1.5 h,排水闲置0.5 h进行培养驯化,每天运行2个周期,每周期12 h,每周期进出水量为3.5 L。培养过程采用COD、氨氮投加量逐渐递增的方式,COD从200 mg/L提升到400 mg/L,氨氮从20 mg/L提升到40 mg/L,每2 d提升1次,每次提升10%~20%。当MLSS保持在4 500 mg/L左右,MLVSS/MLSS为0.8左右,且COD、氨氮的去除率达到90%以上时,污泥培养结束。
1.2 测定方法及分析项目
水质监测采用国家环保总局颁布的标准方法,具体如表 1所示。
1.3 实验设计
采用单因素分析法,首先将温度定为室温25 ℃、曝气量为64 L/h,测定缺氧段出水中磷酸盐、硝态氮和亚硝态氮的浓度来研究泥龄(15、20、25、30 d)对系统反硝化除磷的影响;在曝气量为64 L/h及最佳泥龄条件下,研究温度(15、20、25、30 ℃)对系统反硝化除磷效果的影响。最后将泥龄和温度都调至最佳,研究曝气量(32、48、64、80 L/h)对系统反硝化除磷效果的影响。
2 结论与分析
2.1 泥龄对反硝化除磷效果的影响
在温度25 ℃、曝气量64 L/h条件下,研究泥龄对反硝化除磷效果的影响,结果见表 2。
由表 2可知,泥龄对反硝化除磷效果影响较大。泥龄为15 d时,缺氧段的吸磷速率、脱氮速率为0,没有反硝化除磷现象发生。泥龄>15 d时,吸磷速率、脱氮速率随着泥龄的增加而增加,但30 d时吸磷速率为0,说明20、25 d有反硝化除磷现象,30 d无反硝化除磷现象发生。25 d时系统在缺氧段的吸磷速率最大,为0.043 3 mg/(g·h)。泥龄为15 d时没有反硝化除磷现象是因为反硝化聚磷菌DPB在厌氧/好氧/缺氧条件下生长,其利用的是一种较为复杂的有机物PHB作碳源,基质的利用速率较慢〔5, 6〕,则DPB的生长速率就慢,而过短的泥龄又导致DPB从系统中流失,影响了污泥的除磷效果,甚至失去除磷能力。该实验结果与M. Merzouki等的研究相似〔7〕。泥龄除对SBR工艺中反硝化除磷性能有较大影响,同时还会影响去除单位磷和氮所需的COD〔8〕。随着泥龄的延长,缺氧段在系统中所起的吸磷作用越来越明显,但泥龄>25 d除磷效率降低,污泥发生释磷“自溶”现象。这是因为系统排泥量减少,通过污泥排出的磷也减少,DPB没有足够的能量摄取多余的磷,造成系统在缺氧段除磷效果不好〔9〕。
综上,厌氧/好氧/缺氧模式运行的SBR泥龄过长或过短都不利于缺氧段反硝化除磷现象的发生,泥龄为25 d时系统的反硝化除磷效果最好。
2.2 温度对反硝化除磷的影响
在曝气量为64 L/h、泥龄为25 d的条件下,考察温度对反硝化除磷效果的影响,结果见表 3。
由表 3可知,温度为15 ℃时缺氧段的吸磷速率、脱氮速率为0,没有发生反硝化除磷现象。温度在15~30 ℃时缺氧段的吸磷速率随温度的增加而增加。温度为20~25 ℃时,缺氧段的脱氮速率随温度的增加而增加,30 ℃时脱氮速率下降。这可能是温度在20~25 ℃时反硝化除磷和利用碳源的反硝化作用同时发生,导致脱氮速率较高。温度为30 ℃时吸磷速率最大,为0.051 3 mg/(g·h)。实验结果与P. ELefiniotis等研究结论相近〔10〕。
在微生物生理活性中起影响作用的因素很多,其中温度对生物蛋白的活性影响很大,酶自身具有的蛋白质特性决定了污水生物处理必须在一定温度范围内才能取得良好的处理效果。在低于中温和常温条件下,细菌的酶活性受到抑制,降低了反硝化除磷效果〔11〕。因此该系统适宜温度确定为30 ℃。
2.3 曝气量对反硝化除磷的影响
在温度为30 ℃、泥龄为25 d条件下研究曝气量对反硝化除磷效果的影响,结果见图 2~图 4、表 4。其中图 2~图 4为该系统缺氧段在不同曝气量下的磷酸盐、硝态氮、亚硝态氮的变化情况。
图 2 不同曝气量下磷酸盐在缺氧段的变化
由图 2~图 4可知,曝气量为32 L/h时,缺氧段的磷酸盐没有下降趋势,系统中没有发生反硝化除磷现象。当曝气量增大到48 L/h时,反应第1 h磷酸盐与硝态氮都逐渐降低,反硝化聚磷菌利用硝态氮进行反硝化除磷;第2 h磷酸盐及硝态氮继续降低,亚硝氮也开始降低,当硝态氮<0.5 mg/L时,反硝化聚磷菌同时利用硝态氮和亚硝氮进行反硝化除磷。由表 4可知,曝气量为48 L/h时系统缺氧段的吸磷速率、脱氮速率分别为0.045 1、0.248 7 mg/(g·h)。
曝气量为64 L/h时缺氧段一开始NO3-下降,磷酸盐随之下降,这说明此过程中反硝化聚磷菌利用NO3-作为电子受体;当NO3-<0.5 mg/L时,系统中的NO2-开始被消耗,表明反硝化聚磷菌开始利用NO2-作为电子受体。笔者认为,当系统中的NO3-和NO2-共存时,NO3-首先被消耗,但当NO3-下降到一定程度时,NO2-随之被消耗。
当曝气量继续增大到80 L/h时,整个缺氧段的磷酸盐及硝态氮呈下降趋势,亚硝氮上升。说明此过程中反硝化聚磷菌只利用硝态氮作为电子受体进行反硝化除磷。由表 4可知,此曝气量下缺氧段的吸磷速率、脱氮速率最高,分别为0.035 4、0.458 0 mg/(g·h)。
在反硝化除磷工艺中,缺氧段反硝化除磷的效果与厌氧条件控制的好坏有直接关系。厌氧段曝气量过高会影响释磷,而缺氧段曝气量过高则影响反硝化过程。令云芳等〔12〕认为反硝化除磷的厌氧和缺氧段应保持DO < 0.2 mg/L。缺氧段的DO过高会导致分子态氧与硝态氮竞争,影响聚磷菌的缺氧反硝化过程,因此缺氧段的溶解氧需控制在≤0.5 mg/L〔13〕。实验中,曝气量为64 L/h时厌氧段、缺氧段的DO适合反硝化细菌和反硝化聚磷菌的生长,缺氧段吸磷速率、脱氮速率最高,故适宜的曝气量确定为64 L/h。。
3 结论
(1)在温度25 ℃、曝气量64 L/h条件下,泥龄过长或过短都不利于反硝化除磷现象的发生,泥龄在25 d时效果最好。
(2)在曝气量64 L/h、泥龄为25 d条件下,温度为20、25、30 ℃时都出现一定的反硝化除磷,30 ℃时较为明显,缺氧段吸磷速率最高为0.051 3 mg/(g·h),脱氮速率为0.180 1 mg/(g·h)。
(3)在温度30 ℃、泥龄25 d条件下,曝气量为64 L/h时反硝化除磷效果最好,吸磷速率最高为0.054 0 mg/(g·h),脱氮速率为0.594 6 mg/(g·h)。














