一、水污染现状
水是一种宝贵的自然资源,随着工农业的迅速发展和人们生活水平的不断提高,对水资源的要求,无论是从质而言,还是从量而言,都有了更高的标准。水并非是取之不尽,用之不竭的天然资源,它是有限资源,对于缺水地区来说,水就更加宝贵了,防止水污染,保护水环境,目前已引起广泛共识。
水污染是指水体因外界某种物质的介入,导致原有质量特性发生改变,从而影响了原有的功能和利用价值,甚至危害人体健康,破坏生态环境。人类社会为了满足生活及生产的需求,要从各种自然水体中取用大量的水,这些水被利用后,即产生生活污水和工业废水,并最终又排入天然水体,这样就构成了一个用水的循环。
二、重金属废水的来源及特征
1.采矿过程废水,金属矿的开采废水主要含有悬浮物和酸,这是因为金属矿石或围岩中,含有硫化矿物,这些矿物经风化,水及细菌等的作用,形成酸性废水。其反应式为
2FeS2+2H2O+7O2——2FeSO4+2H2SO4
矿山酸性废水一般含有一种或几种金属,非金属离子,主要有钙,铁,锰,铅,锌,铜和等。
2.炼铁过程废水,高炉煤气洗涤水是炼铁工艺的主要废水,含有大量的悬浮固体,。其主要成分是铁,铝,锌和硅等氧化物。钢铁企业的轧钢酸洗,尤其是不锈钢表面酸洗除垢,也能产生含铁,镍,锌,铅等重金属废水
3.金属加工过程废水,主要是金属表面清洗除锈产生的酸性废液。金属材料多用硫酸和盐酸酸洗,而不锈钢则要用硝酸,氢氟酸混合酸洗。酸洗后的钢材又要用清水漂洗,产生漂洗酸性废水。一般情况下,漂洗后剩余的废液含酸百分之七左右,其中含有大量溶解铁质,漂洗水的PH值为1—2。酸性废液和漂洗水,如不经处理就外排,必将造成严重的污染。
4.电镀过程废水,电镀废水主要来自镀件的漂洗,也有少量工艺废弃液排出。电镀废水的水质按镀种和电镀工艺的不同而异。一般来说,电镀废水中的重金属比较单纯,虽然水量小,但其浓度往往比较高,毒性很大,主要含有酸和铜,铬,锌,镉,镍等金属离子。
三、金属废水对环境的污染
在高度集中的现代化大工业情况下,工业生产排出的废水,特别是重金属废水对周围环境的污染日益严重。重金属的污染是把含有重金属的工业废水排入江河湖海,它将直接对渔业和农业产生严重影响,同时直接或间接地危害人体健康。现将几种重金属的危害简介如下。
1.汞(Hg+) 其毒性作用表现为损害细胞内酶系统蛋白质的巯基,摄取无机汞死量为75~300mg/人以上的汞,则汞在人体内就会积累,长期持续下去,就会发生慢性中毒,有机汞化合物,如烷基汞,苯基汞等,由于在脂肪中溶解度可达到在水中的100倍,因而易于进入生物组织,也有很高的积蓄作用。日本的水俣病公害就是无机汞转化为有机汞,这些汞经食物链进入人体而引起的。
2.镉(Cd2+)镉的化合物毒性很强,动物吸收的镉很少可能排出,从而极易在人体内产生积蓄作用从而引起贫血,新陈代谢不良,肝病变以至死亡。镉在肾脏内蓄积引起病变后,会使钙的吸收失调,从而发生软骨病。日本富山县神通川流域发生的骨痛病公害,就是镉中毒引起的。
3.铬(Cr6+)六价铬化合物及其盐类毒性很大,其存在形态主要是CrO3 ,CrO42- ,Cr2等,易于在水中溶解存在。六价铬有强氧化性,对皮肤,黏膜有剧烈腐蚀性,近来研究认为,六价铬和三价铬都有致癌性。
4.铅(Pb2+)铅对人体各种组织均有毒性作用,其中对神经系统,造血系统和血管毒害最大。铅主要蓄积在骨骼之中,慢性铅中毒,其症状主要表现在食欲不振,便秘及皮肤出现灰黑色。
5.锌(Zn2+)锌的盐类能使蛋白质沉淀,对皮肤和黏膜有刺激和腐蚀作用,对水生物和农作物有明显的毒性。
6.铜(Cu2+)铜的毒性较小,它是生命所必需的微量元素之一,但超过一定量后,就会刺激消化系统,引起腹痛,呕吐,长期过量可促成肝硬化。铜对低等生物和农作物毒性较大,对于鱼类,0.1~0.2mg/l为致死量,所以一般水产用水用求含铜量在0.01mg/l以下,对于农作物,铜是重金属中毒性最高者,它以离子的形态固定于根部,影响养分吸收机能。
四、我国工业废水污染与治理现状
在环境污染中,工业废水的污染影响最大,20世纪60年代以来,世界上水体污染达到极为严重的程度,震惊世界的几起公害事件相继发生,引起了科学界和政界的重视,保护环境,治理污染成了人们普遍关注的问题。
我国每天排放大量的工业的废水,对江河湖海造成严重的污染。据统计,全国27主要河流,大多数被严重污染,有些河流中含酚,汞普遍超过指标数倍,乃至数十倍,使许多盛产鱼虾的河流的鱼产量大幅度下降。水质污染,加剧了北方缺水地区的水源紧张程度。南方由于大量工厂没有节制的排放重金属废水,也导致了水质的严重污染,造成长江流域的水的污染。
因此,重金属废水的治理刻不容缓,重金属是一种永久性的污染物。对于重金属废水,必须进行适当的处理,首先应该设法减少废水量,尽量回收其有用金属,废水适当处理后实行循环利用,尽可能不排或少排废水。对必须排放的废水进行净化处理,使之达到排放标准,对处理产生的污泥和浓缩液,如无回收利用价值,也应该进行无害化处理,以免二次污染。而在重金属废水的治理方法中,离子交换法是最为常见,且处理效果较好的一种方法。
离子交换现象最早发现于十八世纪中期,发现人为汤普森,后为J.托马斯.韦(J.Thomas Way)全面研究,而在离子交换剂的发展进程过程中的最重要事件,乃是1935年B.A.亚当斯(Adams)和H.L.霍姆斯(Holmes)研究合成了具有离子交换功能的高分子材料,即第一批离子交换树脂—聚酚醛系强酸性阳离子交换树脂和聚苯胺醛系弱碱性阴离子交换树脂。后来,由霍姆斯和当时德国I.G.染料工业公司对以上离子交换树脂进行了改进并投入工业生产。随后的几年内,还发展了多种类别的缩聚型离子交换树脂并在水处理方面得到应用。
离子交换树脂的大发展主要是在二次世界大战以后。当时美国和英国一些公司广泛进行了合成离子交换树脂的研究工作,G.F.达莱利奥(D Alelio)成功地合成了聚苯乙烯系阳离子交换树脂,在此基础上又陆续开发了交换容量高,物理—化学稳定性好的其他聚苯乙烯系离子树脂,相继又开发了聚丙烯酸系阳离子树脂。这时,离子交换树脂已成为一类新型高分子材料,人们认识到,用它可以比较简单地达到离子性物质的分离,纯化和浓缩的目的,而不求助于结晶和消耗热能的蒸发等工艺。
六十年代,离子交换树脂的发展又取得了重要突破,柯宁等采用E.F.梅特兹南(Meitzner)和J.A.奥林(Oline)发明的聚合新方法,合成了一系列物理结构和过去完全不同的大孔结构离子交换树脂,该类树脂很快在美国罗姆—哈斯公司(Rohm and Hass)和西德拜耳公司(Bayer)投入生产。这类树脂除具有普通离子交换树脂的交换基团外,同时还有像无机和碳质吸附剂及催化剂那样的大孔型毛细孔结构,使离子交换树脂兼具了离子交换和吸附的功能,为离子交换树脂的广泛应用开辟了新的前景。
离子交换树脂和它的应用技术的发展一直是相互促进,相互依赖的。随着离子交换树脂的发展,树脂应用技术也在不断改善,开始是间歇式工艺,很快就发展到固定床工艺,六十年代后逆流技术及连续式离子交换工艺,双层床技术等获得了很快的发展,这些新的应用和工艺的开发,使离子交换树脂在许多领域的应用更加有效和经济。七十年代后,人们正以极大的兴趣,注意着热再生离子交换技术的发展。随着高分子化学的发展,离子交换的应用越来越广泛。在给水处理中,可用于水质软化和脱盐,制取软化水,纯水和超纯水。在废水处理中,可除去废水中的某些有害物质,回收有价值化学物品,重金属和稀有元素,在国防,化工,生物制药等方面,能有效地进行分离,浓缩,提纯等功能。
离子交换是靠交换剂本身所带的能自由移动的离子与被处理的溶液中的离子通过离子扩散来实现的。推动离子交换的动力是离子间的浓度差和交换剂上的功能基对离子的亲和能力,这就是离子交换的基本原理。
离子交换是可逆反应,其反应式可表达为
RH+M+←→RM+H+
交换 交换 饱和
树脂 离子 树脂
在平衡状态下,树脂中及溶液中的反应物浓度符合下列关系式
([RM][H+])/([RH][M+])=K
K是平衡常数。K大于1,表示反应能顺利地向右方进行。K值越大,越有利于交换反应,而不利于逆反应。K值的大小能定量地反映在离子交换剂对某两个固定离子交换选择性的大小。
在重金属废水的离子交换法处理过程中,由于工业废水种类繁多,水质复杂,故应考虑工业废水水质对离子交换的影响。
1.悬浮杂质和油类的影响
废水中所含悬浮物和油类会堵塞树脂内部的孔隙,使树脂的交换容量降低,因此,废水在进入离子交换柱只前应进行过滤等预处理,以去除悬浮杂质和油类。
2.溶解盐类的影响
有些工业废水所含溶解杂质中除了少量(或微量)有毒物质外,还含有大量的一般盐类,这些盐对离子交换有重要影响。一般当溶解盐类含量超过1000~2000mg/L时,将大大缩短树脂的工作周期,因此这种废水不适宜采用离子交换法处理
3.PH值的影响
PK值对离子交换有两方面的影响:第一,影响某些离子在废水中的存在形态。第二,影响树脂交换基团的离解,如强酸,强碱性树脂的交换基团不受PH的限制,它们可以在各种PH值的废水处理中,而弱酸,弱碱性树脂则不然,其交换基团的离解与PH值关系很大。如羧酸型(—COOH)阳树脂,只有在PH>4时才显示交换性,且PH值越大,交换能力越强(当PH=5时。交换容量为0.5当量/g树脂,在在PH=8~9时,其交换容量可达9mg 当量/g 树脂)。同样,弱碱性阴树脂只有在PH值比较低的条件下,才能得到比较好的交换效果。
4.温度的影响
工业废水的温度一般都比较高,这虽然可提高内扩散和膜扩散速度,加速离子交换反应,但温度过高就可能引起树脂的分解。每一种树脂都有一定的耐热性能,如果废水温度超过其高限度,在进入交换树脂以前应采取降温措施。
5.高价金属离子的影响
有些废水常含有大量高价金属离子(如Fe3+ Al3+ Cr3+等),他们与树脂交换基团的固定离子有较强的结合力,可以优先被交换,因此在只要求去除这些离子的情况下,可采用较大的流速而不影响交换效果。这对离子交换是有利的,但它们交换到树脂上去以后,再生洗脱则比较困难。容易引起树脂“中毒”。降低树脂的工作交换容量。
6.氧化剂和高分子有机物的影响
有些废水中含有各种氧化剂(如Cl2 O2 H2Cr2O7 HNO3等)和高分子有机物,造成树脂被氧化破坏和有机污染,使树脂的使用寿命缩短或工作交换容量降低。
综上所述,在废水处理中,离子交换主要用于回收和去除废水中金,银,铜,镉,铬,锌等金属离子,对于净化放射性废水及有机废水也有应用。离子交换法优点为:离子的去除效率高,设备较简单,操作容易控制。目前在应用中存在的问题是:应用范围还受到离子交换树脂品种,产量,成本的限制,对废水的预处理要求较高,离子交换树脂的再生及再生液的处理有时也是一个难以解决的问题。
废水处理厂设计书
1废水的水质和水量
处理水量 700m3/d=29m3/h SS(200mg/l)
处理前金属离子浓度 mg/l Ni2+ 220 Cu2+ 80 Co2+ 20 Pb2+ 10 Zn2+ 20 Fe3+ 10 Cl-1500 SO42-1000 PH=2.5
处理后金属离子浓度 (mg/l) Ni2+ 1.0 Cu2+ 1.0 Co2+ 1.0 Pb2+ 1.0 Zn2+ 1.0 PH=6.5~8.5
废水中各种重金属的回收率
Ni的回收率=(220-1)/220=99.5℅
Cu的回收率=(80-1)/80=98.8℅
2工艺流程方案
|
|
工艺流程介绍如图所示 重金属废水通过管道进入集水调节池,投加一定的NaOH溶液以调节PH到中性并进行水量调节,出水经水泵进入连续过滤池以去除水中固体悬浮物,过滤后,经提升泵导入离子交换柱内,在离子交换柱内,重金属离子与弱酸性Na离子树脂发生离子交换反应,重金属即被固定到离子交换树脂上,直到离子交换树脂达到饱和为止。此时排出的一部分水用于淋洗再生后的树脂,其他水外排。接着进行树脂的反洗,再生。树脂再生后的洗脱液浓集了大量有毒而又有用的重金属离子,将再生洗脱液导入废酸收集槽内,接着进行树脂的转型,将转型后的废碱液导入废碱收集槽内,再用水泵将废酸和废碱同时导入中和池内,最后重金属经回收处理。
3工艺设计计算
3.1集水调节池设计计算
因为工艺流程采用的是弱酸性阳离子树脂,其交换基团的离解与PH值关系很大。如羧酸型(—COOH)阳树脂,只有在PH大于4时才显示其交换性,且PH值越大,交换能力越强(当PH=5时,交换容量为0.5mg 当量/g树脂,而PH=8~9时,其交换容量可达9mg 当量/g树脂)所以首先要进行PH调节,才能发挥其离子交换作用。
针对废水PH=2.5,且含有多种重金属离子,故采用投药中和法进行PH调节。考虑到所处理的水量小,且不产生大量沉渣,故将中和剂(NaOH)投加在集水调节池中。即可不设混合反应池,但须满足混合反应时间。
![]() |
在均化池内通常要进行混合,其目的是要保证调节作用,通过混合与曝气,防止可沉降的固体物质在池中沉降下来和出现厌氧情况。还有预曝气的作用。废水中的还原性物质可以被氧化,吹脱去除可挥发性物质。
计算公式
WT=∑tQiTi
Qi—在T时段内废水的平均流量 m3/h
Ti—时段 h
取Ti==4h Wt=29×4=116m3
调节池尺寸有效水深取2m 池面积为58m2
池宽取4m 池长为15m
集水调节池简图如:
![]() |
3.2过滤池设计计算
在水处理过程中,过滤一般是指以石英砂等粒状滤料层截留水中悬浮杂质,从而使水获得澄清的工艺流程,过滤的作用主要是去除水中的悬浮或者胶态杂质,特别是能有效的去除沉淀技术不能去除的微小粒子和细菌等,而且对BOD5和CODcr等也有某种程度的去除效果
考虑到进水中SS高达200mg/L,要想取得好的过滤效果,需要采用连续流滤池,连续流滤池是普通快滤池在不延长过滤周期,使滤池适应频繁清洗的要求下改进而成的。
普通快滤池工艺流程 滤池本身包括滤料层,承托层,配水系统,集水渠和洗砂排水槽五个部分,快滤池管廊内有原水进水,清水出水,冲洗排水等主要管道和与其相配的控制闸阀。
快滤池的运行过程只要是过滤和冲洗两个过程的交替循环,过滤是生产清水过程,待过滤进水经来水干管和洗砂排水槽流入滤池,经滤料层过滤截留水中悬浮物质,清水则经配水系统收集由清水平管流出滤池。在过滤中,由于滤层不断截污,滤层孔隙逐渐减小,水流阻力不断增大,当绿曾的水头损失达到最大允许值时,或当过滤出水水质接近超标时。应停止滤池运行,进行反冲洗。
滤池反冲洗时,水流逆向通过滤料层,使滤层膨胀,悬浮,借小流剪切力和颗粒摩擦力清洗滤料层并将滤层内污物排出。反冲洗水一般由冲洗水箱或冲洗水泵供给,经滤池配水系数进入滤池底部反冲洗,冲洗废水由洗砂排水槽,废水渠和排污管排出。
普通快滤池用于给水和清净废水的滤速可采用5-12m/h,粗砂快滤池用于处理废水流速采用3.7-37m/h, 双层滤料滤池的滤速采用4.8-24m/h,三层滤料滤池的滤速一般与双层滤料滤池相同,因双层滤料池属于反粒度过滤,截留杂质能力强,杂质穿透深,产水能力大,适于在给水和废水过滤处理中使用,故采用双层滤料滤池。
过滤池计算公式
滤池面积公式 F=Q/VT
F=滤池总面积 m2
Q=设计日废水量 m3/d
V=滤速 m/h
T=滤池的实际工作时间 T=T0-t1-t2
T0=滤池工作周期时间 h
T1=滤池运行后的停留时间 h
T2=滤池反冲洗时间 h
设计数据 Q=1.05×700m3/d=735m3/d 其中考虑了水厂自用水量(包括反冲洗用水)
V取流速5m/h 冲洗强度q=12~16L/(s·m2) 冲洗时间6min
滤池面积及尺寸 滤池的工作时间为24h,每次冲洗6min,停留时间40min,
滤池实际工作时间为
T=T0-t1-t2=24—40/(60×2)—6/(60×2)=23.62h
F=Q/VT=735/(5×23.62)=6.22m2
采用滤池两个 每个滤池面积为
f=F/N=6.22/2=3.11m2
设计滤池长宽比L/B=1 则滤池尺寸L=B=√3.11=1.76m
较核强制滤速 v=NV/(N—1)=10m/h
滤池总高 承托层H1采用0.45m,滤料层高度无烟煤层为400m,石英砂层为250mm,总高H2=650mm,滤料上水深H3为1.2m,超高H4为0.3m,滤板H5为0.12m。则滤池总高度为
H= H1+ H2+ H3+ H4=2.72m
滤池反冲洗水头损失
⑴管式大阻力配水系水头损失
h2=(q/(10aμ))2·(1/2g)
设计支管直径d=70mm,b(壁厚)=5mm,孔眼d=9mm,孔口流量系数μ=0.68,配水系统开a=0.25%,q=14L/(s·m2),得h2=3.5m
⑵经支承层水头损失计算
h3=0.022H1q=0.022×0.45×14=0.14(m)
⑶滤料层水头损失及富余水头为
h4=2m
⑷反冲洗水泵扬程H=滤池高度+清水池深度+管道、滤层水头损失
H=2.72+3+(3.5+0.14+2)=11.36m
根据冲洗流量和扬程选择反冲洗水泵
各类过滤池的滤料必须定期进行反冲洗,这主要是因为在过滤过程中,原水中的悬浮物被滤料表面吸附并不断地在滤料层中积累,由于滤层孔隙逐渐被污物堵塞,过滤水头损失不断增加,当达到某一限度时,滤料需要进行清洗,使滤池恢复工作性能,继续工作。
过滤时由于水头损失增加,水洗对吸附在滤料表面的污物的剪切力变大,其中有些颗粒在水洗的冲击下移到下层滤料中去,最终会使水中的悬浮物含量不断上升。水质变差到一定程度使需要清洗滤料,从使恢复滤料层的纳污能力。污水中的悬浮物中含有大量有机物,长期滞留在滤层中会发生厌氧腐败现象,需定期清洗滤料。。
3.3离子交换柱设计计算
离子交换是靠交换剂自身所带的能自由移动的离子与被处理的溶液中的离子通过离子扩散来实现的,推动离子交换的动力是离子间的浓度差和交换剂上的动能基对离子的亲合能力,这就是离子交换的基本原理。
针对Ni2+,Cu2+,Co2+,Fe3+等离子。采用弱酸氢离子交换树脂。这种树脂对氢离子选择能力特别强,对多价离子的选择能力也忧于低价离子。弱酸性阳离子交换树脂指含有羧酸基(—COOH),磷酸基(—PO3H2)等的离子交换树脂,其中以含有羧酸基的弱酸性树脂用途最广,含羧酸基的阳离子交换树脂在水中的解离程度较弱,在10-5~10-7之间,所以显弱酸性,其解离如下:
R—COOH←→R—COO-+H+
它仅能在接近中性和碱性介质中才能解离而显示离子交换能力,含羧酸基的弱酸性离子树脂是用甲基丙烯酸或丙烯酸与二乙烯苯进行悬浮共聚而后水解的方法制得,过去,聚丙烯酸系弱酸性树脂以对链霉素的特殊选择交换吸附性能而主要用于链霉素的分离提炼。近年来,根据它的高达9mg 当量/g左右的交换容量,容易再生,以及对二价金属离子具有较好的选择性的特点,已广泛用于水处理及工业废水处理等方面。
再生阶段的液流方向和交换时水流方向相同称为顺流再生,反之称为逆流再生。顺流再生的优点是:设备简单,操作简单,工作可靠。故在本设计中采用顺流再生固定床工艺。
离子交换柱设计计算公式
(1)计算交换柱处理负荷 G=Q(C—Cp)
G—处理负荷 mol/h
Q—处理水量 m3/h
C—进水浓度 mol/m3
Cp—出水浓度 mol/m3
(2)计算所需树脂的总体积 ▽=GT/EO
▽=树脂总体积 m3
T=树脂再生周期 h
EO=工作交换容量 mol/m3
(3)设计离子交换柱的直径
D=√(4Q/πV)
D—离子交换柱直径 m
V—处理液在柱内流速 m/h
(4)计算离子交换柱高度
h=4▽/(D2π)
h—树脂层高度 m
H—离子交换柱高度 m H=h(1+α)
α—树脂清洗时膨胀率 可按40%-50%考虑
(5)离子交换再生液的计算
再生剂的用量 M=q0E0▽
M—再生剂的用量 g
Q0—再生剂耗量 g/mol
▽—饱和树脂的体积 m3
再生液的体积 ▽I=M/Ci
▽I—在一定浓度下的再生液的体积 L
Ci—再生液中所含再生剂的浓度 g/l
整个处理过程发生的化学反应(Na型阳离子交换柱)
去除 2R—COONa+M2+←→(R—COO)2M+2Na+
式中 M2=Ni2+,Cu2+,Zn2+,Pb2+,Co2+等
再生 (R—COO)2M+2HCl←→2R—COOH+MCl2
转型 R—COOH+NaOH←→R—COONa+H2O
3.3.1采用弱酸双阳柱全饱和流程
离子交换柱应去除的金属离子的物质的量,考虑到出水中金属离子的含量比较少(Cp≈0)
Ni2+(220mg/L)物质的量浓度为C (1/2Ni2+)=7.48mmol/L
Cu2+ (80mg/L)物质的量浓度为C (1/2Cu2+)=2.52mmol/L
Co2+ (20mg/L)物质的量浓度为C (1/2Co2+)=0.59mmol/L
Fe3+ (10mg/L) 物质的量浓度为C (1/3Fe3+)=0.19mmol/L
Pb2+ (10mg/L)物质的量浓度为C (1/2Pb2+)=.1.035mmol/L
Zn2+ (20mg/L) 物质的量浓度为C (1/2Zn2+)=.0.62mmol/L
合计 12.435mmol/L
每日应去除金属离子负荷为
G=Q(C—Cp)=700m3/d×(12.435—0)mmol/L=8704.5mol/d
3.3.2计算Na型阳离子交换树脂交换塔所需树脂的体积,该弱酸阳树脂工作交换容量E0=1500mol/m3,决定树脂再生周期T=2d,所需树脂的体积
▽=GT/E0=(8704.5mol/d×2d)/1500mol/m3=11.606m3
计算交换塔尺寸 设交换塔直径D=1800mm(1.8m) 则树脂层厚度为
h=4▽/(D2π)=(11.606m3×4)/(π×1.82)=4.6m
a— 考虑反冲洗时树脂的膨胀率α=50℅ 所以交换塔高
H=h(1+α)=4.6×(1+50℅)=6.84m
采用2柱串联,则每柱的树脂深度为6.84/2=3.42m
3.3.3计算交换塔阳树脂再生时的耗酸量,查表得HCL的再生剂耗量为 q0=50g/mol
再生一次所需的酸量(M)为:
M=q0E0▽=50g/mol×1500mol/m3×11.606m3=870450g
表见标注1
如配成5%浓度的盐酸,查表得每升含盐酸质量51.2g,即浓度Chcl=51.2g/L.故所需5%的盐酸再生液体积:
▽HCL=M/CHCL=870450g/(51.2g/l)=17000L
再生周期为12h。
3.3.4计算转型液用量
转型液用量为树脂体积的1.5倍即11.606×1.5=17.409m3
取转型液(NaOH)浓度(4℅)转型 即为1mol/L(NaOH的密度约等于水的密度)
转型周期为12h
3.3.5新树脂的预处理
弱酸阳树脂再生淋洗宜用低纯水,水量约为树脂体积的6倍,淋洗流速先用再(0.4m/h),后逐步增大到交换流速(10m/h).、
预处理用水量=11.606×6=69.636m3
转型淋洗要用低纯水,大量约为树脂体积的6倍,淋洗到出水PH=8—9,淋洗开始用再生流速,然后用交换滤速淋洗。
淋洗用水量=11.606×6=69.636m3
3.3.6离子交换柱尺寸设计
|
|
离子交换柱简图如右图所示再生液入口管离子交换柱管径的确定 根据公式
d=18.8(Q/v)1/2
d—管内径(mm)
Q—介质容积流量(m3/h)
v—介质平均流速(m/s)
因废水中含有重金属离子和氯离子,硫酸根离子
查表得 盐水的滤速通常为1.0~2.0m/s
取v1=1.0m/s 则进出水管直径 视镜滤速表见标注2
根据经验 排气口管直径比进水管小1~2号即排气管的直径为90mm.
因再生需要12个小时,且在12个小时的总流量为17m3+69.636m3=86.636m3考虑到多用的水量取V总=90m3
d=18.8(Q/v)1/2 查表得盐酸的常用流速v2=1.5 m/s
Q总=90/12=7.5m3/h
d2=18.8(7.5/1.5)1/2=42mm 取40mm
转型所需时间为12小时,且在12个小时的总流量为
17.409m3+69.363m3=86.772m3考虑到多用的水量取V总=90m3
d=18.8(Q/v)1/2 查表得NaOH的常用流速v3 =2.0m/s
Q总=90/12=7.5m3/h
d3=18.8(7.5/2)1/.2=36mm 取40mm
滤速表见标注2
3.3.7 离子交换柱壳体壁厚设计计算
壳体的空间高度除交换树脂层,压脂层占有的高度,还应能满足树脂层所必需的反洗膨胀高度,此高度一般应为树脂层于压脂层高度的50-60℅。
壳体材料应满足交换柱强度及耐柱内工作液腐蚀的要求。在本设计中,采用碳素钢及低合金钢。
壳体的附件有,上进水管,下出水管,排气管,视镜等,视镜的位置应能观察树脂下部动态及颜色变化,树脂层面是否波动和树脂层反洗膨胀后的层面等,故视镜该采用2个。
视镜通常为耐腐蚀的材料作成,常用有机玻璃制成。
在本设计中,采用凸缘构成的视镜,它结构简单,不易粘料,有比较宽阔的视察范围。标准视镜的公称直径有50~100mm五种,考虑到筒体直径为1800mm,故视镜直径为100mm较为合适,分别设置在交换柱上布水系统下部和支承层上部。
因容器处于常温常压下,采用公式δmin=2Di/1000mm
δmin=(2×1800)/1000=3.6mm 考虑到钢板被腐蚀应加上1mm的厚度附加量,
即壳体厚度为4.6mm
3.3.8离子交换柱封头设计
采用标准椭圆形封头,封头用碳素钢材料制成
标准椭圆形封头壁厚计算公式
δ=PDi/(2[σ]tφ-0.5P)+C1+C2
已知 P=1MPa Di=1800mm [σ]t=170MPa φ=1(整体冲压) Ci=0.6mm(钢板负偏差)
C2=1mm(单向腐蚀)
δ=(1×1800)/(2×170×1-0.5×1)+1=6mm
当碳素钢封头厚度在4~8mm,封头直边h高度取25mm
![]() |
3.3.9离子交换柱的支座设计 采用支承式支座
用钢板组焊接的支承式支座已经标准化,通过查表得
Di=1800mm时,支座的主体负荷为2.5T
支座的支承面积为444cm2
支承面上的单位压力为5.6×10-1MPa
支座尺寸L=290mm H=350mm a=180mm b=215mm c=250mm e=90mm s=16mm
地脚螺栓尺寸孔径d=30mm 直径M24
每个支座质量23.4kg 采用三个支座
支座规格表见标注3
3.3.10离子交换柱的开孔及补强,凸缘设计。
当筒体内径Di﹥1500mm时,开孔最大直径d≦Di/3 且d≦1000mm
接入再生液进口管时,S封=4mm d排=40mm 查表得开孔规格
外径D=160mm 内径d=80mm
转型液进口管和淋洗水进口管管径均为40mm S封=6mm 查表得开孔规格
外径D=160mm 内径d=80mm
接入排气管时 S封=6mm d排=90mm 查表得开孔规格
外径D=180mm 内径d=93mm
接入进水管时 S封=6mm d进=100mm 查表得开孔规格
外径D=200mm 内径d=112mm
开孔规格表见标注4
以上开孔后均采用凸缘代替接管,凸缘本身具有加强开孔的作用,不需要另行补强缺点是螺栓断在螺栓孔中后,取出较困难。凸缘与管道法兰配用,因此其连接尺寸应根据所选用的管法兰确定。
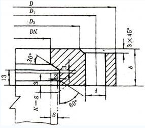
3.3.11离子交换柱法兰联接设计
法兰联接是由一对法兰,若干螺栓螺母和一个垫片组成法兰技术发展至今,已有一套法兰标准规格。
对于离子交换柱筒体其公称直径Di=1800mm
采用甲型平焊法兰,平面型密封面,法兰的各部分尺寸查表得知:
法兰尺寸表见标注5
法兰的标准号为JB1158—82
法兰尺寸 D=1930㎜,D1=1890㎜,D2=1855㎜,D3=1841㎜,D4=1838㎜,
δ=56㎜,d=23㎜,
螺栓规格:M20 数量52,垫片材料选用石棉橡胶板,螺栓材料选用Q235-A,
螺母材料选用Q215-A。
法兰尺寸示意图规格如图:
|
|
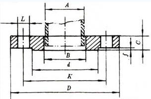
对于离子交换柱的管道法兰,如下表:
PN0.6MPa凸面板式平焊钢制管法兰(GB9119.6 -88)㎜
|
|
再生液进水管,淋洗水进水管,转型液进水管的管径均为40㎜,排气管管径为90㎜,进水管管径为100㎜,所以采取以上两种法兰。
管法兰尺寸示意图规格如下:
![]() |
管法兰尺寸见标注6
3.3.12离子交换柱的人孔设计
因本离子交换柱直径为1800㎜,所以应开设人孔,人孔的形状有圆形和椭圆形两种,圆形人孔的直径一般为450—600㎜,本设计中取D=500㎜。
人孔主要由简节、法兰、盖板和手柄组成,本设计中采用回转盖人孔。
人孔的规格为:人孔AⅣPN1.0DN500 JB580—79,
人孔补强,本设计选用的人孔简节内径d=500㎜,厚δn=4㎜,
补强圈尺寸确定如下:内径D1=534㎜,外径D2=840㎜,
补强圈厚度按下式估算:δ补=d×δe/(D2- D1)=500×(4-0.5)/(840-534)=5.7㎜,
考虑离子交换柱体与人孔简节都有一定的壁厚裕量,故补强圈取5㎜。
人孔简图如下:
![]() |
3.3.13离子交换柱支承装置及填料压板
填料支承结构不但要有足够的刚度和强度,而且必须要有足够的自由截面,使在支承处不致首先发生液泛。
在本设计中,采用的支承结构是栅板,因离子交换柱的直径是1800㎜,故采用分块式栅板。当塔径为1800㎜时,根据经验设计尺寸得:
栅板分块数:5
填料环直径50㎜
D=1710㎜
h×s=60×10
t=50
栅板1:I1=418㎜,栅条数8,连接板长度418㎜,
栅板2:I=418㎜,栅条数7,连接板长度368㎜,
支持圈数量8
支持圈:b=60㎜,δ(碳钢)=10
尺寸示意图如右图:
|
|
3.3.14上下布水系统设计计算
上下布水系统的作用主要是保证布水均匀,并防止树脂逸出。
在本设计中,上下布水系统均采用多孔板排水帽式(如下图),其优点是易损坏,其尺寸规格如下:水帽隙缝长50mm,隙缝宽0.3~0.4mm,材料为聚苯乙烯或尼龙1010(耐热,机械强度高)
![]() |
3.3.15废酸碱液槽、重金属回收槽、中和池的尺寸设计
废酸收集槽的作用是收集再生后淋洗水,所以废酸收集槽的容积=V再生洗脱液=69.636m3
考虑水的流量变化 取V酸=72m3。池深取3m 长取6m 宽取4m
废碱收集槽的作用是收集转型废液和转型后淋洗水,V=V转型剂用量+V转型后淋洗水=17.409m3+69.636 m3=87.045m3,考虑水的流量变化 取V碱=90m3。池深取3m 长取6m 宽取5m。
中和池是废酸液和废碱液进行中和的场所,其容积应为废酸收集槽容积和废碱收集槽的容积之和,即V中和=72m3+90m3=162m3,池深取3m 长取9m 宽取6m。
重金属回收槽的作用的收集再生洗脱液,所以重金属回收槽的容积V重金属回收槽=17m3,考虑水的流量变化 取V槽=20m3,池深取3m,长取3.5m,宽取2m。
转型液、再生液槽的容积通常为所需转型液容积的3倍。所需转型液的容积为17m3
所以V转型取50m3,所需再生液容积为17m3,所以V再生取50m3.两个池深均取3m,长宽均取4m.
4 主要设备
|
|
5工程投资
投资估算为250W,其中设备购置费100万元,安装工程费30万元,建筑工程费100万元,设备调试等其它费用20万元。
人员配备14人,其中技术员4人,控制室人员2人,一般工作人员3人,维修工2人,工勤人员3人。()

























