针对不同场地的特点和施工需求,公司研发了原位和异位两种化学氧化技术的实施方式。原位化学氧化的工法有建井注入工艺和水力压裂注射工艺;异位修复主要是将有机污染土壤清挖出来,在土壤改良机等设备中与氧化用剂混匀,堆置后进行氧化修复。
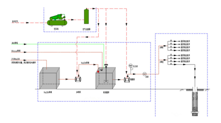
其中,注入井原位注入技术。在修复范围内布置用剂注入井,将氧化用剂通过注入井注入到饱和含水层中。氧化用剂与目标污染物接触反应,可同时修复土壤和地下水。该技术设备简单,使用灵活,通过调节注入压力达到不同的影响半径,可在单井反复多次注入用剂,保证修复效果。

图注入井原位注入技术工艺流程
水力压裂注射工艺。该技术包括钻进系统和注入系统两部分,钻进系统钻进到预定深度位置,开启高压注入系统,将氧化用剂喷射入土壤中,在瞬时高压作用下,氧化用剂溶液呈射流状由中心向外围喷射,可在预定深度内形成均匀的用剂层,继而在对流、弥散和机械扩散的作用下迁移并与目标污染物接触反应,达到修复饱和土层污染的目的。该技术施工设备简单,一体化优势明显,可以定点、定深、定量的进行用剂注入,对不同区域、不同污染浓度的修复更有针对性。公司在华北某交通枢纽二甲苯污染修复工程、炳华(任丘)汽车部品有限公司厂区内Cr(VI)污染调查与修复等项目中应用了该技术。

图水力压裂注射工艺














