细胞骨架

细胞内构成网架结构的蛋白质纤维。包括遍及细胞质的微丝系统、微管系统和中等纤维系统。在高压电镜下所见细胞质基质中的微梁系统,由于与上述三者关系密切,也有人将它归入细胞骨架之中。细胞骨架与多种类型细胞运动有密切关系。(见彩图)

HeLa细胞核骨架——Lamina体系 细胞骨架

早期在真核细胞的超微结构研究中,人们已看到有3种不同直径的纤维,遍及胞质各处,形成错综复杂的结构。根据纤维直径的大小,分为微丝(5~6纳米)、微管(20~25纳米)和中等纤维(7~11纳米)。

20世纪70年代,用免疫荧光方法标记细胞内纤维的结构蛋白,观察了完整细胞的纤维网,研究了单种蛋白组成的纤维的分布、结构和功能,从而建立了上述3种纤维的立体概念。

微丝系统

在相差显微镜下观察培养细胞,能见到胞质中有致密的平行排列的直纤维,称为应力纤维或微丝(图1)。1969年有人用重酶解肌球蛋白装饰法,证实了微丝是肌动蛋白在非肌肉细胞中存在的形式,而且它易受细胞松弛素破坏。通过免疫荧光方法得知,肌肉细胞的结构蛋白如原肌球蛋白、肌球蛋白和辅肌动蛋白等,与非肌肉细胞中的肌动蛋白共同构成同一根纤维。

图1

细胞在分裂时或经胰蛋白酶处理后,其形状变成圆形。如果细胞重新与底物接触则开始变扁,胞质纤维发生重组。使用免疫荧光方法使肌动蛋白抗体染色,在开始铺展的鼠胚或鸡胚培养细胞中发现肌动蛋白形成一过渡性的多角形网样结构。随着细胞的继续的铺展,网样结构逐渐布满整个细胞的胞质,同时辅肌动蛋白和原肌球蛋白也都参与这个结构,前者分布在网丝交接点处,后者分布在交接点间连接丝处。有一些放射状纤维从网丝的交接点处伸向细胞边缘,纤维的数量也逐渐增多,其化学组分与应力纤维相同。在细胞铺展晚期,胞质中纤维呈现平行排列,以应力纤维取代网样结构。推测多角形网样结构交接点,可能是肌动蛋白纤维的形成中心,负责组织收缩蛋白构成皮质部微丝。

微管

普遍存在于真核细胞中,大多见于细胞质,也是纤毛、鞭毛及中心粒的主要组成部分。微管主要由微管蛋白构成。单体的分子结构分 α和β两型,分子量为55000。两个分子连接在一起形成二聚体,二聚体纵向相连组成一条原纤维,13条原纤维形成中空的圆管,再螺旋盘绕成蛇皮管状。微管有时不是光滑的,常覆盖以称作臂的束状结构的纤维,具有重要功能。

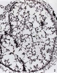
微管蛋白提纯和其抗体制备成功后,开始用荧光素标记抗体法观察完整细胞中的微管结构和分布。在人、猴、大鼠、小鼠和鸡的培养细胞中均看到微管。其纤维粗细一致(图2),对秋水仙素等敏感。但使用秋水仙素来处理小鼠3T3间期细胞以后,发现有一种胞质结构不受影响。当处理药物去除,微管便从该部形成并辐射延伸向细胞膜。这个结构称为微管组织中心。

图2 细胞经微管蛋白抗体免疫荧光染色,示胞质中有粗细一致的微管网

胞质微管十分不稳定,时而解聚为微管蛋白亚单位,时而又重新聚合成微管。微管聚合是不对称的,因为两端的聚合和解聚速率不等,导致一端的长度生长快,另一端生长慢甚至缩短。培养的正常细胞中的微管,随细胞分裂周期的出现,也在不断地变化,例如在细胞分裂时期,细胞的胞质微管完全消失,而有丝分裂器形成。在细胞分裂后,胞质微管又重新出现。

中等纤维

由于它们的直径介于微丝和微管之间而得名。又因它们粗细相同,又称10纳米纤维,实际上它们可分为5类,各自由不同的化学亚单位组成,彼此在抗原性方面也不同:

角蛋白纤维

哺乳类的角蛋白是一种 α-纤维蛋白,分子量为40000~68000。存在上皮细胞中的也叫做张力原纤维。直径为80埃。哺乳动物表皮细胞层可活跃地合成角蛋白──其主要分化产物。但来自间充质的细胞中没有这种蛋白。在培养的不同种类上皮细胞中,经角蛋白抗体染色可显示出不同的纤维排列式样(图3)。a>电子显微镜观察表明张力原纤维束常终止于桥粒上。一般认为角蛋白纤维起细胞骨骼的作用,例如PtK2细胞在分裂过程中不变圆,而角蛋白纤维也没有重组变化,推测它对维持PtK2细胞的扁平形状有关。

图3 PtK<sub>2</sub>细胞经角质蛋白抗体免疫荧光染色,示胞质中充满波形弯曲的纤维 结蛋白纤维

结蛋白分子量为50000~55000,构成的纤维存在于横纹肌、平滑肌和心肌中。用高盐处理横纹肌,再经荧光素标记抗结蛋白抗体染色,可见结蛋白出现在分离的Z盘边缘区,形成横跨纤维的相互连接网(图4)。

图4 鸡平滑肌经蛋白抗体免疫荧光染色,示分离的鸡骨骼肌Z盘边缘部位结蛋白分布

关于结蛋白纤维的功能一般认为是:

(1)通过在 Z盘处的结蛋白纤维,可使单个肌原纤维在侧面相互连接,同时通过Z盘又连接到质膜上,这样可达到机械地统一所有肌纤维的收缩作用;

(2)这种排列也保证了在肌肉收缩-松弛周期中,能维持细胞结构本来的排列;

(3)在肌原纤维的聚合过程中,对肌细胞横纹的产生起重要作用。

波形纤维

存在于间质细胞和来自间质的细胞中。由于经荧光标记抗波形纤维蛋白抗体染色,可使细胞质中显示出一种波浪形状的纤维而得名(图5)。

图5 PtK<sub>2</sub>细胞经波形纤维抗体免疫荧光染色,示胞质中充满弯曲的波形纤维

波形纤维蛋白分子量为57000,它的抗体与来源于哺乳类、鸟类或两栖类的细胞有广泛的交叉反应,说明这种蛋白质在演化过程中是保守的。波形纤维有时也与其他有明显区别的中等纤维共同存在,它们对秋水仙素敏感,经处理后凝聚成特殊的图像。

在多数类型细胞的有丝分裂过程中波形纤维都保持聚合的状态,也看到有明显的重新排列现象。尤其在分裂的前中期,可见这种纤维暂时性以盒子样结构环绕着正在形成的纺锤体,表明在细胞分裂时它们可能与纺锤体和染色体的定向有关。波形纤维的难溶解性提示在细胞中它们可能具有结构功能。一些实验结果说明它与细胞核紧密相连,可能对细胞核起着机械性的支持作用,使细胞核在细胞中处于特定的位置。

神经原纤维和神经胶质纤维

神经原纤维直径约为10纳米,与微管构成神经轴突、树突和核周体的主要成分。神经原纤维可以无秩序地或均匀地分布,通过束状纤维样的侧臂彼此相连接。神经胶质纤维直径约为 8纳米,分布在神经胶质细胞的胞质内,分布无一定规律,排列较紧密,彼此之间缺少侧臂的连接。

微丝的功能

细胞形状的维持

微丝是非肌肉细胞中肌动蛋白的一种存在形式,既易聚合,也易解聚。例如,海胆的精子在未接触卵子之前,顶体突起中仅含有非纤维式的肌动蛋白,在接触之后其聚合进行迅速,仅在10秒中就可形成相当精子头15倍长的顶体突起。又如用扫描早镜观察体外培养的中国地鼠卵巢细胞,可见指状突起和圆形小泡,用细胞松弛素B处理可增加细胞发泡率。它们的形成可能是由于胞质通过膜下微丝网裂隙而伸出来的。此现象说明微丝与细胞表面微细变化有密切关系。

与非肌肉细胞运动的关系

(1)胞质川流运动:常见于植物细胞。因为植物细胞中常含有一个较大的液泡,迫使胞质在僵硬的细胞壁内形成一薄层。胞质川流不息,移动着的胞质颗粒是形成胞质川流运动的指标。一般认为川流运动的能量来源于细胞内质和外质交界处扭曲的纤维束。经与酶解肌球蛋白重链相作用的纤维束可以形成箭头状复合物,说明它含有肌动蛋白。排列方向与川流运动方向一致。用电镜观察丽藻并未发现肌球蛋白粗纤维,但从丽藻中分离出肌动肌球蛋白复合物。若用细胞松弛素B处理丽藻,可使川流运动停止;药物去除后细胞恢复原有的川流运动的速度。这现象说明微丝确实参与川流运动。

(2)变形运动:变形虫等原生动物的运动方式。它与胞质川流运动相似,但更复杂些。变形虫的细胞质包括处于流动状态的内质和比较静止的外质。在变形虫向前的一端,内质溶胶冲向细胞的边缘,使虫体伸出伪足,并随之转变成不活动的皮层凝胶;而在细胞的后端则出现一系列相反的过程,即由不活动的皮层凝胶物质转变为能流动的溶胶内质,以便不断地补充向前流动的原生质流,并借此收回其身体后部。原生质流动需要收缩纤维的聚合和 ATP的水解。用电子显微镜免疫组织化学方法已证明,变形虫含有许多肌动蛋白样纤维,如虫体细胞边缘处偶尔可见的较粗的纤维,很像是肌球蛋白纤维。使用细胞松弛素B处理变形虫,可阻断内质向前流动和伪足的扩展,说明微丝参与变形运动。

胞质分裂

在动物细胞中胞质分裂和子细胞分离靠分裂沟来完成。分裂沟下面环绕着一层致密的微丝称为收缩环,并与细胞表面相连。由于收缩环的活动,在分裂处的纤维引起越来越紧的收缩,使分裂沟逐渐加深、断开,最后使母细胞形成两个子细胞,收缩环消失。利用细胞松弛素 B处理细胞可以逆转这个收缩环的作用。推测可能是由于药物扰乱了分裂沟区微丝束的排列而引起的。

收缩环的成分中含有肌动蛋白,使用荧光素标记抗体,在收缩环处也肯定肌球蛋白的存在。根据有人设想的胞质分裂机制模型,说明胞质的分裂是由于连接在膜上的肌动蛋白纤维和肌球蛋白相互作用,产生收缩,并与收缩环连合在一起而产生赤道板区膜的收缩(图6),因此收缩环的运动机制属于肌动蛋白和肌球蛋白的运动系统

图6

微管的功能

细胞形状的维持

微管存在于胞质的深层,不参与细胞表面微细变化,但是较大范围的胞质的伸延可能直接依赖于微管的支撑。例如,神经细胞突起的轴突和树突都含有大量微管,经秋水仙素处理可引起微管解聚,从而促使神经细胞突起缩回,细胞变圆。

微管参与胞质川流运动

明显的例子是:

(1)神经轴质的运送,即把蛋白质和细胞器从神经原细胞体运送到突起尖端,同时也有对应的物质回流。

(2)微管运送黑色素颗粒的作用,能使某些低等脊椎动物的体色随环境而迅速改变。这些色素颗粒可在细胞质内微管管道之间移动,并能运送到细胞突起的远端而改变体色。色素颗粒回集到细胞体即可恢复原来体色。

细胞分裂

主要包括两个主要部分:

(1)染色体的运动和②子细胞的分开。染色体的运动:微管在有丝分裂中对染色体运动的作用,虽然已有多年的研究,但还没有透彻的了解。一般认为在大多数细胞中染色体的移动需要有两组不同的微管,一组是染色体微管,另一组是极间微管。在有丝分裂初期,染色体微管首先在细胞赤道板上聚集染色体,然后通过染色体微管缩短与极间微管的延长的两者协调过程,最后将染色体分开。也有人认为染色体的移动是滑动机制在起作用,可能由负责肌肉收缩的肌动肌球蛋白所推动的。近年利用多种技术证明在纺锤体中存在含有肌动蛋白和肌球蛋白的纺锤丝。

细胞骨架的研究现正处于萌芽时期。近年积累的文献资料表明,用于研究真核细胞的胞质结构的新技术日益增多,实验结果说明细胞质组织结构的复杂性超出人们的预料。对细胞质基质的概念已从认为它是无结构的溶液发展到认为它是一个动态的由管子、纤维和连接组成的网样结构,并能形成复杂的凝胶到溶胶的往复转化。已鉴定出许多细胞质的结构和调控成分。但是对解释非肌肉细胞运动的复杂功能器的知识仍很贫乏。对错综复杂的中等纤维的功能还是不清楚。相信随着细胞骨架研究的进展,对生命的结构体制必将有进一步的了解。

参考文章