电子显微学

用电子显微镜研究物质的显微组织、成分和晶体结构的一门科学技术。电子显微镜是用一束电子照射到样品上并将其组织结构细节放大成像的显微镜。根据成像特点,目前广泛使用的电子显微镜有:

(1)透射电子显微镜

(2)扫描电子显微镜;

(3)扫描透射电子显微镜。

透射电子显微镜 (transmission electron micro-scopy,简写为TEM)

构造原理

电子显微镜的构造原理与光学显微镜相似,主要由照明系统和成像系统构成(图1)。照明系统包括电子枪和聚光镜。钨丝在真空中加热并在电场的作用下发射出电子流,经聚光镜会聚,照射到样品上。成像系统主要是物镜和投影镜,后者相当于光学显微镜中的目镜。从样品上物点发射出的散射电子波,经过物镜的聚焦成像作用在其像面上产生一次放大像,再经过投影镜在荧光屏上产生二次放大像,可供直接观察或拍摄相片。在电子显微镜中所有透镜都是磁透镜,利用强磁场使电子束聚焦。

图1 分辨极限

光学显微镜的分辨极限受所用光波波长的限制,大约相当于波长的一半。可见光的波长为0.4~0.7μm,因此不能观察小于0.2μm的细节,放大倍数不过一两千倍。电子的运动也具有波动特征,加速电压越高,波长越短。下列是常用的一些加速电压与电子波的波长:

加速电压(kV) 100 200 500 1000

波长(10-2┱) 3.70 2.51 1.42 0.87显然,根据电子波长得出的电子显微镜的理论分辨极限远小于0.1┱,但是由于磁透镜的球面象差和象散,电压与电流的波动,仪器的震动,样品的漂移等等,透射电子显微镜的实际分辨本领远逊于此值。1939年第一台商品电子显微镜问世(1932年在实验室中就已研制成功),使用单聚光镜和两个成像透镜,分辨本领优于100┱。现在的一级电子显微镜普遍采用双聚光镜和3~4个成像透镜(在物镜与投影镜之间安装1~2个中间镜,见图3),可以直接得到放大一百万倍的像,分辨本领为2~3┱,不但可以分辨点阵平面像(图9),而且可以分辨原子,直接观察到晶体与分子中的原子(图10)。由此可见,放大倍数高,分辨极限可以小到原子尺度,这是透射电子显微镜的最显著的特点。

图3 改变中间镜物距(改变透镜电流)可以在中间镜象面上得到二次放大象或一次放大衍射图 电子衍射图像

透射电子显微镜还可以给出晶体样品的电子衍射图,这就为研究晶体结构和晶体缺陷开辟了广阔的前景。根据阿贝的光学显微镜衍射成像原理,当一平行光束照射到一光栅上,除了透射束也就是 0级衍射束外,还会产生各级衍射束;经过透镜的聚焦作用,在其后焦面上产生衍射振幅的极大值,即图2中的……-1,0,1,……等各级衍射斑。每一个衍射振幅极大值都是一个次级振动中心,由这里发出的次级波在像平面上干涉成像。这个原理完全适用于透射电子显微镜中物镜的成像作用,晶体对于电子束就是一个三维光栅。

图

在电子显微镜中,物镜产生的一次放大像还要经过中间镜和投影镜的放大作用而得到最终的放大像。中间镜的物面与物镜的像面相重(图3a),投影镜的物面与中间镜的像面相重。中间镜把物镜给出的放大像投射到中间镜的像面(投影镜的物面)上,再由投影镜把它投射到荧光屏上。图3a中略去了投影镜,仅给出二次放大像。根据阿贝的衍射成像理论,在物镜的后焦面上有衍射谱,这就可以通过减弱中间镜电流使其物面与物镜的后焦面相重而得到一次放大的衍射图(图3b),再经过投影镜的放大作用,最后得到二次放大的电子衍射图。

图4a 是一个NiCl2·2H2O单晶的电子显微像,图4d是减弱中间镜电流使其物面与物镜的后焦面相重而得到的电子衍射图。在连续减弱中间镜电流的过程中,图3中的中间镜物面不断上移到 BB┡及 CC┡位置。图4b及图4c就是在这种情况下得到的照片,既有象的特征,又有衍射图的特征。图4c,是属于中间镜物面与物镜后焦面相距不远的情况(图3中 CC截面),可以看作是不聚焦的衍射图,每个强衍射斑已有和图4a所示的晶体外形相似的雏型。,图4b属于中间镜物面与物镜后焦面相距较远的情况,可以看作是不聚焦的多重像,但它们的配置已显示衍射图的六次对称特征。实际上每个小像就是一个衍射斑点变成的暗场像,中心的透射斑点变成明场像。图4中的一系列从成像变换到衍射图的照片清楚地说明了阿贝的衍射成像理论,并为透射电子显微镜进行各种电子衍射和成像实验开辟了途径。

为了研究样品上一个较小区域的晶体结构,可在物镜的像面处放置一个视场光阑(图2),大于此的成像电子束就会被视场光阑挡住,不能进入中间镜,这就相当于在样品上选择了范围为O1O姈的视场。即通过选择一次放大像的范围可以限制成像或产生衍射的样品范围,如1μm或更小一些,这称为选区衍射(selectedarea diffraction,简写为SAD) 或小区衍射(small areadiffraction,简写也是SAD)。

选择衍射成像

晶体在透射电子显微镜中的成像作用与衍射密切相关,像的衬度也是由衍射的振幅大小决定的,称衍衬(diffraction contrast)。为得到清晰的衬度,可调整晶体样品的取向,使得除透射电子束外,只出现一个很强的衍射束,一般称为双光束情况。可用物镜光阑挡住衍射束,只让透射束成明场像(图5a);也可用物镜光阑挡住透射束,让一个衍射束成暗场像(图5b)。从图4b可以看出,与明场像正好相反,衍射束成的暗场像的背景是暗的,像是亮的。在图5b的情况下,由于衍射束偏离光轴,暗场像朝一个方向拉长,分辨率不高。图5c,是用偏转线圈使入射电子束倾斜一个角度照射到样品上,从而使衍射束与光轴相重,这样得到的暗场像分辨率高。上述成像方法都称为选择衍射成像。

图5 图4 复型和萃取复型

由于物质对电子的散射很强,电子能穿透的厚度有限。因此透射电子显微镜中使用的样品一定要很薄,在100~200kV加速电压的情况下,金属样品也只能有几千埃 (┱)的厚度。另一种方法是不直接观察金属样品本身,而是观察其经过蚀刻的表面的复制品,通称复型。复型材料一般是由原子量轻的物质构成的,如在镀膜仪中喷碳制成的碳膜或用聚合物如火棉胶制成的胶膜。透射电子显微镜在金相学中的早期应用(40年代),就采用胶膜复型,证明了钢在淬火时生成的所谓屈氏体或索氏体都是由很细小的片状渗碳体与铁素体构成的共析组织,与珠光体无异,只因尺寸小而不能用光学显微镜分辨而已。此后,这两个名词就逐渐消失不再使用(见过冷奥氏体转变图)。

萃取复型是指在金属样品表面上制成复型后再用蚀刻剂溶掉金属基体而让第二相脱离基体并附着在复型上。这种复型的优点是除了观察表面形貌外,还可以用电子衍射方法确定第二相的晶体结构类型,以及用X射线能谱分析确定第二相的成分。过去曾用这种方法证明 AlN在晶界析出(片状)会使钢变脆,片状Ti(C,N)在高温合金中沿晶界析出会产生脆性等等。

复型与萃取复型的分辨率较低,目前主要用于断口分析的观察。图6是铝合金锻件断口的复型观察结果,这是一个发育完整未经变形的枝晶露头点,可以清晰地看到围绕〔111〕呈三次对称分布的结晶台阶,说明这是未锻合的显微疏松的残留部分。合金中氢含量过多往往会产生这种缺陷,降低了锻件质量。图7是钢的塑性断口的显微组织,黑粒子是萃取在复型上的MnS颗粒,可用选区电子衍射鉴定。显然,每一个硫化物粒子是一个显微断裂源,产生一个显微变形区及最后生成的显微空洞与塑坑。从这两个例子可以看出,复型技术在金属与合金的失效分析(failure analysis)和相分析中仍有独特的应用。

图6 铝合金锻件的断口复型 图7 钢的塑性断口的显微组织 薄膜透射

为了直接观察金属薄膜样品,首先要将大块金属轧制或切割成薄片,再经研磨到几个或几十微米厚度,然后经化学蚀刻,电解抛光或离子剥离方法减薄到几千埃的厚度。这种直接观察的优点是可以得到有关金属样品的大量晶体学资料,如晶体取向,第二相的类型,基体中的空位团、位错、层错等晶体缺陷等等,图8是一种镍基高温合金中的位错线的电子显微像,显然这些位错线排列在平行的{111}滑移面上。 我们不但可以观察在形变过程中位错的运动,交互作用和组态,还可以确定位错的柏氏矢量。这对于研究晶体的微观范性形变有重要意义。另一方面,我们还可以观察合金中第二相析出的过程,特别是它们与位错的交互作用;有时第二相在位错线上成核长大;有时第二相的析出产生的畸变会使其周围基体中出现很多位错。应当指出,位错是一种原子尺度的缺陷,这里观察到的位错线的象不是位错线本身,而是其畸变区的衍衬像。尽管如此,这种观察也是很有意义的。

图8 镍基高温合金中的位错线由于局部的衍射条件不同,位错线的衍衬象的形貌也不尽相同

如果金属薄膜的厚度可以减薄到100┱甚至更薄,而透射电子显微镜的分辨率足够高,就可以直接观察到金属的点阵像甚至单个原子。图9是金膜的(200)点阵平面像,这些条纹间的距离是2.04,相当于金的(200)点阵平面间距。这是选择一列衍射所成的二维点阵像,如果选择更多的衍射成像,甚至还可以观察到单个原子。图10是金原子在(111)点阵平面上的分布,每一个亮点是一个金原子的像。应当指出,在这种金属膜非常薄的情况,对电子的散射只影响电子波的位相而不影响其振幅,样品称为薄位相体,像的衬度称为位相衬度。这与厚一些的薄膜中由于电子波的振幅改变而产生的衬度差异(一般称为衍衬)是不一样的。

图9 金膜的(200)及(020)点阵平面象 图10 金原子在(111)点阵平面上的分布

金属与合金的高分辨电子显微像对于揭示其中原子尺度的精细结构是非常有意义的,如晶界与相畴界面上的原子排列(见界面),非晶态金属中的原子团或微小晶核,合金相中空位的有序分布,拓扑密堆结构中密排层的堆垛与层错,长周期有序结构中不同元素的原子的有序化(见有序无序转变)等等。

透射电子显微镜的分辨率随加速电压增高而提高,目前的高压高分辨电子显微镜使用的电压是500~1000kV,分辨极限可达1.6~2.0┱。电压增高使穿透率增大,从而能使用厚为 1~2μm 的样品。其优点在于一则可以较接近大块金属的情况,二则样品也较容易制备。此外,还可以研究高能电子对金属的辐照效应,以及在环境样品室中研究在一些气氛或介质中金属的组织结构变化;使用高压电子显微镜还可以较方便地进行金属的范性形变、疲劳、蠕变等过程中组织结构变化的动态观察。

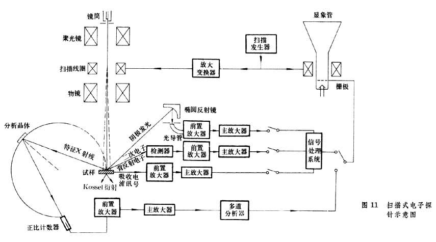
扫描电子显微镜(scanning electron microscopy,

简写为SEM

扫描电子显微镜(图11),的结构特点是聚焦电子束在样品表面上作面扫描,利用由此所产生的二次电子或其他讯号调制一个作同步扫描的显象管的发射电流,就会在屏上显示出样品表面上扫描区域的象。象的放大倍数决定于聚焦电子束扫描的线性长度,如为0.1mm,显象管上象的线性长度为100mm,则象的放大倍数为1000。因由样品表面发出的二次电子等信号不再经过任何透镜而直接用来成像,所以像的分辨率决定于照射到样品上的聚焦电子束的焦斑大小。电子光学和磁透镜的发展使得缩小电子束焦斑到几十埃甚至几埃都是可能的,问题是电子束的束流和样品发出的信号都随电子束直径的变小而显著减弱(接近于3次方的正比关系);因此,提高电子枪的亮度和改进信号接收系统便成为发展和改进扫描电子显微镜的关键。

图11

使用发叉式钨丝作热阴极的扫描电子显微镜的分辨率已优于100┱。用LaB6热阴极的电子枪,亮度要比用钨丝热阴极亮一、二个量级,而所需要的10-6~10-7Torr的真空是不难得到的,现已在商品扫描电子显微镜中采用,可将分辨率提高到 40~60┱。场发射电子枪使用冷的点状钨丝阴极发射源,尖端的曲率半径大约是250┱。在靠近钨丝尖端处的阳极加5kV正电压,使阴极尖端处电场高达108~109V/mm,可借此把电子拉出来(场发射)。场发射电子枪的亮度很高,比用LaB6的电子枪还要高几十倍。使用场发射电子枪的扫描电子显微镜,分辨率可达 30┱,但是这需要10-9~10-10Torr(约10-7~10-8Pa)高真空,并且在使用几小时后就需要真空处理,不很方便。

扫描电子显微镜中最常用的成像信息是二次电子,它是由能量较高的电子与样品中原子的交互作用而使后者中的外层电子逸出,能量大都在50eV以下。在二次电子探头前加一几百伏的正电压,就可以将样品表面发出的二次电子捕集起来,并与能量较高的背射电子分离开来。由于二次电子能量低,仅在样品表面50~100┱层内产生的二次电子才有可能从表面逸出,因此对样品表面状态非常敏感,显示表面的微观结构非常有效。另外,在这么浅的表面层内,入射电子还没有经过多次散射,产生二次电子的区域与入射电子束的照射面积无多大区别,因此用二次电子成像可以得到较高的分辨率。

扫描电子显微镜的焦深长,分辨率高,放大倍数可由20倍直接连续变化到10万倍,在特制的样品台上可以直接观察大到100×100mm的凹凸不平样品,并且可以利用多种信息成像,如二次电子、背反射电子、吸收电子、阴极发光、电子束电导、电子生伏特、特征 X射线等。图12是一种钢的沿晶界断裂的断口像,尽管断口表面不平,奥氏体晶粒还是很清晰的。

图12 钢的沿晶界断裂断口黑线是奥氏体晶界

电子束照射到样品上,除了产生二次电子外,还会激发出组成诸元素的特征X射线。对于不同元素,它们的特征X射线的波长和能量都不相同,而且有确定的数值。图11中示出的是波长色散谱仪(波谱仪),利用分析晶体将不同波长的X射线分开(图13b)。也可以用硅渗锂的探测器与多道分析器把能量不同的X射线光子分别记录下来,给出X射线能谱曲线(图13a)。图13中,纵坐标是X射线光子数,横坐标分别是能量级别和波长。为了与波长色散谱仪对比,这种按X射线光子的能量展谱的装置称能量色散谱仪(能谱仪)。显然,波谱的谱线要比能谱明锐得多,相邻的谱线可以清晰地分开,这对于定性和定量分析都大有益处。但是为了展谱,谱仪的聚焦圆一般是150~250mm,照射到分析晶体上的X射线的立体角非常小,利用率很低,不宜在束流低(<10-9A=的情况下使用。能谱谱线的峰背比低,但是计数率高,在束流低到10-11A时仍能有足够的计数,因此允许使用微细的电子束(如100┱或更小一些)分析很微小的区域。另外它还有X射线不需聚焦,对样品表面不平不敏感,以及分析速度快(约 1分钟)的优点。由于波谱分析和能谱分析相辅相成,因此扫描电子显微镜常同时装备有这两种分析仪器。如果成分分析的灵敏度与准确度要求不是很高,则可仅配有能谱仪。

图13

扫描透射电子显微镜 (scanning transmission

electron microscopy,简写为STEM

在扫描电子显微镜中,一般都是利用从样品表面发出也就是背射的二次电子成像,由于要安装各种信号的探测器,不得不将样品到物镜的距离加大到约10mm,这就使像的分辨率停留在几十埃到一百埃的水平上。如果使用薄膜样品,不但在背射方向有二次电子逸出,在透射方向也有二次电子逸出。在透射方向安置二次电子探测器就可以使样品位置移到距物镜较近的地方,显著提高二次电子像的分辨率。专门设计的扫描透射电子显微镜的分辨率也已达到2~3┱的水平,在晶体缺陷的衍衬像、晶体的点阵像以及单个原子成像诸方面都已达到较高水平。

扫描透射电子显微镜方面比较突出的进展还是在透射电子显微镜中添加电子及X射线探测器,变成一个微区成分和微区晶体结构分析的有力工具。将电子束聚焦到样品上,不但能观察20~30┱的组织形貌细节,并可以从X射线能谱分析及电子能量损失谱中得出这么微小区域的化学成分,从微区电子衍射得到它的晶体结构资料,这是近几年来电子显微学中发展较快的领域,称为分析电子显微学(analytical electron microscopy,简写为AEM)。

参考书目
  1. 郭可信:“电子光学微观分析仪器概述”,《显微分析技术资料汇编》,1~90页,科学出版社,北京,1978。
  2. P.B.Hirsch,A.Howie,R.B.Nicholson,D.W.Pashley,M.J.Whelan,Electron Microscopy of Thin Crystals,2nd ed.,Butterworths,London,1977.
  3. S.Amelinckx,R.Gevers,J.Van Landuyt,Diffraction and Imaging Techniques in Material Science,2nd ed.,North-Holland Publishing Co.,Amsterdam,1978.
  4. L. Kihlborg ed.,Nobel Symposium 47Direct Imaging of Atoms in Crystals and Molecules,The Royal Swedish Academy of Sciences,Stockholm,1979.
  5. P.M.Williams,Imaging and Microanalysis in STEM,in Chemical Physics of Solids and their Surfaces,Vo1.8,p.84,The Royal Society of Chemistry,London,1980.
  6. J.J.Hren,J.I.Goldstein,D.C.Joy,Introduction to Anal ytical Electron Microscopy,Plenum Press,New York & London,1979.