相位测量

正弦信号经过不同的时间或不同的网络后可以有不同的相位。通常所谓相位测量是指对两个同频率信号之间相位差的测量。最常见的是对网络输入与输出信号的相位差,即网络相移的测量。能提供固定或可变相移量的无耗二端口网络称为固定或可变移相器。通常把经过精确定度的移相器作为相位测量的标准。原始相移标准是精密的同轴式或波导式空气线,较低频率的是精密人工延迟线、精密比例电感分压器旋转变压器等。相位测量有四种方法:相位比较法、相位检波法、过零时间法和变频测相法。

相位比较法

图1中相位差待测的两路信号电压 u1u2加给一个相位平衡指示器,但在两路之一插入一个标准可变移相器,以便与待测相位差x相比较。最简单的相位平衡指示器是由一个相加(或相减)器和接在它后面的检波指示器组成。当加到相加(或相减)器的两路信号反相(或同相)时,检波指示器示值最小,称为相位平衡。测量的步骤是:先把一路信号同时加到相加器的两个输入端,调节移相器至读数为Φ1时达到初始平衡,然后把两路待测信号分别加到相加器的两个输入端,调节移相器至读数为Φ2时重新出现平衡,则xΦ2Φ1

测量二端口器件相移时,用功率分配器将辅助信号源的信号分成两路相等而同相的信号,在其中一路中插入相移为x的待测网络,变成两个相位差为x的信号u1u2,提供给类似于图1的电路测量。比较法从低频直至微波范围均可采用,但测量时所用频率越高,越要注意避免两路之间的杂散电磁耦合和串扰,并要保证两路接线长度的均衡。

图

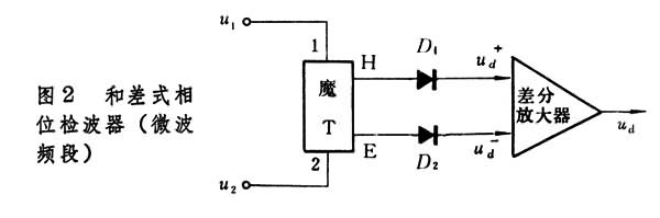
相位检波法

在两路信号幅度保持恒定的条件下,相位平衡指示器不仅可以指出所加两路信号的同相或反相,它的检波指示器示值还可用来表示两信号相位差的大小,因而又称相位检波器或鉴相器。单纯的和式或差式相位检波器的输出指示与x之间有明显的非线性关系,但若将两者结合起来构成和差式相位检波器,则刻度的线性可大为改善。在微波范围内,可用魔 T之类的桥式电路构成这种和差式相位检波器(图2)。

图

过零时间法

测出两个同频率信号波形的同向过零点的时间间隔τ,则τ与周期T 之比即决定该两信号的相位差。这一原理常用来构成直读式低频相位计。在图3a中,两路正弦信号分别经多次削波放大后再进行微分,取出代表两正弦波正向过零点的尖脉冲,便可按以下两类不同读数方式构成直读式相位计。这种相位计的频带宽,量程达0°~360°,且有线性刻度。

模拟读数式

用一路尖脉冲触发一个双稳态多谐振荡器,使其中一管导通,然后用后随的另一路尖脉冲触发,使这个管还原为截止,则管的导通电流具有图3a所示的矩形脉冲状。若脉冲峰值A保持恒定,则电流平均值Idx成正比,故可用电流表直读x

图

数字读数式

用两路过零点脉冲来控制电子计数器闸门电路的启闭。测出时间τ内通过闸门的钟脉冲个数n,便可得到闸门接通时间τ并进而求出τ/Tx(图3b)。为了直接显示 x的度数并达到0.1°的分辨力,可将被测信号频率公式 符号经3600倍频后形成的脉冲作为钟脉冲,则每个钟脉冲对应于0.1°,而测出时间τ内通过闸门的钟脉冲个数 n=3600τT,即显出xn×0.1°。为了减小触发时间和±1次计数所造成的误差,通常采用多周期计数平均的方法。

变频测相法

过零时间法只适用于低频,如果要测量高频和微波相位则必须采用变频法(包括一次和多次超外差变频、脉冲采样变频等)。将两路高频信号同时变成足够低的中频,这两路中频信号之间仍然保持着原来两路高频信号的相位差,因此可在低频测量相位。变频法是在高频和微波段精确测量相位和建立相位检定标准的主要方法。

利用网络分析仪能在很宽频带内扫频测量并得出网络全部S参数的幅相数值,故可导出网络相移和群延时等参量。

参考书目
  1. 汤世贤:《微波测量》,国防工业出版社,北京,1981。