缝纫机

用一根或多根缝纫线在缝料上形成一种或多种线迹,使一层或多层缝料交织或缝合起来的机器。缝纫机能缝制棉、麻、丝、毛、人造纤维等织物和皮革、塑料、纸张等制品,缝出的线迹整齐美观、平整牢固。缝纫速度快、使用简便。

简史

1790年英国的圣托马斯发明缝制靴鞋用的单线链式线迹的手摇缝纫机。这台缝纫机是用木材做机体,部分零件用金属材料制造,它是世界上出现的第一台缝纫机。1841年,法国的B.蒂莫尼埃设计和制造了实用的双线链式线迹缝纫机。1846年,美国的E.豪取得曲线锁式线迹缝纫机专利,缝纫速度为300针/分,效率超过5名手工操作的缝纫师。1851年,美国机械工人I.M.胜家独立设计并制造出这种缝纫机,缝纫速度为600针/分,并于1853年取得美国专利。此后,缝纫机便开始大量用于生产,并逐步增加了钉钮扣、锁钮孔、加固、刺绣等功能。1975年美国发明了Athena 2000型微型计算机控制的家用多能缝纫机。专业性工业缝纫机发展更为广泛,缝纫速度越来越高,如包缝机已达到1万针/分。1979年世界缝纫机的总产量达到 15885000台, 其中中国产量为5870000台。中国是世界上缝纫机产量最高的国家,生产家用、工业、服务性等3大类10多个系列,200多个品种。

分类

缝纫机的分类方法很多,比较普遍的是按线迹和用途区分(见表)。缝纫机的线迹(图1)可归纳为锁式线迹和链式线迹两类。锁式线迹最为常见。它由两根缝线组成,像搓绳那样相互交织起来,其交织点在缝料中间。从线迹的横截面看,两缝线像两把锁相互锁住一样,因而称为锁式线迹。这种线迹用在缝纫收缩率小的棉、毛织物或皮革等缝料,正面和反面形状相同,如同一条虚线。线迹分布密实,缝纫的牢度一般超过手工缝纫。链式线迹是由缝线的线环自连或互连而成,常用的有单线链式、双线链式和三线包缝线迹。这种线迹的特点是线迹富有弹性,能随缝料一起伸缩而不会崩断缝线,适用于线制弹性织物的服装或包缝容易松散的制品和衣坯等。

图 图 图

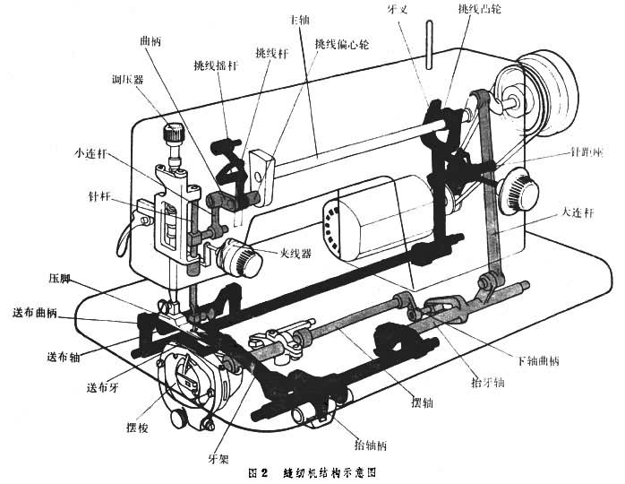
结构

一般缝纫机由机头、机座、传动和附件 4部分组成。

机头

机头是缝纫机的主要部分(图2)。它由刺料、钩线、挑线、送料 4个机构和绕线、压料、落牙等辅助机构组成,各机构的运动合理地配合,循环工作,把缝料缝合起来。

(1)刺料机构:由曲柄滑块机构组成。曲柄由主轴带动。 装有机针的针杆与小连杆连接。 主轴旋转一周,针杆便上下运动一次,使机针完成刺料和引带缝线的动作。

(2)钩线机构:它分摆梭式、穿梭式和旋梭式 3种,摆梭式钩线机构由曲柄摇杆机构和摆动导杆机构两个机构复合而成。大连杆(主轴曲拐)是这个机构的输入杆件。摆梭托与摆动导杆机构的摇杆(下轴曲柄)联接,是这个机构的输出杆件。钩线机构的最终执行构件为摆梭,它们之间有一定的间隙。在每一运动周期中摆梭托推动摆梭旋转摆动206°~210°角,起钩线、分线、脱线、出线、供应梭线等作用。

(3)挑线机构:它有偏心轮式、凸轮式、滑杆式和旋转式。偏心轮式挑线机构由曲柄摇杆机构组成。曲柄(挑线偏心轮)与主轴联接,由主轴直接带动,是这一机构的输入杆件;与挑线摇杆为同一刚体的挑线杆是挑线机构的输出杆件。挑线杆顶端有穿线孔,它的上下运动起收放缝线的作用。

(4)送料机构:它是由针距调节机构、抬牙机构以及由这两个机构复合而成的送料合成机构组成。针距调节机构是一个含有高副(三心等径凸轮)的平面机构,由针距座调节挑线凸轮和牙差的位置。摆杆(送布曲柄)是送料机构的输出杆件,用以带动牙架沿水平方向运动。抬牙机构由两平行机构复合而成。大连杆是这个机构的输入杆件;抬牙曲柄为输出杆件,以带动牙架上的送布牙作垂直方向的运动。送料合成机构是一个有两个自由度的五杆机构,以针距调节机构和抬牙机构的输出作为输入,通过刚体送布曲柄和抬牙曲柄传递动作,而使送布牙作平面运动。送布牙在每一个运动周期中起向前或向后推送缝料一个针距的作用。

机座

机座分为台板和机箱两种形式。台板式机座的台板起着支承机头的作用,缝纫操作时当作工作台用。台板有多种式样,有一斗或多斗摺藏式、柜式、写字台式等。机箱式机座的机箱起着支承和贮藏机头的作用,使缝纫机便于携带和保管。

传动部分

缝纫机的传动部分由机架、手摇器或电动机等部件构成。机架是机器的支柱,支承着台板和脚踏板。使用时操作者踩动脚踏板,通过曲柄带动皮带轮的旋转,又通过皮带带动机头旋转。手摇器或电动机多数直接装在机头上。

附件

缝纫机的附件包括机针、梭心、开刀、油壶等。

线迹的形成

图

以摆梭形成的双线锁式线迹最为常见(图3)。这种线迹由钩线、分线、脱线、出线几个步骤形成。

(1)钩线和分线:机针穿带上缝线(针线)向下穿过缝料至下极限,然后向上回升(图3a), 由于上缝线、缝料和机针的阻力和机针槽的作用逐渐形成线环,当机针回升到2~2.5毫米时形成的线环最佳。此时摆梭尖恰好转至针杆中心线钩住线环。摆梭继续顺时针转动,线环滑过摆梭的三角端和摆梭托之间的间隙,沿摆梭正、背两侧分开,挑线杆迅速下降放松上缝线。

(2)脱线:线环随同摆梭继续转动至摆梭三角转到针杆的中心线时(图3b),线环从摆梭翼脱出。

(3)出线:线环从摆梭翼脱出的瞬间,挑线杆迅速上升收缩上缝线,摆梭遂开始反向转动,使线环在摆梭尾与摆梭托之间产生的间隙中脱出(图3c)、缝线绕过装有梭线的梭心套一圈,使上缝线与下缝线交织。

(4)形成线迹:上缝线与下缝线交织后,随着缝料的进行和挑线机构与摆梭的作用,交织的线结控制在缝料层中间(图3d)。

缝曲折形线迹时,缝纫机上应装有花纹发生器,以控制缝线在水平方向上的轨迹。花纹发生器分机械型和微型计算机型。机械型花纹发生器利用花模凸轮的曲线和凸轮的升距推动针杆系统作横向摆动。微型计算机型花纹发生器利用预先存储的花型程序,经过步进电机按选定的花纹程序驱动针杆系统和送料系统,作出各种不同形状的花纹。(见彩图)

缝纫机曲折线迹 家用缝纫机 家用缝纫机 电动家用缝纫机

参考文章