[拼音]:diandong qiche
[外文]:electric vehicle
用蓄电池或燃料电池作能源的电动机驱动的汽车。电动汽车具有噪声小,起动迅速,使用方便等特点,适用于城市和郊区客、货运输。
发展简况
1859~1860年法国人G.勃兰特发明蓄电池。1873年英国人R.戴维森制成第一辆有实用价值的电动汽车。1892年美国在芝加哥展出了本国第一辆电动汽车。以后美国电动汽车的产量不断增加。1900年,美国拥有8000辆汽车,其中电动汽车占38%。1915年美国电动汽车的产量达5000多辆,超过内燃机汽车产量。1920年以后,蓄电池汽车由于蓄电池的能量密度低、重量大、充电时间长、一次充电的行驶里程短、使用寿命短、成本高,因而逐渐被内燃机汽车所取代。60年代后期,由于内燃机汽车的噪声和排气污染成为严重的社会问题,电动汽车又重新引起各国的重视。
发展电动汽车的关键在于改善蓄电池的性能。电动汽车需要能量密度高、输出特性好、使用寿命长、制造成本低的蓄电池。但目前使用的铅酸蓄电池的理论能量密度为每公斤175瓦·时,实际仅达每公斤30~35瓦·时,不能满足作为汽车动力源的需要,因此世界各国都致力于高能蓄电池的研究工作。目前所研制的有钠硫蓄电池、铁镍蓄电池、镍锌蓄电池、锌氯蓄电池、锌空气蓄电池等,但均未取得重大突破。有的国家还正在研制氢燃料电池作为电动汽车的能源。
结构
电动汽车由底盘、车身、蓄电池组、电动机、控制器和辅助设施蓄电池六部分组成。由于电动机具有良好的牵引特性,因此蓄电池汽车的传动系统不需要离合器和变速器。车速控制由控制器通过调速系统改变电动机的转速即可实现。
电动汽车使用的电动机要求重量小、效率高、调速范围广、过载能力大、防潮防振性能好等。目前广泛采用的是直流串激式电动机,其工作性能较好地满足汽车各种运行工况的要求。
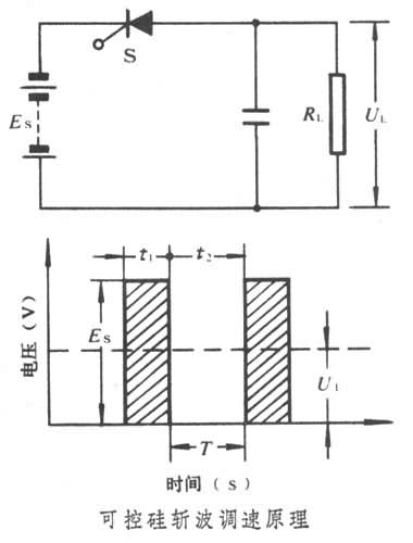
电动汽车的控制器要求能平稳和无级地改变车速,电能损耗少,并与蓄电池和电动机的特性相匹配。早期的控制器采用接触器来改变串联在转子电路中的电阻值,或改变蓄电池组的串联、并联方式来改变转子电路的电流值,从而控制转速。这种控制器的电阻消耗能量大,不能实现无级变速,触点在大电流的工况下易烧损,而且蓄电池组经常处于串联、并联变化状态,使充电、放电不能平衡,从而影响蓄电池的寿命,因此接触式控制器被逐渐淘汰。新型的可控硅斩波调速器利用可控硅的开关特性来改变电路的接通和断开时间比率,从而改变作用在电动机上的平均电压,以控制转速。如图
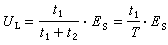
所示,在直流电源和负载RL之间装置一个可控硅开关 S,如果以一定周期使开关接通和断开,则输出电压UL(伏)可以用下式计算:
式中T为斩波周期(秒);ES为蓄电池组端电压(伏);t1、t2分别为开关接通时间和断开时间(秒)。
由上式可见,改变t1与t2间的比例,就能使输出电压从零到ES自动地调节。这种调速系统调速平稳、损耗小、寿命长、工作可靠。