[拼音]:tiaoxie fangdaqi
[外文]:tuned amplifier
以电容器和电感器组成的回路为负载,增益和负载阻抗随频率而变的放大电路。这种回路通常被调谐到待放大信号的中心频率上。由于调谐回路的并联谐振阻抗在谐振频率附近的数值很大,放大器可得到很大的电压增益。而在偏离谐振点较远的频率上,回路阻抗下降很快,使放大器增益迅速减小;因而调谐放大器通常是一种增益高和频率选择性好的窄带放大器。
调谐放大器广泛应用于各类无线电发射机的高频放大级和接收机的高频与中频放大级。在接收机中,它主要用来对小信号进行电压放大,所以大多工作于甲类放大状态。在发射机中它主要用来放大射频功率,因而大多工作于丙类或乙类状态(见功率放大器)。
调谐放大器的调谐回路可以是单调谐回路,也可以是由两个回路相耦合的双调谐回路。它可以通过互感与下一级耦合,也可以通过电容与下一级耦合(图1和图2)。一般说,采用双调谐回路的放大器,其频率响应在通频带内可以做得较为平坦,在频带边缘上有更陡峭的截止。超外差接收机中的中频放大器常采用双回路的调谐放大器。
单级调谐放大器的增益与带宽的乘积受到放大器件参数的限制。在器件已选定时,放大器的增益越高,带宽就越窄。为保证有足够的增益和适当的带宽,往往采用几级调谐放大器级联。有时将两级(或三级)放大器的回路分别调谐到两个(或三个)不同的频率上,构成参差调谐放大器。这种放大器具有较宽的频带,总增益较高,但放大器的调整较麻烦。雷达接收机的中频放大级常采用这类放大器。
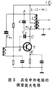
放大器件的杂散参量对调谐放大器的性能有影响。例如由于晶体管集电结电容CC的反馈作用,可能使放大器工作不稳定,甚至产生自激振荡。通常可用中和的方法加以消除。图3是带中和电路的调谐放大器,CN是中和电容器。输出信号由回路电感L经CN反馈至放大器的输入端,以抵消极间电容CC的内反馈。