白云石砖

由煅烧过的白云石砂制成的耐火材料制品。通常含氧化钙(CaO)40%以上,氧化镁(MgO)35%以上,还含有少量的氧化硅(SiO2)、氧化铝(Al2O3)、三氧化二铁(Fe2O3)等杂质。天然白云石的CaO/MgO比波动较大,若砖中的CaO/MgO比小于1.39,则称为镁质白云石砖

白云石砖按生产工艺可分为:焦油(沥青)结合不烧砖、轻烧油浸砖和烧成油浸砖。白云石砖含游离 CaO,在空气中易于水化崩裂,不宜长期存放。

原料

白云石是碳酸钙和碳酸镁的复盐,分子式为CaCO3·MgCO3,六方晶系,比重2.80~2.99,莫氏硬度3.5~4.5,理论组成为 CaO30.41%、MgO21.87%、CO247.72%,CaO/MgO比为1.39。中国白云石资源丰富,品质优良,其成分见表1。近年来,除采用天然白云石砂作制砖原料外,还用海水和石灰乳制得的合成镁质白云石砂,制造优质镁白云石砖。

图

制砖工艺

分为制备熟料和成砖两个步骤。

熟料煅烧

白云石矿石需先在1650~1850℃高温下煅烧成致密的白云石砂。熟料的烧结程度,通常用显气孔率、体积密度、真比重和抗水化性来衡量。煅烧设备和煅烧制度主要有:

(1)以焦炭为燃料,采用竖窑煅烧。由于煅烧温度一般只有1650~1700℃,且窑温不易均匀;因此,煅烧质量较差,欠烧品较多。此外,由于焦炭灰分的掺入,制得的白云石砂杂质含量高达6~10%。

(2)以重油为燃料,采用回转窑、竖窑煅烧。由于煅烧温度高达1700~1800℃,窑温均匀,无燃料灰分污染,因此质量良好。现在大多采用这种方法制取白云石熟料。有时为了提高熟料的抗水化性和降低烧结温度,还配加少量氧化铁粉(一般<3%),磨成细粉,成球或压坯,经高温回转窑煅烧,制得所谓半稳定性白云石砂。

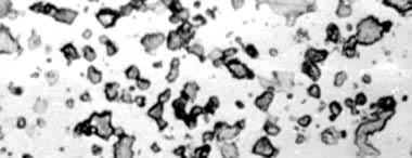
(3)二步活化煅烧。先将原矿经1000~1100℃轻烧,然后进行粉碎、消化〔加水生成熟石灰Ca(OH)2〕或部分消化、困料、压坯等工序,所得的“活化料”再用无灰燃料煅烧;此时的烧结温度可比未经活化处理的降低100~200℃,所制得的白云石砂纯度高,组织致密,成分均匀,抗水化性强。所合成的镁质白云石熟料显微结构见图。

二步煅烧合成镁质白云石熟料 反光 ×200 灰白色的基体为MgO, 黑色小点为CaO,深灰色团块为硅酸盐相 成砖

(1)焦油结合白云石砖:先将白云石砂预热或烘烤,一般粒度为8~30毫米的大颗粒烘烤到300~400℃,小于1毫米的细粉预热到100℃左右,然后按一定的颗粒组成配料,再加5~7%经脱水的热沥青,在130~170℃条件下搅拌、机压或振动成型制得。有时还需要经轻烧热处理。

(2)烧成油浸白云石砖:与焦油结合白云石砖相比,主要不同点是极限颗粒较细,一般不大于10毫米;结合剂加入量较少,一般在3%左右,常用石蜡、无规聚丙烯等作结合剂。通常机压成型后将砖坯在高温隧道窑烧成。烧后砖体再经真空-加压沥青浸渍,即得烧成油浸砖。

成分和性能

中国各类白云石砖和镁质白云石砖的成分和性能见表2。

图

用途

白云石砖广泛用于碱性转炉。中国转炉炉衬主要使用焦油结合的白云石砖和焦油结合的镁质白云石砖,有些工厂在易损部位使用轻烧油浸和烧成油浸镁质白云石砖。西欧和日本等国转炉主要使用焦油结合热处理的和烧成油浸的白云石砖和镁质白云石砖。此外,烧成油浸镁质白云石砖还用作某些炉外精炼炉的内衬。