水泥

一种细磨材料,加入适量水后成为塑性浆体,既能在空气中硬化,又能在水中硬化,并能把砂、石等材料牢固地粘结在一起,形成坚固的石状体的水硬性胶凝材料。水泥是无机非金属材料中使用量最大的一种建筑材料和工程材料,广泛用于建筑、水利、道路、石油、化工以及军事工程中。近年来,工业发达国家的水泥产量因需要量基本达到饱和,水泥年产量已趋于平稳或下降,而中国等发展中国家的水泥产量则增长较快,例如:1983年世界水泥产量为900Mt,中国的水泥产量则为100Mt。

沿革

大约2000年前,希腊和古罗马人在建筑工程中使用了一种石灰和火山灰的混合物,它们在水中缓慢反应生成坚硬的固体,这是最早应用的水泥。19世纪初,英、法等国将粘士化的石灰(或泥灰岩)经烧结成为水硬性材料,当其中氧化铝和氧化硅含量之和达到20%~35%时,称为天然水泥。这种水泥的烧成温度低,不控制成分。1824年英国人J.阿斯普丁用石灰石和粘土的人工混合物烧成一种水硬性的胶凝材料,它在凝结硬固后的颜色、外观和当时英国用于建筑的优质波特兰石头相似,故称之为波特兰水泥。他为此取得了专利,1825年,在英国建厂生产。但阿斯普丁所得产物。因烧成温度低而质量不够好。真正类似于现在的波特兰水泥是1850年英国人I.C.约翰孙制造的。从此开始了波特兰水泥工业。一百多年来,硅酸盐水泥的生产工艺和性能不断得到改进,同时又研制了为数众多的新品种,迄今已发展到100多种水泥。

中国在1889年于唐山建立了第一座水泥厂,1906年在唐山成立启新洋灰股份有限公司(见启新水泥厂),开创了中国的水泥工业。1949年的水泥产量为660kt,到1984年已达 120Mt,水泥品种也从单一的硅酸盐水泥发展至60多个品种。(见彩图)

中国大型水泥厂之一——湘乡水泥厂

分类

水泥的分类方法有多种:

(1)根据生产的原料性质分为天然水泥、有熟料水泥(用石灰石和粘土按所需成分配合,在较高温度下煅烧得到的产物称为熟料)和无熟料水泥(利用粉煤灰、高炉矿渣等工业废料或天然火山灰与石灰、水玻璃等碱性激发剂以及石膏按比例磨细,不经煅烧而制得的水泥)。

(2)根据水泥的性能,可分为快硬水泥(早强水泥)、低热水泥、膨胀水泥、耐酸水泥、耐火水泥等。

(3)根据用途,可分为油井水泥、大坝水泥、喷射水泥、海工水泥等。

(4)根据水泥中主要化学成分,分为硅酸盐水泥、铝酸盐水泥(高铝水泥)、磷酸盐水泥等,后者应用较少。虽然水泥的品种繁多,但95%以上属硅酸盐水泥类,只是根据工程的要求改变其中化学组成,或在使用时加入某些调节性能的物质而已。

硅酸盐水泥

一类以高碱性硅酸盐为主要化合物的水硬性水泥的总称(在西方国家通称波特兰水泥)。它是将钙质(石灰石等)和铝硅酸质(粘土等)原料按一定比例混合,磨细后在水泥窑内经高温(约1720K)煅烧,得到水泥熟料,再与适量的石膏共同研磨至一定细度而制得的。

性能

硅酸盐水泥的相对密度为3.1~3.2。水泥与水接触会放出热量,经过一定时间便凝结(不同品种的水泥有不同的凝结时间)。为保证水泥有合适的凝结时间,常加入适量的石膏,化肥工业副产品磷石膏、氟石膏也可作代用品。石膏的加入量主要决定于水泥熟料中铝酸盐的含量,加入量以三氧化硫计不能超过3.5%。水泥应有良好的体积安定性。凝结后的水泥在空气中和水中很快硬固并具有机械强度(抗压和抗折强度)。一般以水泥:砂=1:2.5的砂浆试样在水中养护3天、7天和28天的抗压和抗折强度,均符合国家标准作为水泥的强度指标,以kg/cm2计,并以28天的抗压强度的数值称为水泥的标号。硅酸盐水泥常用标号有325、425、525和625。一些高强和超高强水泥的标号,甚至可达1000以上。水泥熟料中各矿物与水接触时发生水化反应(即水合),同时生成氢氧化钙、水化硅酸钙凝胶、水化铝酸钙和水化铁酸钙等。当有石膏时,后两种水化物分别生成水化硫铝酸钙和水化硫铁酸钙。水泥浆体在干燥条件下会收缩,在潮湿环境下会膨胀。氢氧化钙和水化铝酸钙将受海水中硫酸盐的侵蚀作用,因此对海港等所用水泥要限制水泥中铝酸钙的含量。若水泥中碱含量过高,而制成混凝土的集料又含有活性氧化硅时,还会发生碱-集料反应,体积膨胀,水泥石和混凝土将会毁坏。熟料中过多的游离氧化钙和方镁石在水化反应时,也产生体积膨胀,造成水泥体积安定性不良,这种水泥就不合格。

品种

硅酸盐水泥根据其中矿物组成的变化和外加混合材料的不同而有不同的品种。熟料中只加石膏而制得的水泥称纯硅酸盐水泥,如在其中加入高炉矿渣、粉煤灰或火山灰等混合材料,则分别称为矿渣硅酸盐水泥、粉煤灰硅酸盐水泥和火山灰硅酸盐水泥。如果上述混合材料的加入量不超过15%,则称为普通硅酸盐水泥(简称普通水泥)。上述五种水泥的生产量最大,常称为五大品种水泥。根据工程要求,在生产过程中可以改变水泥熟料的化学成分,从而生成的各种矿物的含量有差别,如对于高温油井水泥要求硅酸二钙含量增多;大坝用水泥则要求铝酸钙和硅酸三钙的含量低;白色硅酸盐水泥要求氧化铁的含量小于 0.5%;快硬水泥应使硅酸三钙的含量高等。从节约能源和开拓资源出发,生产硅酸盐水泥时,组分中有时还加入石膏和萤石,提高氧化铁含量,降低氧化钙含量,生成以硅酸二钙、铁铝酸钙和无水硫铝酸钙为主要矿物的水泥熟料。有的水泥中并含有少量的氟铝酸钙。

原料

硅酸盐水泥熟料中的主要化学组成是氧化钙、氧化硅、氧化铝和氧化铁。氧化钙主要来源于石灰质原料,如石灰石、白垩、泥灰岩等;氧化铝和氧化硅则来源于含硅酸铝的物质,如粘土、高炉矿渣、粉煤灰等;氧化铁则利用硫酸生产中的硫铁矿渣。用于生产硅酸盐水泥的石灰质原料中的氧化钙含量一般在52%左右;粘土质原料中的氧化硅含量达57%左右,氧化铝的含量则小于20%。为了降低煅烧温度,并在煅烧过程中生成一部分熔融物,常加少量氧化铁原料。对原料还要控制其中碱和氧化镁的含量,即在水泥熟料中氧化镁的含量应小于5%,总碱量(Na2O+K2O)对于一般水泥应小于1.2%,对低碱水泥则应小于0.6%。

生产工艺

硅酸盐水泥生产工艺流程可分为生料制备、熟料煅烧、水泥制成(粉磨)和包装等过程。

(1)生料制备 包括从原料破碎开始至成分调配到合乎要求的生料过程。生料制备有干法和湿法两种方法。在干法制备过程(图1)中,

图1

石灰石等大块硬质原料,按传统工艺是先经过一次破碎至大小在100mm左右的块料,或再经第二次破碎至小于25mm的块料(近年来已发展一次即破碎至小于25mm的块料工艺)。粘土等含水原料则应经烘干再与石灰石、铁矿石等按比例送入磨机内,研磨成细的生料粉,输入搅拌库,在库中用压缩空气搅拌,并调整成分至合格的生料粉。湿法制备生料过程与干法的主要区别,在于粘土是先用水淘洗成泥浆,与石灰石和铁矿石共同研磨至含水分约为35%的生料浆。干法制备生料的主要优点是在煅烧水泥熟料时的热耗比湿法低,每千克熟料的热耗只需要3.6~4.6MJ,而湿法需要 5.2~6.3MJ。但湿法制备的生料成分较易均匀。一些先进干法生产水泥厂,近年来采用原料预均化和生料成分自动控制等措施,以保证生料粉成分的均匀。

生料的研磨在不同类型的磨机中进行,主要有球磨、管磨、立式磨和烘干与研磨同时进行的中间卸料磨等。为节约研磨过程的电能、提高磨机效率,生产中常采用闭路(圈流)式粉磨,即将出磨机物料先经过一个颗粒分级设备──选粉机,选出细颗粒部分作为产品,粗颗粒部分返回磨机内继续研磨。闭路系统粉磨比开路粉磨(不经过选粉机分级)的产量约可提高15%~25%,并减少了过粉碎现象。缺点是设备投资大、操作和管理较复杂。近年来,又采用一种新型的带选粉机的立式辊轮磨(图2),将破碎、研磨、干燥和分级在同一个装置内完成。目前,最大的立式磨每小时产量可达400t。

图

(2)熟料煅烧 已制备好的生料在不同型式的窑内煅烧成水泥熟料。一般生料粉或生料浆在回转窑内煅烧,中国大多数小型水泥厂均采用立窑煅烧,用立窑煅烧时生料粉中混入需要的煤粉,并加适量水混合制成直径为10~30mm的生料球。立窑煅烧的水泥熟料质量略差,但煅烧温度低,耗煤量较小。为了节约能耗、提高回转窑的生产能力,自70年代开始发展了窑尾带预热器和分解炉的窑外分解技术。

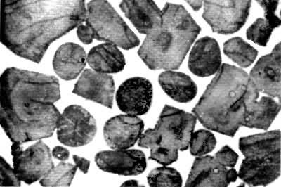
水泥生料在窑内受热过程中发生一系列物理和化学变化,如游离水的蒸发、粘土脱去结晶水碳酸钙分解成氧化钙。后者与粘土中的氧化硅和氧化铝及铁矿石间发生固相反应生成化合物,它们的存在形式主要有四种,即硅酸三钙(3CaO·SiO2,简写C3S)、硅酸二钙(2CaO·SiO2,简写C2S),铝酸三钙(3CaO·AI2O3,简写C3A)和铁铝酸四钙(4CaO·Al2O3·Fe2O3,简写C4AF)。还有少量未化合的氧化钙和方镁石 (MgO)。有时还有硫酸盐、钛酸盐等,但数量更少。由于熟料中还含有其他氧化物,上述各化合物并不是以纯的状态存在,往往固溶有其他各种氧化物。故又将它们按照矿物相(即晶相)来命名,如硅酸三钙称阿利特,它在熟料中占50%以上;硅酸二钙称贝利特,约含有25%;铝酸三钙为铝酸盐;铁铝四钙称才利特。从反光显微镜下观察到的水泥熟料结构(图3)可见到六方晶体是阿利特,圆粒晶体是贝利特。晶体间的物质系由于物料在1450℃左右温度下有约30%熔融经冷却后形成,称中间相,其中亮的部分是才利特,又称白色中间相(即无定形的非晶相),暗色的是铝酸盐,又称黑色中间相。水泥熟料化学成分(%)有一定范围要求,氧化钙62~67,氧化硅20~24,氧化铝4~7,氧化铁3~5。

图3  水泥熟料显微结构

(3)水泥制成和包装 从窑内出来的水泥熟料经冷却后加入适量石膏(控制水泥中SO3≤3.5%),在磨机内研细,制成硅酸盐水泥。水泥研磨的细度对水泥质量影响较大,提高细度,可提高水泥的强度,但相应的电耗也增大。细度一般控制在0.08mm方孔筛上的筛余量不大于10%,或者比表面积在3000cm2/g左右。水泥研磨过程中的粉尘较大,因此在设备进出口、输送过程及包装处均应安装收尘设备,如沉降室、旋风收尘器、袋收尘器等。一些先进的工厂中均装有电除尘器。在中国还利用含K2O高的粘土或钾长石代替粘土原料,在煅烧过程中使氧化物挥发至尘埃中,收集含K2O较高的粉尘,可以作钾肥使用。水泥粉常用纸袋包装,但近年来已大量改用散装船、散装车输送,提高了装运效率,降低了成本。

用途

广泛用于民用和工业用的建筑工程,例如油田和气田的固井、水利工程中的大体积坝体、军事抢修工程,还可用于作耐酸、耐火材料,坑道中喷射封顶以代替坑木。水泥还可以代替木材和钢材用于多种场合,如电线杆、铁路枕轨、输油和输汽管道、贮原油和贮气罐等。

高铝水泥

又称矾土水泥,它是以低碱性铝酸盐为主要矿物的水硬性材料。生产高铝水泥的原料是石灰石和矾土,有烧结法和熔融法。中国以烧结法生产为主。其主要化学成分(%):氧化钙32~34,氧化铝50~60,氧化硅4~8,氧化铁1~3,氧化亚铁0~1,氧化钛1~3。烧成后的矿物有:铝酸一钙(CaO·Al2O3,简写CA)、二铝酸一钙(CaO·2Al2O3,简写CA2)、七铝酸十二钙(12CaO·7Al2O3,简写 C12A7)、硅酸二钙、铝硅酸二钙(2CaO·Al2O3·SiO2简写C2AS)和少量钛酸钙(CaO·TiO2,简写CT)。中国生产的高铝水泥的主要的矿物组成(%)范围是:CA40~50,CA220~35,C2AS20~30。CA是水硬性很高的矿物,凝结速度不快,但硬化迅速,早期强度高。CA2水硬性较低,C2AS在结晶状态下不具水硬性。

高铝水泥的早期强度发展很快,24小时即达极限强度值的80%,并以3天抗压强度值作为它的标号(包括1天、3天的抗压和抗折强度),标号有425、525、625和725。 高铝水泥具有良好的抗硫酸盐性和一定的耐高温性,它在900℃和1300℃尚可分别保留原有强度的 70%和53%。它主要用于抢修工程,早期强度要求高、抗硫酸盐腐蚀和抗冻等的工程。它适于冬季施工,但不适于作为永久性结构材料。它还可以与耐火集料配合制成耐火混凝土,用作工业窑炉的内衬。高铝水泥亦可配制成不同的品种,有铝酸盐自应力水泥、铝酸盐膨胀水泥和耐火度不低于1580℃的耐热混凝土等。中国于1955年开始生产高铝水泥,并首次采用回转窑烧结法生产。

参考文章