Ëæ×ÅĤ²ÄÁϵIJ»¶Ï·¢Õ¹ºÍĤ¼Û¸ñµÄ²»¶ÏϽµ£¬³¬Â˼¼ÊõÔÚÒûÓÃË®Éî¶È´¦ÀíÖеÄÓ¦ÓÃÒ²Ô½À´Ô½¹ã·º¡£Ïà±ÈÓÚ΢ÂËĤ£¬³¬ÂËĤ¾ßÓиüСµÄÄÉÃ×¼¶¿×¾¶£¬Òò´Ë¿ÉÓÐЧȥ³ýË®ÖеÄÐü¸¡Îï¡¢´ó·Ö×ÓÓлúÎï¡¢ÔåÀà¡¢¡°Á½³æ¡±¡¢Ï¸¾úÉõÖÁÊDz¡¶¾µÈ΢ÉúÎ¿ÉÓÐЧ±£ÕÏÒûÓÃË®µÄÉúÎﰲȫÐÔ£¬±»ÈÏΪÊǵÚÈý´ú³ÇÊÐÒûÓÃË®¾»»¯¹¤ÒյĺËÐÄ¡£µ«ÊÇ£¬³¬ÂËĤÊôÓÚµÍѹĤÂË·¶³ë£¬Æä¶ÔË®ÖеÄÈܽâÐÔÓлúÎïÈ¥³ýЧ¹û²»¼Ñ£»¶øÇÒ£¬³¬ÂËĤÔÚÔËÐеĹý³ÌÖн«²»¿É±ÜÃâµÄ²úÉúĤÎÛȾ£¬µ¼ÖÂÔËÐÐÄܺÄÔö´ó¡¢ÇåϴƵ·±¡£Í¨³£ÐèÒª½«³¬ÂËÓë»ìÄý¡¢»îÐÔÌ¿Îü¸½¡¢»¯Ñ§Ñõ»¯µÈÔ¤´¦Àí¹¤ÒÕ×éºÏʹÓÃÀ´¿Ë·þÉÏÊöÎÊÌâ¡£
»ìÄý-³Áµí-ɰÂËÊÇË®³§³£¹æ´¦Àí¹¤ÒÕµÄÖ÷ÌåÁ÷³Ì£¬Ä¿Ç°³¬Â˼¼ÊõÔÚʵ¼ÊÒûÓÃË®´¦Àí¹¤³ÌÖеÄÓ¦ÓÃÒ²Ö÷ÒªÌåÏÖÔÚ¶Ô³£¹æ¹¤ÒÕµÄÉý¼¶¸ÄÔìÉÏ¡£±ÊÕß½«³¬ÂËÓë³£¹æ¹¤ÒÕµÄñîºÏ¶Îλ½øÒ»²½Ç°ÒÆ£¬¿¼²ìÔÚ±£Ö¤¹©Ë®Ë®ÖʵÄÌõ¼þÏ£¬ÄÜ·ñ½øÒ»²½½ÚʡռµØÃæ»ý¡¢»òÔÚͬÑùµÄÕ¼µØÃæ»ýϽøÒ»²½Ìá¸ß²úË®ÄÜÁ¦¡£ÒÔ±±½Ë®ÎªÑо¿¶ÔÏ󣬷ֱðÕë¶Ô³Áµí³Ø½øË®¡¢³Áµí³ØÖв¿Ë®Ñù¡¢³Áµí³Ø³öË®¿ªÕ¹Á˳¬ÂËÖÐÊÔÊÔÑ飬Ñо¿Á˲»Í¬»ìÄý³Áµí¶Î볬Â˺ó³öˮˮÖʵı仯¹æÂɺͳ¬ÂËĤÎÛȾµÄÇé¿ö¡£
1ÊÔÑé²ÄÁÏÓë·½·¨
1.1ÊÔÑé·½·¨Ó빤ÒÕÁ÷³Ì
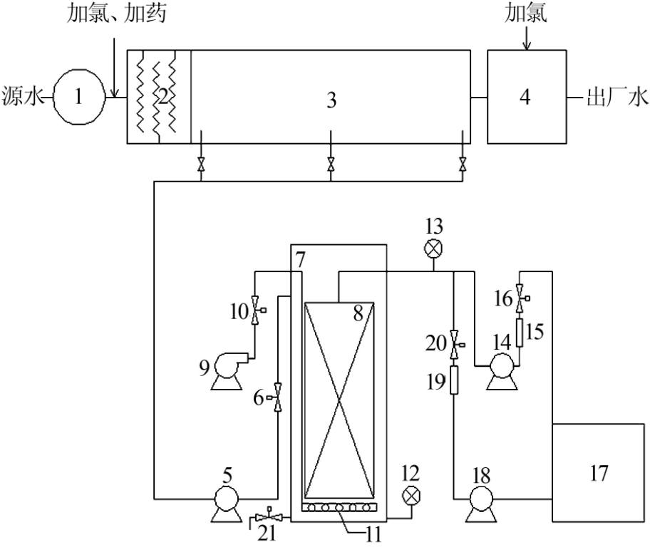
ÊÔÑéÔÚÄÏ·½Ä³Ë®³§½øÐУ¬ËùÓÃˮԴΪ±±½Ë®£¬Ë®³§²ÉÓá°»ìÄý-³Áµí-ɰÂË¡±¹¤ÒÕ£¨ÒÔϼò³ÆD¹¤ÒÕ£©¡£³¬ÂËʵÑé×°ÖÃΪÖÐÊÔ¼¶±ðµÄ½þûʽ³¬ÂËĤϵͳ£¬Èçͼ1Ëùʾ¡£
ÊÔÑéÓÃÔË®·Ö±ðÈ¡×ÔË®³§Æ½Á÷³Áµí³ØµÄ½øË®¶Ë¡¢Öв¿ºÍ³öË®¶Ë£¬ÎªÈ·±£ËùÈ¡ÔˮˮÖʾßÓдú±íÐÔ£¬¾ùÔÚÒºÃæÒÔÏÂ1m´¦È¡Ë®£¬×ÔÁ÷½øÈë¹ÜµÀϵͳ£¬Ö®ºóͨ¹ýÌáÉý±ÃÊäËÍÖÁ³¬ÂËĤÖÐÊÔʵÑéϵͳ¡£³¬ÂËĤ²ÉÓÃÁ¢Éý¹«Ë¾ÌṩµÄ½þûʽÖпÕÏËάPVCÍ¿¸²Ä¤£¬×ÜÓÐÐ§Ä¤Ãæ»ýΪ44m2£¬¹«³Æ¿×¾¶Îª0.02¦Ìm¡£³¬ÂËĤ³ØÎªÄ͸¯Ê´¸Ö²ÄÁÏ£¬ÓÐЧÈÝ»ýÔ¼1.5m3¡£³¬ÂËϵͳµÄÔËÐÐÓÉPLC×Ô¶¯¿ØÖÆ£¬ÊÔÑéÆÚ¼äÏà¹ØÔËÐвÎÊýΪ£ºÄ¤Í¨Á¿50L/£¨m3?h£©£¬¹ýÂËÖÜÆÚ90min£¬·´Ï´Ê±¼ä60s£¬·´³åϴͨÁ¿80L/£¨m3?h£©£¬Í¬Ê±ÔÚĤ×é¼þµ×²¿ÉèÖÃÆØÆø¹Ü£¬Ë®·´³åÏ´¹ý³ÌÖÐҲͬʱ½øÐÐÆØÆø£¬ÆøÏ´Ç¿¶È25m3/£¨m3?h£©£¨ÒÔĤ×é¼þµ×Ãæ»ý¼ÆË㣩£»ÔËÐÐ16¸öÖÜÆÚ£¨Ô¼24h£©Ö®ºó¶Ô³¬ÂËĤ³Ø½øÐÐÅÅÄ࣬ÅÅÄàÁ¿Ô¼Îª1m3¡£
Ñо¿ÖÐΪ·½±ãÆð¼û£¬ÒÔ³Áµí³Ø½øË®ÎªÔË®µÄ³¬Â˹¤ÒÕ¼ò³ÆÎªA¹¤ÒÕ£¬ÒÔ³Áµí³ØÖв¿Ë®ÑùΪÔË®µÄ³¬Â˹¤ÒÕ¼ò³ÆÎªB¹¤ÒÕ£¬ÒÔ³Áµí³Ø³öˮΪÔË®µÄ³¬Â˹¤ÒÕ¼ò³ÆÎªC¹¤ÒÕ¡£¸÷¸ö³¬Â˹¤ÒÕ¾ù°´ÉÏÊö²ÎÊýÁ¬ÐøÔËÐУ¬Ö±ÖÁ¿çĤѹÔö³¤µ½½Ï¸ßˮƽ£¨Ò»°ãΪ40¡«50kPa£©£¬Ö®ºóÍ£Ö¹ÔËÐУ¬¶Ô³¬ÂËĤÒÔNaOHºÍ´ÎÂÈËáÄÆ½øÐл¯Ñ§ÇåÏ´£¬Çл»ÖÁÏÂÒ»¹¤ÒÕ¼ÌÐøÔËÐС£
1.2¼ì²âÏîÄ¿Óë·ÖÎö·½·¨
ÊÔÑéÆÚ¼ä¶ÔË®³§Ë®Ô´Ë®¡¢³¬Â˽øË®¡¢³¬Â˳öË®ÒÔ¼°É°Â˳سöˮˮÖÊÿÌ춨ʱȡÑù¼ì²â£¬¼ì²âÏîÄ¿°üÀ¨Ë®Î¡¢×Ƕȡ¢CODMn¡¢UV254¼°NH4+-NµÈ¡£
ˮΡ¢CODMn¡¢NH4+-NµÈ¾ù²ÉÓñê×¼·½·¨²â¶¨¡²7¡³£¬×ǶȲÉÓùþÏ£2100N̨ʽ×ǶÈÒDzⶨ£¬UV254²ÉÓõº½òUV-2550×ÏÍâ¿É¼û·Ö¹â¹â¶È¼Æ²â¶¨£¨Ë®Ñù²â¶¨Ç°¾0.45¦ÌmÂËĤ¹ýÂË£©¡£ÊÔÑé¹ý³ÌÖУ¬ÖÐÊÔϵͳ¶¨Ê±¶Ô¿çĤѹ£¨TMP£©½øÐмì²â¼Ç¼£¬Òòˮεı仯½«»á¶ÔTMPÔì³ÉÓ°Ï죬Ϊ´ËÊý¾Ý´¦ÀíÖоù²ÉÓÃζÈУ׼¹«Ê½¡²8¡³½«TMPͳһ¹é»¯Îª20¡æÏµÄTMPÖµ£¨TMP20£©£¬ÒÔ±ã¶Ô²»Í¬¶ÎλµÄ³¬ÂËĤÎÛȾ½øÐжԱȡ£
1.3ÊÔÑéÆÚ¼äԴˮˮÖÊ
¸÷³¬Â˹¤ÒÕÔËÐÐÆÚ¼ä±±½Ë®Ô´Ë®Ë®ÖÊÇé¿öÈç±í1Ëùʾ£¨ÆäÖÐA¹¤ÒÕ¹²ÔËÐÐ4d£¬B¡¢C¹¤ÒÕ¸÷ÔËÐÐ14d£©¡£
2½á¹ûÓëÌÖÂÛ
2.1²»Í¬³¬Â˹¤Òյľ»Ë®Ð§ÄÜ
2.1.1¶Ô×ǶȵÄÈ¥³ýЧ¹û
²»Í¬¶Î볬Â˹¤ÒÕ¶ÔË®ÖÐ×ǶȵÄÈ¥³ýÇé¿ö±È½ÏÈçͼ2Ëùʾ¡£
ÓÉͼ2¿É¼û£¬Ë®Ô´Ë®ÖеÄ×ǶȳÊÏÖ³öÖð½¥ÉÏÉýµÄÇ÷ÊÆ£»µ«ÊÇÓÉÓÚ³¬ÂËÓë³£¹æ»ìÄý³Áµíµ¥ÔªñîºÏµÄ¶ÎλÖ𽥺óÒÆ£¬³¬ÂËĤ³ØµÄ½øË®×ǶÈÔòÔ½À´Ô½µÍ¡£¶øÎÞÂÛˮԴˮºÍ³¬Â˳ؽøË®µÄ×ǶÈÈçºÎ±ä»¯£¬³¬Â˳öË®µÄ×ǶÈʼÖÕÎȶ¨ÔÚ0.1NTU×óÓÒ£¬ÒÀ´ÎΪ0.10¡À0.005¡¢0.10¡À0.010¡¢0.099¡À0.007NTU£¬ÏÔÖøµÍÓÚͬÆÚ³£¹æË®´¦ÀíÁ÷³ÌÖÐɰÂ˳صijöË®Çé¿ö£¨·Ö±ðΪ0.249¡À0.047¡¢0.160¡À0.01¡¢0.192¡À0.033NTU£©¡£ÓÉ´Ë¿ÉÖª£¬ÎÞÂÛ³¬ÂËÊÇÔÚºÎÖÖ¶ÎλÓë»ìÄý³Áµíµ¥ÔªñîºÏ£¬³¬ÂËĤ¾ùÄܱ£Ö¤¶Ô×ǶÈÎȶ¨¶øÓÅÒìµÄÈ¥³ýЧ¹û£¬ÕâÊÇÒòΪ³¬ÂËĤÖ÷ÒªÒÀ¿¿ÆäÄÉÃ×¼¶µÄ¿×¾¶ÊµÏÖ¶Ô¿ÅÁ£ÐÔÎïÖʵÄɸÂ˽ØÁô£¬²»ÊܽøË®Ë®ÖÊÌõ¼þµÄÓ°Ïì¡£
´ËÍ⣬ÓÉÓÚË®ÖеÄϸ¾ú¡¢²¡¶¾µÈ΢ÉúÎïͨ³£ÊǸ½×ÅÓÚ¿ÅÁ£ÐÔÎïÖÊÖ®ÉÏ¡²2¡³£¬Òò´Ë¶ÔË®ÖÐ×ǶȵÄÇ¿»¯È¥³ýÒ²±Ø½«¼«´óµØÌá¸ßÒûÓÃË®µÄ΢ÉúÎﰲȫÐÔ£¬½µµÍË®½é´«È¾²¡µÄ±©·¢·çÏÕ£¬ÕâÒ²Êdz¬Â˼¼ÊõÔÚÒûÓÃË®Éî¶È´¦ÀíÖÐÒ»¸öÍ»³öµÄÓÅÊÆ¡£
2.1.2¶ÔÓлúÎïµÄÈ¥³ýЧ¹û
¿¼²ì²»Í¬³¬Â˹¤ÒÕ¶ÔCODMnµÄÈ¥³ýЧ¹û±È½ÏÈçͼ3Ëùʾ¡£
ÓÉͼ3¿É¼û£¬ÊÔÑéÆÚ¼ä£¬Ë®Ô´Ë®ÖʳöÏÖÁËÒ»¶¨³Ì¶ÈµÄ²¨¶¯£¬A¡¢B¡¢C3ÖÖ³¬Â˹¤ÒÕµÄÔ´Ë®CODMn·Ö±ðΪ2.40¡À0.34¡¢1.78¡À0.08¡¢1.86¡À0.12mg/L£¬³öË®CODMn·Ö±ðΪ1.19¡À0.06¡¢0.98¡À0.11¡¢1.14¡À0.10mg/L¡£¿É¼û£¬³¬ÂËÔÚ²»Í¬µÄ»ìÄý³Áµí¶ÎλÓëÖ®ñîºÏʱ¾ù±íÏÖ³ö¶ÔCODMnÁ¼ºÃµÄÈ¥³ýЧÄÜ£¬È¥³ýÂÊ·Ö±ð´ïµ½ÁË49.41%¡À7.55%¡¢44.63%¡À5.91%ºÍ38.41%¡À5.61%¡£µ«ÊÇ£¬Í¨¹ýÊÔÑé·¢ÏÖ£¬¶ÔÓÚ²»Í¬µÄ³¬Â˹¤ÒÕ£¬Æä³öË®ÖеÄCODMnº¬Á¿¾ùÂÔ¸ßÓÚͬÆÚµÄɰÂ˳سöË®¡£Õâ¿ÉÄÜÊÇÓÉÓÚɰÂ˳ؾ¹ý³¤ÆÚµÄÔËÐÐÒѾÐγÉÁËÎȶ¨µÄÉúÎïĤÌåϵ£¬¶ÔË®ÖÐС·Ö×ÓÖÊÁ¿µÄ¿É½µ½âÓлúÎï¿Éͨ¹ýÉúÎï½µ½â×÷ÓýøÒ»²½È¥³ý£¬¶ø³¬ÂËĤµÄÖ÷Òª»úÀíΪĤ¿×µÄÎïÀí½ØÁô£¬¶ÔС·Ö×ÓÓлúÎïÈ¥³ýЧ¹û²»¼Ñ¡£È»¶ø£¬ÎÞÂÛÊÇÔÚºÎÖÖ¶Îλ½øÐг¬ÂËÓë»ìÄý³Áµíµ¥ÔªµÄñîºÏ£¬Æä³öË®µÄCODMn¶¼¿ÉÎȶ¨ÔÚ1.2mg/LÒÔÏ£¬ºÜºÃµØÂú×ãÁËÒûÓÃˮˮÖʱê×¼£¨GB5749¡ª2006£©µÄÒªÇó¡£
¿¼²ì²»Í¬³¬Â˹¤ÒÕ¶ÔUV254µÄÈ¥³ýÇé¿ö½á¹û±íÃ÷£ºÊÔÑéÆÚ¼ä£¬Ô´Ë®UV254µÄ±ä»¯·ù¶È½ÏС£¬·Ö±ðΪ0.033¡À0.005¡¢0.030¡À0.004¡¢0.036¡À0.004cm-1£»A¡¢B¡¢C3ÖÖ³¬ÂË×éºÏ¹¤ÒÕ¶ÔUV254µÄ×ÜÌåÈ¥³ýЧÂÊÒ²½ÏΪ½Ó½ü£¬·Ö±ðΪ27.05%¡À6.89%¡¢27.48%¡À4.77%¡¢27.73%¡À5.34%¡£µ«ÊÇ£¬Í¨¹ýÊÔÑé·¢ÏÖ£¬×éºÏ¹¤ÒÕ¶ÔUV254µÄÈ¥³ýÖ÷ÒªÊÇͨ¹ý»ìÄý/³Áµíµ¥ÔªÍê³ÉµÄ£¬µ¥¶ÀµÄ³¬Â˶ÔUV254µÄÈ¥³ýÄÜÁ¦ÓÐÏÞ¡£UV254Ö÷Òª±íÕ÷Ë®ÖдøÓб½»·»ò¹²éîË«¼üµÄÈܽâÐÔ¸¯Ö³ÖÊÀàÓлúÎÆä·Ö×ӳ߶ÈԶСÓÚ³¬ÂËĤµÄĤ¿×¿×¾¶£¬µ«È´¿Éͨ¹ý»ìÄý×÷Óõõ½½ÏºÃµÄÈ¥³ý¡£ÊÔÑ黹±íÃ÷£¬Í¬ÆÚË®³§Êµ¼ÊɰÂ˳سöË®µÄUV254ÖµÒª¸ßÓÚ³¬Â˳öË®£¬ÉõÖÁ¸ßÓÚ³¬Â˽øË®£¨»ìÄý/³Áµí³öË®£©£¬ÔÒò¿ÉÄÜΪɰÂ˳ØÂËÁϱíÃæÉú³¤×ÅÎȶ¨µÄ΢ÉúÎïȺÂ䣬ÆäÔÚ½µ½â½øË®ÖÐËùЯ´øÎÛȾÎïµÄͬʱ×ÔÉíÒ²²úÉúÒ»¶¨µÄ´úл²úÎ×îÖÕµ¼Ö³öË®Öи¯Ö³ÖÊÀàÓлúÎﺬÁ¿ÓÐËùÉý¸ß¡£
2.1.3¶Ô°±µªµÄÈ¥³ýЧ¹û
¿¼²ìÁ˲»Í¬¶Îλ»ìÄý³Áµí-³¬ÂËñîºÏ¹¤ÒÕ¶ÔNH4+-NµÄÈ¥³ýÇé¿ö¡£½á¹û·¢ÏÖ£¬»ìÄý/³Áµí¶ÔÓÚNH4+-N¼¸ºõûÓÐÈ¥³ý×÷Óã¬ÊÔÑéÆÚ¼ä£¬A¡¢B¡¢C3×鹤ÒÕÖг¬Â˽øË®NH4+-N·Ö±ðΪ0.330¡À0.10¡¢0.160¡À0.023¡¢0.207¡À0.046mg/L£»³¬Â˳öË®NH4+-NÔòΪ0.318¡À0.095¡¢0.024¡À0.005¡¢0.109¡À0.016mg/L£»³¬ÂË´¦Àí¶ÔNH4+-NµÄÈ¥³ýÂÊÒÀ´ÎΪ2.82%¡À2.14%¡¢64.67%¡À7.43%¡¢40.41%¡À11.80%¡£
Ò»°ãÈÏΪ£¬½þûʽ³¬ÂËĤ¶ÔNH4+-NµÄÈ¥³ýÖ÷ÒªÊÇÒÀ¿¿Ä¤Â˳ØÄÚµÄÉúÎï½µ½â×÷Ó᣶øA¹¤ÒÕÔËÐÐÆÚ¼äÆ½¾ùˮνöΪ13.7¡æ£¬²»ÀûÓÚÏõ»¯Ï¸¾úµÄÉú³¤Óë·±Ö³£»²¢ÇÒÓÉÓÚĤÎÛȾ½ÏΪÑÏÖØ£¬¸Ã¹¤ÒÕ½öÔËÐÐÁË4d£¬Ê¹ÎÞ·¨»ýÀÛ³ö×ã¹»µÄÏõ»¯¾úÊýÁ¿À´Âú×ã³ýNH4+-NµÄÒªÇó¡£B¹¤ÒÕÔËÐÐÆÚ¼äÆ½¾ùË®ÎÂΪ23.8¡æ£¬ÊôÓÚÏõ»¯Ï¸¾ú½ÏΪÊÊÒ˵ÄÉú³¤Î¶ȣ¬ÓÐÀûÓÚ´úл»î¶¯µÄ½øÐУ¬Òò´ËÒ²±íÏÖ³öÓÅÁ¼µÄ³ýNH4+-NЧÄÜ¡£C¹¤ÒÕÔËÐÐÆÚ¼äË®ÎÂÓÖϽµÖÁ20.8¡æ£¬Î¶ȵĽµµÍÔÙ´ÎÒýÆðÁËÉúÎï»îÐԵĽµµÍ£¬Ò²Ó°ÏìÁËÏõ»¯¾ú¶ÔNH4+-NµÄÑõ»¯È¥³ý¡£ÓÉÒÔÉÏÌÖÂÛ¿ÉÖª£¬½þûʽ³¬ÂËϵͳ¶ÔNH4+-NµÄÈ¥³ýÊÜˮεÄÓ°Ïì½ÏΪÑÏÖØ£¬ÈçºÎͨ¹ý¶ÔÔËÐй¤¿öµÄÓÅ»¯£¬´ïµ½Îȶ¨¸ßЧȥ³ýNH4+-NµÄÄ¿µÄ£¬ÈÔÐè½øÒ»²½µÄÑо¿¡£
2.2²»Í¬³¬Â˹¤ÒÕµÄĤÎÛȾÇé¿ö
ÔÚ²»Í¬¶ÎλÓë»ìÄý³Áµíµ¥ÔªñîºÏʱ£¬³¬ÂËĤµÄTMP20Ôö³¤Çé¿öÈçͼ4Ëùʾ¡£
ÓÉͼ4¿É¼û£¬A¹¤ÒÕµÄTMP20Ôö³¤×î¿ì£¬½öÔËÐÐ4d£¬¼´ÓɳõʼµÄ12.49kPaÔö³¤Îª39.42kPa£¬Ôö³¤ËÙÂÊΪ7.69kPa/d¡£¶øB¡¢C¹¤ÒÕµÄTMP20Ôö³¤ËÙÂÊÔòÏÔÖøµÍÓÚA¹¤ÒÕ£¬¾¹ý14dµÄÔËÐУ¬B¹¤ÒÕµÄTMP20´Ó12.82kPaÉÏÉýÖÁ53.49kPa£¬Æ½¾ùÔö³¤ËÙÂÊΪ2.91kPa/d£»C¹¤ÒÕ×îÖÕTMP20Ϊ41.90kPa£¬Æ½¾ùÔö³¤ËÙÂÊΪ1.96kPa/d¡£
ÈçÉÏËùÊö£¬A¹¤ÒÕΪÕë¶Ô³Áµí³Ø½øË®½øÐг¬ÂË£¬³¬ÂËĤ½øË®Öк¬ÓдóÁ¿Ï¸Ð¡µÄÐü¸¡ÐõÌ壬Óë´Ëͬʱ£¬¸Ã½×¶ÎÔËÐÐÆÚ¼äÔ´Ë®ÖÐÓлúÎﺬÁ¿½Ï¸ß£¬Á½ÕßµÄÐͬ×÷ÓÃÔì³É¸Ã½×¶ÎµÄĤÎÛȾ·Ç³£ÑÏÖØ£¬TMP20ÉÏÉýËÙÂÊ×î¿ì¡£B¹¤Òյij¬ÂËĤ½øË®Îª³Áµí³ØÖв¿Ë®Ñù£¬ËäÈ»Ðü¸¡ÎﺬÁ¿ÈÔÈ»½Ï¸ß£¬µ«ÊÇ´ËʱÒÑÉú³¤Îª³ß¶È½Ï´óµÄÐõÌ壬ÆäËùÔì³ÉµÄĤÎÛȾÏÔÖø¼õС£¬¼ÓÖ®¸Ã½×¶ÎÔËÐÐʱˮÖÐÓлúÎﺬÁ¿ÒѽµÖÁÕý³£Ë®Æ½£¬Òò´Ë£¬TMP20µÄÔö³¤ËÙÂÊÒ²½µÖÁ¿É½ÓÊܵÄˮƽ¡£C¹¤ÒÕΪÕë¶Ô³Áµí³Ø³öË®½øÐг¬ÂË£¬Ë®ÖпÅÁ£ÐÔÎïÖÊ»ù±¾ÉÏÒÑÒÔÐõÌåÐÎʽÔÚ³Áµí³ØÈ¥³ý£¬Ë®ÖÐÓлúÎﺬÁ¿ÓëB½×¶Î³Öƽ£¬Òò´ËTMP20Ôö³¤ËÙÂʵÃÒÔ½øÒ»²½Ð¡·ù½µµÍ¡£¡£
3½áÂÛ
£¨1£©²»Í¬¶Îλ»ìÄý³Áµí-³¬ÂËñîºÏ¹¤ÒÕ¶Ô×ǶȵÄÈ¥³ýЧ¹ûÓÅÒìÇÒ²»ÊÜñîºÏ·½Ê½µÄÓ°Ï죬³öË®×ǶȾùÏÔÖøµÍÓÚͬÆÚ¡°»ìÄý-³Áµí-ɰÂË¡±¹¤ÒÕ³öË®¡££¨2£©3ÖÖ³¬Â˹¤ÒÕ¶ÔÓлúÎÛȾÎïµÄ¾»»¯ÄÜÁ¦»ù±¾Ï൱¡££¨3£©ÒÔ³Áµí³Ø½øË®ÎªÔ´Ë®µÄ³¬Â˹¤ÒÕĤÎÛȾ·Ç³£ÑÏÖØ£¬TMP20Ôö³¤ËÙÂÊΪ7.69kPa/d£»ÒÔ³Áµí³Ø³öˮΪԴˮµÄ³¬Â˹¤ÒÕTMP20Ôö³¤ËÙÂʽµµÍÖÁ1.96kPa/d£»Èô½«ñîºÏ¶ÎλÉèÖÃÔÚ³Áµí³ØÖв¿£¬³¬ÂËĤÎÛȾÂÔÓÐÉý¸ß£¬´ïµ½2.91kPa/d£¬µ«ÈÔÊôÓڿɽÓÊÜ·¶Î§¡£
×ÛÉÏËùÊö£¬ÈôÔÚ³Áµí³ØÖв¿½øÐг¬ÂËÓë»ìÄý³Áµíµ¥ÔªµÄ¶ÌÁ÷³ÌÊÊÅ䣬ÔÚ±£Ö¤³ö³§Ë®Ë®ÖʵÄÇé¿öÏ£¬»¹¿ÉÒÔÏÔÖø¼õСˮ³§µÄÕ¼µØÃæ»ý£¬»òÕßÔÚͬÑùÕ¼µØÃæ»ýÏÂÏÔÖøÌá¸ßË®³§µÄ²úË®Á¿£¬Í¬Ê±²»»áµ¼Ö³¬ÂËĤÎÛȾµÄÏÔÖøÔö¼Ó¡£














