渗滤液收集系统的主要功能是将填埋库区内产生的渗滤液收集起来,并通过调节池输送至渗滤液处理系统进行处理,同时向填埋堆体供给空气,以利于污泥的稳定化。为了避免因液位升高、水头变大而增加对库区地下水的污染,美国要求该系统应保证使衬垫或场底以上渗滤液的水头不超过30cm。设计的收集导出系统层要求能够迅速地将渗滤液从垃圾体中排出,这一点十分重要,其原因是:(1)污泥长时间淹没在水中,其有害物质浸润出来,从而增加了渗滤液净化处理的难度;(2)壅水会对下部水平衬垫层增加荷载,有使水平防渗系统因超负荷而受到破坏的危险。
渗滤液收集系统通常由导流层、收集沟、多孔收集管、集水池、提升多孔管、潜水泵和调节池等组成,如果渗滤液收集管直接穿过垃圾主坝接入调节池,则集水池、提升多孔管和潜水泵可省略。按照《城市生活垃圾卫生填埋处理工程项目建设标准》的要求,所有这些组成部分要按填埋场多年逐月平均降雨量(一般为20年)产生的渗滤液产出量设计,并保证该套系统能在初始运行期较大流量和长期水流作用的情况下运转而功能不受到损坏。典型的渗滤液导排系统断面及其和水平衬垫系统、地下水导排系统的相对关系见下图。
为了防止渗滤液在填埋库区场底积蓄,填埋场底应形成一系列坡度的阶地,填埋场底的轮廓边界必须能使重力水流始终流向垃圾主坝前的最低点。如果设计不合理,出现低洼反坡、场底下沉或施工质量得不到有效控制和保证等现象,渗滤液将一直滞留在水平衬垫层的低洼处,并逐渐渗出,对周围环境产生影响。导流层的目的就是将全场的渗滤液顺利地导入收集沟内的渗滤液收集管内(包括主管和支管)。
在导流层工程建设之前,需要对填埋库区范围内进行场底的清理。在导流层铺设的范围内将植被清除,并按照设计好的纵横坡度进行平整,根据《城市生活垃圾卫生填埋处理工程项目建设标准》的要求,渗滤液在垂直方向上进入导流层的最小底面坡降应不小于2%,以利于渗滤液的排放和防止在水平衬垫层上的积蓄。在场底清基的时候因为对表面土地扰动而需要对场地进行机械或人工压实,特别是已经开挖了渗滤液收集沟的位置,通常要求压实度要达到85%以上。如果在清基时遇到了淤泥区等不良地质情况,需要根据现场的实际情况(淤泥区深度、范围大小等)进行基础处理,如果土方量不大的情况下可直接采取换土的方式解决。
导流层铺设在经过清理后的场基上,厚度不小于300mm,由粒径40~60mm的卵石铺设而成,在卵石来源困难的地区,可考虑用碎石代替,但碎石因表面较粗糙,易使渗滤液中的细颗粒物沉积下来,长时间情况下有可能堵塞碎石之间的空隙,对渗滤液的下渗有不利影响。
2、收集沟和多孔收集管
收集沟设置于导流层的最低标高处,并贯穿整个场底,断面通常采用等腰梯形或菱形,铺设于场底中轴线上的为主沟,在主沟上依间距30~50m设置支沟,支沟与主沟的夹角宜采用15的倍数(通常采用60),以利于将来渗滤液收集管的弯头加工与安装,同时在设计时应当尽量把收集管道设置成直管段,中间不要出现反弯折点。收集沟中填充卵石或碎石,粒径按照上大下小形成反滤,一般上部卵石粒径采用40~60mm,下部采用25~40mm。
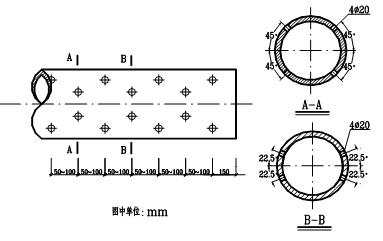
多孔收集管按照埋设位置分为主管和支管,分别埋设在收集主沟和支沟中,管道需要进行水力和静力作用测定或计算以确定管径和材质,其公称直径应不小于100mm,最小坡度应不小于2%。选择材质时,考虑到垃圾渗滤液有可能对混凝土产生的侵蚀作用,通常采用高密度聚乙烯(HDPE),预先制孔,孔径通常为15~20mm,孔距50~100mm,开孔率2~5%左右,为了使垃圾体内的渗滤液水头尽可能低,管道安装时要使开孔的管道部分朝下,但孔口不能靠近起拱线,否则会降低管身的纵向刚度和强度。典型的渗滤液多孔收集管断面见下图。
渗滤液收集系统中的收集管部分不仅指场底水平铺设的部分,同时还包括收集管的垂直收集部分。
在填埋区按一定间距设立贯穿垃圾体的垂直立管,管底部通入导流层或通过短横管与水平收集管相接,以形成垂直-水平立体收集系统,通常这种立管同时也用于导出填埋气体,称为排渗导气管。管材采用高密度聚乙烯穿孔花管,在外围利用土工网格形成套管,并在套管上与多孔管之间填入建筑垃圾、卵石或碎石滤料,随着垃圾层的升高,这种设施也逐级加高,直至最终封场高度,底部的垂直多孔管与导流层中的渗滤液收集管网相通,这样垃圾堆体中的渗滤液可通过滤料和垂直多孔管流入底部的排渗管网,提高了整个填埋场的排污能力。排渗导气管的间距要考虑不影响填埋作业和有效导气半径的要求,一般按50m间距梅花形交错布置。排渗导气管随着垃圾层的增加而逐段增高,导气管下部要求设立稳定基础。典型的排渗导气管断面见下图。(蓝白蓝网)














