摘要:采用纳滤和反渗透两种膜工艺对印染厂处理出水进行深度处理,以达到废水减排、再生回用的目的,主要考察膜性能、处理效果及经济性等方面的状况。结果表明,在性能方面,与反渗透膜相比,纳滤膜在较低压力下即可获得较高的通量,NF-2#膜的抗污染性能较强;在处理效果方面,与反渗透膜相比,纳滤膜产水水质稍差,NF-1#和NF-2#产水COD分别为150~180 mg/L和120~130 mg/L,产水电导率分别为2 900~3 200μS/cm和2 000~2 300μS/cm。反渗透产水水质较好,COD可达到5 mg/L以下,BW30和CPA2的产水电导率分别稳定在38μS/cm和63μS/cm。虽然对一价离子的去除率差异较大,但两种膜工艺对Mg2+、Ca2+等工业循环回用水中最关注离子的去除率相当。在经济性方面,反渗透和纳滤处理成本分别为1.82元/m3和1.53元/m3。膜工艺的经济优势相当明显。
关键词:纳滤;反渗透;印染废水;回用
印染行业废水排放量大,且随着水费不断上涨、废水减排的压力日益增大,废水回用技术将被逐渐推广,膜技术的应用越来越广泛。纳滤和反渗透技术不仅能去除大部分有机物,降低COD,而且具有很好的脱盐效果。除COD、脱色、脱盐能在一步完成〔1〕,得到较高品质的出水,使其能回用于印染环节,同时浓水回流至上一处理工序,实现废水零排放〔2〕。C.Allegre等〔3〕利用纳滤对染料废水脱盐处理,产水能直接回用于生产过程中,使生产过程每年可节省78 300欧元。N.M.H.ElDefrawy等〔4〕针对不同印染工序废水水质,采用不同工艺处理废水,把生物法、纳滤和反渗透技术有效结合,既能回收部分废水,又使排放的废水达到排放标准,整个过程处理成本仅为0.1元/m3。
1·实验部分
1.1废水水质
实验所用印染废水为浙江某市印染厂实际废水,废水水质如表1所示。
摘要:采用纳滤和反渗透两种膜工艺对印染厂处理出水进行深度处理,以达到废水减排、再生回用的目的,主要考察膜性能、处理效果及经济性等方面的状况。结果表明,在性能方面,与反渗透膜相比,纳滤膜在较低压力下即可获得较高的通量,NF-2#膜的抗污染性能较强;在处理效果方面,与反渗透膜相比,纳滤膜产水水质稍差,NF-1#和NF-2#产水COD分别为150~180 mg/L和120~130 mg/L,产水电导率分别为2 900~3 200μS/cm和2 000~2 300μS/cm。反渗透产水水质较好,COD可达到5 mg/L以下,BW30和CPA2的产水电导率分别稳定在38μS/cm和63μS/cm。虽然对一价离子的去除率差异较大,但两种膜工艺对Mg2+、Ca2+等工业循环回用水中最关注离子的去除率相当。在经济性方面,反渗透和纳滤处理成本分别为1.82元/m3和1.53元/m3。膜工艺的经济优势相当明显。
关键词:纳滤;反渗透;印染废水;回用
印染行业废水排放量大,且随着水费不断上涨、废水减排的压力日益增大,废水回用技术将被逐渐推广,膜技术的应用越来越广泛。纳滤和反渗透技术不仅能去除大部分有机物,降低COD,而且具有很好的脱盐效果。除COD、脱色、脱盐能在一步完成〔1〕,得到较高品质的出水,使其能回用于印染环节,同时浓水回流至上一处理工序,实现废水零排放〔2〕。C.Allegre等〔3〕利用纳滤对染料废水脱盐处理,产水能直接回用于生产过程中,使生产过程每年可节省78 300欧元。N.M.H.ElDefrawy等〔4〕针对不同印染工序废水水质,采用不同工艺处理废水,把生物法、纳滤和反渗透技术有效结合,既能回收部分废水,又使排放的废水达到排放标准,整个过程处理成本仅为0.1元/m3。
1·实验部分
1.1废水水质
实验所用印染废水为浙江某市印染厂实际废水,废水水质如表1所示。
原水通过精密过滤器预处理,经高压柱塞泵加压后,经过压力平衡器稳压,进入膜槽。所有膜使用前在去离子水中浸泡24 h,使膜孔内充满液体。膜片装入膜框后,用去离子水在1.4 MPa(纳滤)或2.8 MPa(反渗透)下预压5~10 min,直到通量稳定后连续运行。
1.3实验材料
实验中采用的反渗透膜为陶氏(Filmtec)公司的BW30和海德能(Hydranautics)公司的CPA2两种;纳滤膜采用NF-1#(美国Osmonics公司的DL-NF复合膜)和NF-2#(国产自制的混合纤维素膜)。
1.4分析方法
电导率采用雷磁DDS-ⅡA型电导率仪测定,浊度根据GB 13200—1991标准分光光度法测定,COD用重铬酸钾国标法测定,阴离子采用瑞士万通861 Compact IC型自动进样离子色谱仪测定,阳离子浓度采用美国热电ICP测定膜对离子的去除率:
R=(1-Cp/Cf)×100%
式中:Cp———透过液组分浓度;
Cf———原水组分浓度。
2·实验结果与讨论
2.1膜的纯水通量
由于印染废水的组成比较复杂,因而在用膜技术处理印染废水时,应针对不同印染废水选择材料、结构和性能合适的膜。膜材质的选择主要考虑废水的pH和染料的种类及盐含量。另外膜的选择必须确保膜对印染废水中色度和COD的有效去除,以达到一定的处理要求。采用膜的纯水通量来考察膜的本征特性。纳滤和反渗透过程采用的压力范围分别为0.6~2.2 MPa和1.8~3.2 MPa,它们的纯水通量如图2所示。
由图2可知,纳滤膜的通量均大于反渗透膜。其中NF-1#膜的通量最大,通量随压力增长也最快。NF-2#膜与CPA2反渗透膜通量比较接近,说明NF-2#膜是比较致密的纳滤膜。BW30膜通量最小,且随压力增长最为缓慢,表明两种反渗透膜中,BW30膜结构要较CPA2膜更为致密。
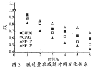
2.2膜通量的衰减
由于印染废水中含有大量有机物,这些有机物质会通过膜表面吸附、膜孔内吸附等使膜孔堵塞,当浓差极化严重时,有机物质就会析出附着在膜表面,形成凝胶层。膜孔堵塞及凝胶层的产生会导致膜污染的形成,从而使膜通量急剧下降。下降后的膜通量以J表示,J0为膜初始通量,J/J0随时间变化的关系如图3所示。
由图3可知,4种膜通量在某一运行周期的初始阶段急剧下降,后来逐渐趋于平缓,这主要是由于在压力作用下,浓差极化在初始时刻即形成,废水渗透压增加导致膜两侧净推动力减小;而在后期运行中,通量仍有所下降,这主要是由于浓差极化的存在使凝胶层逐渐形成,且不断被压实所致,另外,膜孔堵塞也是后期膜通量下降的重要原因。
图4为NF-1#膜和BW30膜表面的电镜图。
由图4可知,有机物析出所形成的凝胶层已覆盖了膜面,成为膜通量下降的主要原因。由于反渗透过程操作压力为2.8 MPa,大于纳滤过程操作压力(1.4 MPa),并且反渗透膜较纳滤膜更致密,因而反渗透膜对有机物以及盐类小分子物质的去除效果更明显,同时也使得反渗透过程的浓差极化更严重,凝胶层在高压下变得更加致密,极大地增加了凝胶层阻力。
从图3还可看出,无论反渗透还是纳滤,结构更致密的膜通量下降的程度较结构疏松的膜要小得多,说明小分子量物质对膜孔的堵塞可能是造成膜污染的一个重要因素。如6 h后,具有较大膜孔径的NF-1#膜通量为初始通量的0.45,比反渗透膜的通量下降幅度还大,而相对致密的NF-2#膜通量稳定性则要好得多。对两种反渗透膜来说,其结果比较也是一样,即BW30比CPA2膜通量稳定。
2.3膜对COD和盐的去除效果
纳滤和反渗透膜产水的COD和电导率,以及膜对COD和盐的去除率如图5、图6所示,膜对离子的截留率见图7所示。
由图5、图6可知,纳滤产水的COD和电导率都较高,这是由于废水中部分有机物和盐类的相对分子质量很小,如废水中一价离子Na+、Cl-、NO3-等,纳滤膜的筛分作用无法完全截留这部分小分子质量的有机物,对一价离子的截留率也较低,如图7中所示,NF-2#对NO3-去除率仅为3.9%,对Na+的去除率则有65%,NF-1#更是4种膜中对离子截留率最低的。两种纳滤膜对SO42-的去除率虽然略高一些,分别为71.7%和78%,但由于SO42-是印染废水中含量较多的离子之一,因此纳滤膜产水电导率还是较高。相比之下,由于反渗透膜是无孔膜,因此对有机物和离子的去除率都较高,产水COD可达5 mg/L以下,对离子的去除率在90%以上,其中BW30产水电导率稳定在38μS/cm,CPA2产水电导率稳定在63μS/cm,产水水质远超《城市污水再生利用工业用水水质标准》(GB 11923—2005)中的相关指标,接近工业用初级纯水指标。
由图5、图6还可知,纳滤产水COD和电导率随操作时间加长稍有增长,而COD去除率和脱盐率则有所下降,这主要是由于浓差极化使膜表面有机物和离子浓度远远大于主体溶液的浓度,这不仅减小了膜两侧的净推动力,也加快了溶质透过通量。溶质传递方程:
Js=B·ΔC(1)
式中:Js———溶质透过通量;
B———溶质渗透系数;
ΔC———膜两侧溶质浓度差。
由溶质传递方程可知,在相同操作条件下,B为常数,溶质透过通量与膜两侧浓度差成正比。因此浓差极化使膜表面溶质浓度增加,ΔC变大,故Js也变大。但随着凝胶层的形成,膜面有机物浓度不再变化,随着产水侧有机物和离子浓度的增加,ΔC趋向稳定,所以产水COD和电导率也趋于稳定。
2.4产水水质比较
表2为常温下纳滤(1.4 MPa)和反渗透(2.8 MPa)运行6 h后的产水水质。
由表2可知,反渗透产水COD和电导率均较低,水质指标远超回用标准。纳滤产水水质比反渗透差,产水COD>100 mg/L,对一价离子去除率较低。但是,纳滤在低压下即可获得较大的通量,且运行费用低,低压下对Mg2+、Ca2+等工业循环回用水中最关注离子的去除率与高压下反渗透的去除率相当,在废水资源化利用方面潜力很大,这也是目前国内外基础和应用研究中一直青睐纳滤的主要原因。
2.5工艺放大及经济性分析
综合以上分析,纳滤和反渗透在废水资源化利用领域具有较好的实用价值,与常规工艺相比,纳滤与反渗透的脱盐功能对提高废水水质、增强生物法处理的效果、防止管道腐蚀等具有重要作用。根据本实验数据及以往相关工程类比,工业放大阶段以产水10 t/h计算,反渗透工程直接投资费用约15~20万元,纳滤投资费用一般为反渗透投资费用的80%,大约为12~16万元。运行费用中,反渗透过程电耗以0.5元/m3计,由于废水资源化项目膜耗较大,预计膜寿命为2 a,膜耗以0.52元/m3计,反渗透所用药剂及操作人工费合计约0.5元/m3;纳滤操作压力比反渗透小,因此电耗比反渗透小,以0.4元/m3计,纳滤膜耐污染性比反渗透强,使用寿命长,以3 a计,且产水量比反渗透大,使用膜数量可适当减少,但目前市场纳滤膜价格比反渗透稍贵,经计算纳滤膜耗预计在0.33元/m3左右,纳滤所用药剂及操作人工费合计约0.5元/m3。综上所述,纳滤与反渗透运行费用分别为1.23元/m3和1.52元/m3。整个系统折旧以10 a计算,折旧费用约0.3元/m3,因此,反渗透和纳滤的废水回用处理成本分别约1.82元/m3和1.53元/m3,加上常规废水生化处理的费用约1.35元/m3,总成本与目前企业自来水价格(3.5元/m3)相比,反渗透和纳滤技术仍有一定的优势。由于我国水资源的严重紧缺,随着水费不断上涨、废水减排的压力日益增大,膜工艺过程的优势必将越来越明显。。
3·结论
实验采用两种纳滤膜和两种反渗透膜处理印染厂生物法处理后的出水,考察了纳滤和反渗透两种过程对印染废水资源化回收利用的可行性。结果表明,反渗透对印染废水深度处理效果比较明显,废水COD去除率达到99%以上,两种反渗透膜对废水脱盐率基本在98%~99%之间,产水水质超过回用标准。纳滤过程产水水质低于反渗透,主要是由于废水中一价离子和小分子物质含量较高,而纳滤膜对其去除率较低,因此实验中所用的两种纳滤膜NF-1#和NF-2#对废水COD去除率分别为30%~50%和47%~53%,对废水脱盐率分别为25%~39%和46%~53%。鉴于纳滤操作压力低,且产水通量大、运行费用低、低压下即可对Mg2+、Ca2+等工业循环回用水中最关注离子达到与反渗透一样的去除率等优点,纳滤在废水资源化回收利用方面具有其独特的优势。对反渗透和纳滤过程的成本分析表明,膜工艺在印染废水节能减排、资源再生利用等方面将具有广阔的应用前景。(古腾环保网)














