研究絮凝剂在水中的形态分布及其转化规律,是进一步探悉其絮凝作用机理的基础.近年来,对铝硅复合絮凝剂的铝形态分布研究很多,对硅形态分布研究较少,只针对单一形态的研究报道就更少.而很多研究表明,铝硅复合絮凝剂中的中聚合态Alb,Sib是最具凝聚-絮凝反应活性的成分,其含量可以反映絮凝剂的效能.因此,对于聚硅与聚铝复合的絮凝剂,研究其Alb,Sib形态含量的变化特征,对研究絮凝剂的凝聚絮凝能力很有意义.
Al-Ferron逐时络合比色法是Smith改进提出的鉴定铝形态分布的一种重要方法,其原理是利用显色剂Ferron与Al化合物的络合动力学差异将铝形态划分为3类,即单体及低聚羟基物Ala,中等聚合物Alb,高聚物及溶胶Alc,并可分别求得各自的比例及含量.同样,测定硅形态分布的Si-Mo逐时络合比色法也是利用不同形态的氧化硅与钼酸铵反应速率的差异将硅形态分为和铝类似的3类:Sia,Sib,Sic.27AlNMR法是定量地检测水解铝溶液中共存的铝化学形态的一种重要手段,近年来应用很广泛.27AlNMR定量测定谱图上可显示3个共振峰:0处是单体铝形态的共振峰;62.5处出现的是Al13共振峰;80.0处共振峰代表四配位体Al(OH)4组分.
本文以TEOS为硅源代替聚硅酸与聚合铝合成制备了新型的铝硅无机复合高分子絮凝剂—TEOS-PAC,无机高分子混凝剂在水溶液中能形成多核羟基配合物,即各种Al形态.文中利用Al-Ferron逐时络合比色法和Si-Mo逐时络合比色法研究了Alb,Sib形态变化特征,并以27AlNMR法对Alb形态特征进行了验证,得到了一些与传统铝硅复合絮凝剂不同的规律.
1 实验部分
1.1 实验仪器与材料
BT01-100型恒流泵;JJ-1型精密定时电动搅拌器;HACHDR/4000U型紫外-可见分光光度计;VARIA-NUNITOVA型核磁共振谱仪(500Hz);TEOS;AlCl3.6H2O;Na2SiO3.9H2O;NaOH;Ferron试剂;(NH4)6MO7O24.4H2O.以上试剂均为分析纯.
1.2 实验方法
TEOS-PAC样品按如下步骤制备得到:按预定比例将定量的浓度为0.25mol/L的AlCl3溶液、TEOS溶液和蒸馏水加入三口烧瓶中,再在室温快速搅拌条件下,用恒流泵缓慢滴加定量的浓度为0.25mol/L的NaOH溶液.所得溶液静置24h后测定形态,记为A样品.
PS-PAC样品按如下步骤制备得到:先按传统方法制得活化硅酸,然后按上述步骤进行,记为B样品.
形态测定方法为:Al-Ferron逐时络合比色法,参照文献.Si-Mo逐时络合比色法参照文献.27AlNMR法是在VARIA-NUNITOVA型核磁共振谱仪(500Hz)上进行测试,采用直径为5mm的样品管,中心插一根毛细管,在毛细管中注入一定浓度的NaAl(OH)4溶液及同体积的D2O作为铝含量的内标及锁场试剂,采样累计次数按样品中的铝含量而定.铝含量的定量分析采用标准曲线法.
2 结果与讨论
2.1 Alb形态变化特征
图1是两种样品的Alb形态特征曲线,为方便比较,对曲线做线性回归,结果列于表1中.

由图1和表1可知,随着碱化度B值的增大,两种样品的Alb形态含量明显上升,且A样品中Alb形态含量略低于B样品.聚硅氯化铝象聚合铝一样,其与Ferron试剂间的络合反应主要是Ferron试剂的磷酸基官能团与聚铝中羟基基团竞争铝离子的解离-络合反应.其中,铝单体形态与Ferron试剂发生瞬时络合反应,反应速度最快;中等水解聚合形态与Ferron试剂络合反应速度较缓慢;高聚物及凝胶形态与Ferron试剂基本不反应.测定结果中Alb形态含量上升是因为当碱化度增加时,聚铝结构单元也相应增大,由低聚形态向高聚形态逐渐发展,羟基结构也由线性结构向面型、体型结构转化,使得对羟基聚铝分子结构中的铝原子的解离-络合反应难以顺利进行,反应逐渐减慢,Alb形态含量逐渐上升.对于B值和Si/Al摩尔比相同的A,B样品,A样品中Alb形态含量略低于B样品是由两者的制备方法不同所造成的:A样品的制备过程中,正硅酸的水解反应和聚硅与聚铝的聚合反应是同时进行的,只要TEOS一水解,就会立即与周围的聚铝离子聚合,形成均匀的硅铝共聚物,而且,硅酸不与单体铝反应,只与铝的中聚合物反应.而B样品在制备前,硅酸钠已加酸活化,溶液中存在一定浓度的聚硅酸形态,这时再加碱与铝聚合,因两者分布不均匀,与A样品制备过程相比,铝硅接触机会就少,且易存在一定量的各自的独立形态.所以,表现出B样品所测得的Alb形态含量略高于A样品.图1和表1中结果还表明,合成的两种样品中Alb形态含量随Si/Al摩尔比的增大而逐渐下降,下降幅度随B值的增大而增大.这是因为,硅酸只与聚铝反应,不与单体铝反应.而与硅酸反应的铝水解聚合形态含量主要由B值决定,所以,B值控制了Alb形态含量的变化幅度,即B值越大,这种变化越明显.
2.2 27AlNMR的研究结果
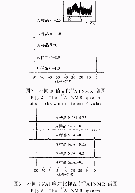
分别选取B=2.0,Si/Al=0,0.1,0.2,0.25和Si/Al=0.2,B=0,1.0,2.0,2.5的样品进行了27AlNMR谱图鉴定,结果如图2和图3所示.

根据各峰峰面积积分结果定量计算得到的形态含量列于表2中.

结果表明,两种样品的27AlNMR谱图随B值的变化规律与PAC是一致的,都是随B值的增加,Alm峰逐渐减弱,Al13峰逐渐出现并增强,Alu的含量逐渐增大.但不同的是,当B≤2.0时,Al13峰未出现,只有A样品在B=2.5时,才出现了Al13峰,含量为32.69%.这表明硅的加入,并未影响B值对Al13含量的重要作用,即B值的增大有利于提高铝的水解聚合度.但与PAC相比,硅的加入使Al13含量降低;图3表明,Al13含量随B值增大而增加的幅度受Si/Al摩尔比的影响较大,Si/Al摩尔比越大,复合絮凝剂中Al13含量与PAC相差就越大.这说明在铝的水解聚合过程中,部分硅进入铝的水解聚合产物中去,一方面生成了部分聚合度介于Al单和Al13之间的铝硅结合的新产物,一方面可能生成了含有硅的部分Al13,改变了Al13原有的结构对称性,使其NMR信号强度减弱,测出的Al13形态结果与PAC相比出现了一定的差异.
与Ferron逐时络合比色法测定的Alb形态含量结果相比,27AlNMR法测定的Al13形态含量低于Alb形态含量,而且这种差别在低B值及高Si/Al摩尔比情况下更大.这是因为Al-Ferron法所测定的Alb形态不只包括27AlNMR法测得的Al13形态,还包含了一些聚硅与水解铝离子相互作用形成的一些新形态,且B值越低,这些新形态所占的比例越大.另外,两种方法样品的27AlNMR谱图计算得到的形态含量结果中,B样品的Al13形态含量低于A样品,而由2.1结论知B样品的Alb形态含量却高于A样品,说明B样品中聚合度介于Al单和Al13之间的铝硅结合的新产物较A样品中的多或所占比例大.以往的研究证明,Al13形态为絮凝反应的优势形态,由此推理,A样品应比B样品絮凝效能高,这已在文献中得到证实.
2.3 Sib形态变化特征
图4和图5是Si形态分布的结果,同样对曲线做线性回归.结果见表3.


由图4,5和表3可看出,A样品中Sib形态含量随Si/Al摩尔比的增大而增加,且其增加幅度与B值有关:B值较低时,Sib形态含量受Si/Al摩尔比的影响较大,随其增大而增加的幅度较大.因为此时溶液体系中铝的水解聚合态较少,铝硅聚合反应受正硅酸(TEOS)浓度控制;而当B值较高时,铝水解态增多,铝水解态浓度控制着聚合反应,从而表现出Sib形态含量随Si/Al摩尔比的变化幅度减小.与A法样品相比,B样品的Sib形态特征却不很明显.这还是由于在其制备过程中,硅酸与聚铝混合前已先聚合,使得样品中Si形态分布不均匀,Sib形态特征没有明显的规律性.
3 结 论
1)以正硅酸代替聚硅酸与聚合铝合成的聚硅氯化铝复合絮凝剂中硅、铝的中等聚合物形态特征与传统聚硅氯化铝样品的规律相似.
2)新型聚硅氯化铝样品的Alb形态含量略低于传统样品,但其Al13形态含量却较高.
3)两种样品的Alb形态和Sib形态含量随Si/Al摩尔比变化的程度都取决于B值,但铝形态和硅形态的变化方向却相反,且新型聚硅氯化铝样品的Sib形态特征规律比传统聚硅氯化铝样品更明显.














