[拼音]:shuangxiangxian zhiliu bianhuan dianlu
[外文]:double-quadrant D.C.converting circuit
输出电平(电压或电流)平均值的极性为可逆的直流变换电路。其特点是电路具有双向传输功率的能力,即负载既可向直流电源吸取电能,也可向直流电源反馈电能,又称双向电路。在实用中可构成具有再生能力的直流调速系统。属于这一类电路的有输出电流平均值i0极性为可逆的电路和输出电压平均值u0的极性为可逆的电路。
输出电流i0极性可逆的变换电路
i0的幅值和极性可随控制信号而变,但输出电压u0的极性则恒为正值的电路。该电路可运行于伏安特性的第一和第二象限(电压用纵轴),当负载为直流电动机时可构成具有再生制动能力的不可逆调速系统,如地铁牵引系统。当电路工作于第一象限时,电机运行于正转电动状态。当减速或停车时,电路将转到第二象限,电机则处于正转再生制动状态。负载中电能经变换电路反馈到直流电源。用于实现上述功能的常见电路有级联电路和丘克电路等。
级联电路
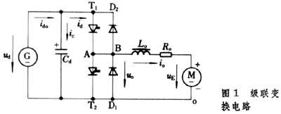
由降压型和升压型电路级联而成的双象限变换电路。其输出电流平均值i0极性为可逆。电路结构如图1所示。
图中uE是负载等效电流电压源(在电机负载下它与电枢反电动势相平衡)。当电路工作于第一象限时,T1和D1轮番通断(T2和D2常断),电路宛如一只降压型电路(见单象限直流变换电路),u 0>0,i0>0;当电路工作于第二象限时,则有T2和D2轮番通断(T1和D1常断),电路宛如一只升压型电路,将负载中的能量反馈到直流端,u0>0,i0<0(按图1所标正方向)。
丘克电路
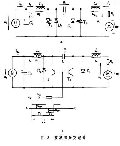
由单象限丘克电路反并联而成的双象限变换电路。其输出电流平均值i0极性也为可逆。电路结构如图2a所示。
图中uE的性质与图1相仿。当电路工作于第一象限时,T1导通期τ1长于T2导通期τ2(τ1+τ2=Tc,Tc为斩波周期),故u0>0,i0>0(按图标u0和i0的正方向),负载从直流电源吸取电能;当电路工作于第二象限时,则有T2的导通期τ2长于τ1,于是i0<0,u 0>0,负载中的电能(由电压源uE提供)经变换电路反馈到直流电源。电路工作状态的变换均由可控元件T1和T2控制极信号分布状态决定。图2b为由双极型功率晶体管组成的电路。其中T1为N-P-N型,T2为P-N-P型,故可共用一个基极控制信号ug,脉宽τ1和τ2由外加控制信号决定。
输出电压u0极性为可逆的变换电路
输出电压平均值u0的幅值和极性可随控制信号而变,但电流平均值i0极性恒为正的变换电路。该电路可运行于伏安特性的第一和第四象限(电压用纵轴)。当负载为直流电动机时可构成具有再生制动能力的可逆调速系统,如吊车卷扬机构的拖动系统。当吊钩提升重物时,电机工作于正转电动状态,电路运行于第一象限,电机从直流电源吸取能量并将其转化为重物位能。当吊钩降下重物时,电机在重物的驱动下反转并工作于发电状态,其电磁转矩作为克服重物下坠转矩的制动转矩,电路运行于第二象限,重物位能被转化为直流电能并反馈到直流电源。
电路结构如图3所示。
当电路工作于第一象限时,T1常通而T3时通时断。当T3关断时,D4导通,i0>0,u0>0,其幅值由T3占空比D决定。当电路工作于第四象限时,电机反转,uE<0,控制电路使T1常断而T3时通时断。当T3关断时,D2、D4导通,i0>0,u0<0。当T3导通时,有D4导通,i0>0,u0=0。当T3轮番通断时,有i0>0,u 0<0,其幅值由T3占空比D决定。
- 参考书目
- B.M.Bird & K.G.King,An Introduction to Power Electronics,John Wiley & Sons,New York,1983.