[拼音]:xingxing chilun chuandong
[外文]:planetary gearing
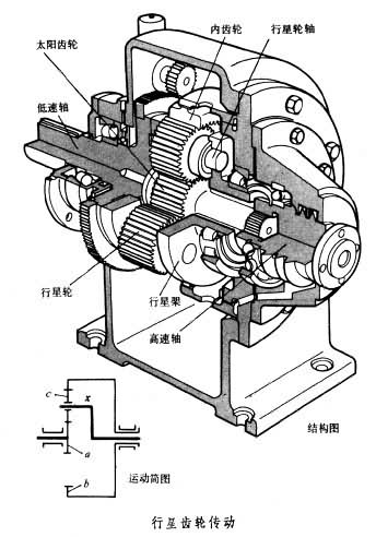
一个或一个以上齿轮的轴线绕另一齿轮的固定轴线回转的齿轮传动(见图)。行星轮 c既绕自身的轴线回转,又随行星架x绕固定轴线回转。太阳轮a、行星架和内齿轮b都可绕共同的固定轴线回转,并可与其他构件联结承受外加力矩,它们是这种轮系的三个基本件。三者如果都不固定,确定机构运动时需要给出两个构件的角速度,这种传动称差动轮系;如果固定内齿轮b或太阳轮a,则称行星轮系。通常这两种轮系都称行星齿轮传动。
特点和类型
行星齿轮传动的主要特点是体积小,承载能力大,工作平稳;但大功率高速行星齿轮传动结构较复杂,要求制造精度高。行星齿轮传动中有些类型效率高,但传动比不大。另一些类型则传动比可以很大,但效率较低,用它们作减速器时,其效率随传动比的增大而减小;作增速器时则有可能产生自锁。常见行星齿轮传动的类型和性能见附表。差动轮系可以把两个给定运动合成起来,也可把一个给定运动按照要求分解成两个基本件的运动。汽车差速器就是分解运动的例子。行星齿轮传动应用广泛,并可与无级变速器、液力耦合器和液力变矩器等联合使用,进一步扩大使用范围。
传动比
行星齿轮传动的传动比为
式中
为将行星架固定、行星轮系转化为定轴轮系时齿轮a和b间的传动比;
、
、
分别为a、b和x的角速度;m为在a、b间外啮合齿轮的对数,m为偶数时传动比为正值。当这三者中任意二值和各轮齿数已知时,即可应用上式求出另一角速度。
选择齿轮齿数时需要考虑的因素是:满足指定的传动比;几个行星轮需装到相应的合理位置;行星轮间各齿顶圆要有一定间隙。此外,还应保证安装以后三个基本件的回转轴线重合,例如图中内啮合齿轮的中心距必须等于外啮合齿轮的中心距。行星齿轮传动的齿轮强度计算主要考虑轮齿的接触强度和弯曲强度,可分解为相啮合的几对齿轮副分别计算。在结构设计中主要考虑的是几个行星轮分担的载荷均匀,故应采用均载机构,例如采用基本件“浮动”的均载机构、弹性件的均载机构和杠杆联动均载机构等。