[拼音]:gaolu jiance ji zidong kongzhi
[外文]:instrumentation and automatic control of blast furnace process
高炉生产应用电子计算机始于20世纪50年代末期,开始仅作为过程解析之用。1962~1964年用计算机对高炉进行局部控制,扩大了应用范围。在此期间,高炉由程序控制(上料系统)、仪表控制(热风系统),逐步向计算机控制过渡。1975年世界上已有40%左右的高炉采用计算机控制。
高炉监测
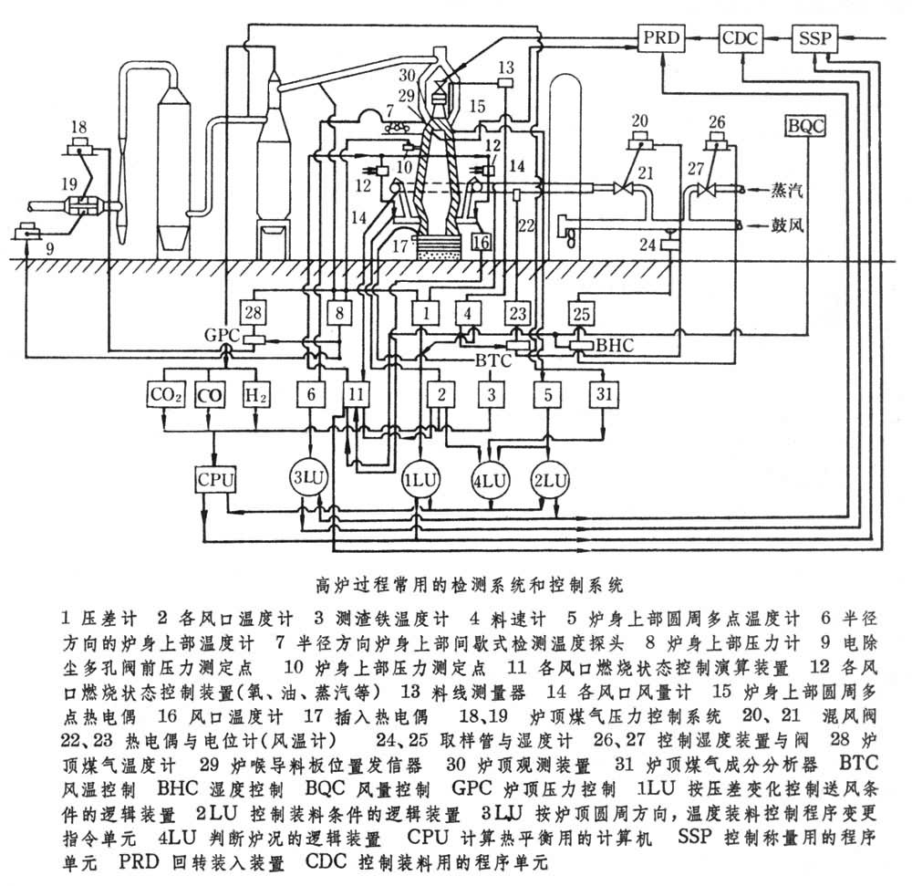
实现高炉自动控制要有先进的监测技术和设备。
监测内容有下列7个方面:
料线与料面的测量采用由微波发信器、收信器和两个天线组成的微波高度计,60Co放射性同位素检测仪以及炉顶工业电视。
炉顶煤气分析一般用红外分析仪连续分析CO、CO2;用热导式分析仪连续分析H2,或用色谱仪分析高炉煤气(非连续式)。
炉体计测炉衬内埋入60Co等同位素,用以测定侵蚀程度。或以红外线电视法测定炉底表面的温度,从温度曲线的变化,推测耐火砖的侵蚀情况。
风口和冷却器的监测可用风口测温办法来测量炉缸温度,也可用带滤光片的光电比色高温计,从风口窥视孔测视风口燃烧区的温度。风口和冷却器的破损探测,是根据排出的冷却水的温度、流量,并根据音响的检查和炉顶煤气H2含量的分析进行的。
保证炉顶压力恒定的调节阀自动控制系统天然气或重油等燃料喷吹量自动检测与调节装置,渣铁温度的计测等。
热风炉测温装置热风炉燃烧和温度自动调节装置,热风炉换炉程序控制装置等。
装料系统原料的自动称量装置,半导体逻辑元件构成的自动装料程序控制装置,测量焦炭含水量的中子测水计。有的在矿槽上还设置了数字显示装置。
高炉的计算机控制
在钢铁生产中高炉炼铁较其他部门需要更复杂的数学模型,目前计算机控制主要用于各种数据的收集、分析、记录,炉料的称量、校正、装卸、运输,控制热平衡,稳定炉况等。比较成熟的是用于热风炉系统和装料系统的自动控制。目前电子计算机应用于高炉生产的职能与任务可以概括为:
高炉计算机控制,现在倾向于采用以下两种形式:
(1)分支控制,即上料系统和热风炉各用一台小型计算机控制,高炉本体另用一台主计算机控制。也有数座高炉共用一台主机集中控制,而每座高炉的热风及上料系统,各由一台小型计算机控制。
(2)将高炉分成若干区域,进行局部控制。计算机接受高炉各部分发来的信号,然后发出指令,直接传送给调节器或提供给操作人员。
高炉装料系统的控制高炉上料控制过去采用继电器和接触器组成的自动控制系统,以后曾采用磁性和半导体无触点元件。为了提高装料的精度,现在广泛采用小型电子计算机。
(1)装料配料控制(炉料的称量与校正)使用计算机控制炉料称量,能把每次实际装入漏斗的原料数量,记录下来,同时求出与装料规定量之差,在下次称量时自动给以补正。水分含量的变化(特别是焦炭)一般用中子水分计(或其他水分计)。计算机控制装料时,还可将装料数据制表,包括单位时间各种原料的给定量、总重量、水分含量、各原料仓的库存量等。
(2)装料程序自动控制 配料、装料系统计算机控制的功能主要是根据物料平衡和热平衡计算原料配比、焦炭量和喷吹燃料量,按照给定装料数量和顺序,对贮矿槽、称量漏斗、上料皮带(或称量车、料车、卷扬机)以及炉顶设备进行程序控制,实现自动配料、称量和上料。
热风炉控制热风炉自动化控制主要是燃烧和换炉。热风系统的计算机控制包括热风炉的最佳控制,即根据最佳技术经济指标计算和控制给定热风温度所需的煤气流量和加热时间,控制温度和湿度,以及确定和控制热风炉换炉程序。
高炉热工控制用计算机控制高炉炉况。一方面要有能与计算机配合的各种过程参数检测仪表,另外要有精确表征生产过程的数学模型。
由于高炉内部的复杂性,所以模型只是根据实验数据得到的反应速度进行编制。利用正在生产中高炉断面和操作条件来推断炉况,可以综合煤气利用率和炉身下部余热两个指数作判断炉况的理论模型。同时计算炉身透气性并结合炉温推测值和操作因素的综合判断,以决定操作控制模型。
目前建立的模型基本有三种方法:物理化学,数理统计,物理化学结合统计等。其基本思想都是通过最佳的炉况控制来维持高炉下部热平衡。控制方法也有三种:
(1)下部调节法,通过调整鼓风湿度或风湿、风量和燃料喷吹率补偿高炉热状态的变化,使高炉热状态保持稳定;
(2)上部调剂法,利用改变焦炭负荷调整高炉热状态;
(3)上下部调剂结合,把配料控制模型与送风控制系统结合起来,进行闭环控制。利用一台在线计算机与高炉探测仪表相连;探知高炉热平衡状态,自动调整风温、湿度、喷吹率,补偿热状态的变化。
计算机除作数据记录、称量控制和配料计算等工作外,还用于高炉模型的控制。其主要项目是:
(1)热状态和透气性;
(2)预报生铁含硅量;
(3)应该采取的即时措施(如矿焦比、风量、风温、湿度等)及为防止漏水所必需的指令。
目前预报热状态是以下面三个模型为前提确定的:
(1)根据炉顶煤气、鼓风条件、装料等变化因素计算风口前的理论燃烧温度;
(2)用装在风口前端铜壳内的热电偶测出风口前温度;
(3)以统计和经验因素为基础建立生铁含硅量预报模型。透气性模型是根据透气性,炉料下降速度、悬料、崩料、装料性质等导出的指数所组成。完整操作“措施”是由以上指数并对前一炉(或前几炉)放出的铁水、炉渣性质,作累计逻辑判断之后进行决定。
高炉使用计算机的经济效果
高炉使用计算机控制,能使称量准确,配料、布料合理,炉况热状态稳定,生铁质量得到保证,热风炉燃烧合理,有的高炉产量提高(可达10%),焦比下降(2~5%),而且节省人力。美国、日本、荷兰等国高炉采用计算机控制后,对稳定生铁含硅量,效果显著。在一定条件下,生铁含硅偏差绝对值约0.1%,有的降到0.05%。
总的说来,计算机在炼铁过程中的应用现在仍然处于发展阶段。但随着对高炉大型化、连续化、高速化和高效率化等的要求日益迫切,实现高炉总体的自动化,无疑是必由之路。