[拼音]:nibian dianlu shuchu dianya tiaojie
[外文]:output voltage regulation of inverter
逆变电路输出电压基波方均根值随外加控制信号电压的大小作连续调节。逆变电路的基本功能固然是将直流电能改变成所需频率的交流电能,但含逆变电路的工业特殊交流电源,除了必须具备变频功能之外,还要求其出端电压在一定范围内连续可调。例如,为了防止交流电动机磁路饱和,用于变频调速的电源输出电压需要与工作频率同步调节,以保持U/f值为常数(其中U 为电源输出基波电压方均根值,f为工作频率)。为了适应不同工件和工艺规范的需要,用于感应加热的电源输出功率需要在一定范围内连续可调(相当于电源输出电压可调)。为了在电网和负载波动条件下维持输出电压恒定,各种恒压电源(如不停电电源等)必须具备输出电压快速调节的功能等等。
截至20世纪80年代,已发展了多种调压方式以适应不同场合的要求,主要有直流端调压和逆变器内部调压两类。
直流端调压逆变输出电压的调节由直流电压为可调来实现。这时逆变器仅具有变频功能,而直流侧则具有可控整流的功能(见相控整流电路和直流变换电路)。该功能可由以下电路结构实现:
(1)相控整流电路;
(2)不控整流电路加直流斩波电路;
(3)斩控整流电路;
(4)交流调压电路加不控整流电路。较常用的是前两种。
逆变器内部调压直流端采用不控整流电路。直流电压不变,逆变输出电压的调节在逆变器内部实现。这时逆变器兼具变频和调压两种功能。这种调压方式较之直流端调压具有主电路结构简单、电网侧功率因数高、电压调节动态响应快等优点,因而得到更多的应用。
逆变电路内部调压功能以调压范围和线性度等工作指标来衡量。但由于在调压过程中也会影响逆变输出电压的谐波含量,而谐波含量的高低对逆变器出端滤波器容量、体积和重量、整机效率、输出功率都有影响,因此在评价各种调压方式时,除了考虑上述调压功能之外,还要兼顾谐波含量的影响。
常见的逆变器内部调压方式有以下两种。
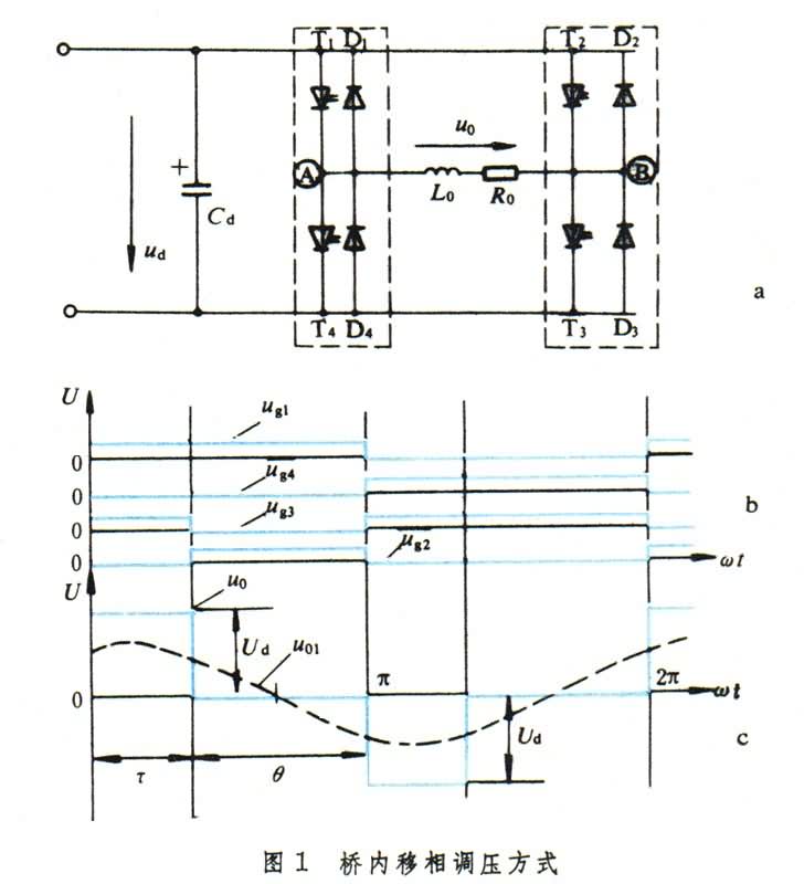
(1)桥内移相调压方式:图1a为电压型单相逆变电路(见自换流式电压型逆变电路)。
各桥臂用自关断元件的通用符号表示,其控制极脉冲分布状态如图1b。由图可见,ug1和ug4、ug2和ug3保持相位互补关系, 但 ug3和ug2分别引前于ug1和ug4某一电角度θ,该角度在0°~180°范围内连续可调。图1a中虚线框A内两臂称为基准臂,B内两臂则称为移相臂。改变移相臂对基准臂的相位差θ即可改变输出电压波形,从而改变输出电压基波方均根值
。对输出电压进行分析,可得
式中n为正奇数,τ为脉冲宽度。上式表明,改变参数τ(相当于改变相移角θ),即可改变各次谐波幅值。其中基波方均根值
可表示为
桥内移相调压方式的优点是控制简单,调压线性度好,但输出电压谐波含量较大。
(2)正弦脉宽调制(SPWM)调压方式:仍以单相电压型逆变电路为例(图2a),
为简单计,各桥臂仍用自关断元件(如GTO、 GTR和Power MOSFET等,若采用普通晶闸管则需附加换流电路),显然,主电路结构与图1完全相同,脉宽调制(英文缩写 PWM)控制方式是高频电力电子电路常用的控制方式。在逆变电路的范围内,它可视为频控方式与斩控方式的结合,其基本思路是使电路中可控元件以远高于逆变器输出频率 f 的载波频率 fc开关工作,而可控元件在每一载波周期 (Tc=1/fc)中的占空比D(D=τ/Tc,τ为元件导通时间,即控制极脉冲宽度)则受控于控制信号ug的幅值,因此所谓正弦波脉宽调制(英文缩写SPWM)是指在一个逆变周期T(T=1/f)中,脉宽τ随时间按正弦规律变化,即
式中K为比例常数,
是控制信号幅值。图2b为门极脉冲的形成方式,其脉宽τ由载波信号uc(三角波)和调制信号ug(正弦波)的交点决定。图2a桥左侧虚线框A的导电臂称为频控臂(含T1和T4),由调制频率f控制;虚线框B的臂(含T2和T3)称为斩控臂,由载波频率fc控制。逆变桥输出电压u0的波形如图2c。由图可见,u0的脉冲个数由比值fc/f决定,u0的脉宽随时间按正弦变化,τ(t)值则取决于比值
/Ucm,Ucm为载波电压信号幅值。改变
的值即可改变τ(t),从而改变逆变输出电压基波方均根值
,实现调压的目的。
SPWM调压方式的优点是低次谐波含量低、调压线性度好,但输出电压低,即在同一直流电压Ud值下,
值比桥内移相调压方式时低。