近年来,生活饮用水中的三氯甲烷等致癌物越来越受到人们关注〔1, 2, 3〕,而构成色度的腐殖酸和富里酸等腐殖质被认为是三氯甲烷的先质。在工业领域,某些带有颜色的工业污染物是由“三致”物质组成,对人体健康产生很大危害〔4〕。
在水资源的综合利用中,采用污水深度处理工艺对污水处理厂的二级出水进行处理,然后将处理水作为再生水进行回用已经占有重要地位〔5, 6, 7〕。但在常规的净水工艺中,色度是较难降低的指标。常用的生物处理法对构成色度的腐殖质降解效果不理想〔8- 9〕。要想达到出水回用的标准,还需要在出水中加入大量的达标水(经测算补水率> 70%〔10〕)。
目前国内外对处理色度技术的研究一般是用色度去除率进行宏观表征,而很少从引起色度的具体物质出发研究色度关联物质的去除和变化。因此,笔者选择天津某污水厂的二级出水为研究对象,从官能团结构、有机物组分、分子质量分布等角度研究双氧水-活性炭工艺处理二级出水过程中的色度变化,为今后的污水回用行业及再生水公司处理不同水质的污水色度提供理论参考,使工艺运行更加经济科学。
1 材料和方法
1.1 实验用水
实验用水为天津某污水厂二沉池出水,水质呈淡黄色,弱碱性,其主要水质指标见表 1。
1.2 仪器和材料
仪器:PFX195 自动色度仪,英国罗威朋;UV- 2550 型紫外-可见分光光度计,日本岛津。
材料:30%双氧水,粉末活性炭(天津市科威有限公司),超滤膜(上海摩速科学器材有限公司)。
1.3 分析项目
CODCr 采用美国APHA 规定的标准测定方法测定,pH 用电极为CST25421C 的pH 计(HM230V, TOA)测定,UV254 采用紫外-可见分光光度计测定,色度用色度测定仪测定;a(355)的测定方法:将水样用0.45 μm 滤膜过滤,采用紫外-可见分光光度计,测定其在波长355 nm 处的吸光度,并做散射校正〔11〕。
2 实验结果与讨论
2.1 双氧水投加量对色度去除效果影响
在7 个100 mL 烧杯中分别投加水样50 mL,分别加入0.5、1.5、3.0、5.0、10.0、25.0、50 mLH2O2,进行磁力搅拌,时间为30 min,静置30 min 后测定水中色度,考察双氧水投加量对色度去除率的影响,见 图 1。
图 1 H2O2投加量与出水色度的关系
从图 1 可见,当双氧水投加量<25 mL 时,随着双氧水投加量的增加,色度去除率随之增加,达到最大去除率后,继续投加双氧水,色度去除率基本不变,甚至有所减低。分析其原因是过量的双氧水消耗了·OH。因此在水样体积为50 mL 时,综合考虑成本后选择双氧水的最佳投加量为10 mL,即双氧水最佳投加比为200 mL/L。
2.2 反应时间对色度去除效果的影响
在7 个100 mL 烧杯中分别投加水样50 mL,加入10 mLH2O2 进行磁力搅拌,搅拌时间分别为30、 60、90、120、150、180、210 min,静置30 min 后测定水中色度。反应时间从30 min 增至150 min 时,色度去除率从17.5%提高至45%,随着反应时间的延长,色度去除率增加明显。但超过150 min 后,色度去除率仅提高了2.5%,因此选择最佳反应时间为150 min。
2.3 pH 对色度去除效果的影响
在100 mL 烧杯中分别投加水样50 mL,加入 10 mLH2O2,搅拌150 min,然后用0.1 mol/L 的HCl 和1 mol/L 的NaOH 溶液调节pH,考察不同pH 下色度去除率,见图 2。
图 2 pH 与出水色度的关系
由图 2 可知,pH 对色度去除有较大影响。pH 为 6.24~9.85 时,随着pH 升高,色度去除率降低。其中, pH 从6.24 升到8.21,色度去除率从47.50%下降到 40%,pH 继续上升,色度去除率略有下降,当pH 为 9.85 时,色度去除率为37.5%。原因可能是:较低的 pH 环境阻止了·OH 的无效分解,而·OH 是水溶液中最强的氧化剂之一,它可以破坏有色溶解性有机物(CDOM)的发色官能团,并且双氧水在较低的pH 下比较稳定;但双氧水在酸性环境下反应速率较低,因此综合考虑并照顾到药剂成本,选择双氧水降解色度最佳的pH 为7.38。
2.4 双氧水-活性炭工艺对色度的降解效果
根据前面的实验结果,在100 mL 烧杯中投加水样50 mL,并加入10 mLH2O2 搅拌150 min,pH 为 7.38,然后加入80 mg 活性炭,置于恒温摇床中,反应6 h 后,用滤纸过滤并过0.45 μm 的微滤膜,测定反应前后的色度、a(355),结果见表 2。
从表 2 可以得出: 双氧水-活性炭工艺对色度的去除效果显著,明显高于单独的双氧水工艺,产生了良好的协同去除效果。分析其原因可能是:双氧水高级氧化产生的·OH 具有极强的氧化能力,把大分子难降解物质降解成小分子有机物,既改变了水中有机分子的结构形态,达到对水质结构的优化,又提高了有机物进入活性炭较小空隙的可能性,进而提高了活性炭的脱色效果。
双氧水-活性炭工艺对UV254 表征的含苯环难降解有机物和a(355)表征的有色溶解性有机物的去除效果明显,从而引起色度的显著下降。
2.5 分子质量分布特征
对原水和经过双氧水—活性炭工艺去除的水样,通过0.45 μm 微滤膜进行逐级膜过滤,测定步骤和结果见图 3、图 4。
图 3 分子质量分布的测定步
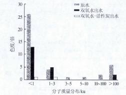
图 4 色度的分子质量分布
(1)色度的分子质量分布特征。
由图 4 可看出: 原水色度主要分布在表观分子质量>100 ku 和<1 ku 的溶解性有机物,主要是腐殖质和小分子难降解有机物。经过双氧水氧化降解后, 5~100 ku 之间的色度明显被降解,产生了许多小分子有色溶解性有机物,导致1~5 ku 之间的色度有所增加,<1 ku 的色度也去除明显。经过活性炭脱色后,3 ku 以下的色度也得到有效去除。
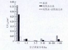
(2)UV254 的分子质量分布特征。
UV254 的分子质量分布见图 5。图 5 可以看出,原水的UV254 主要分布在表观分子质量<1ku 区间,占总溶解性有机物UV254 的73.90%。双氧水对各个分子质量区间的UV254 都有降解,但分子质量在1~ 3 ku 范围的UV254 有少量增加,<1 ku 区间降解不明显。经过活性炭处理后,各个区间都得到明显降低。
图 5 UV254的分子质量分布
(3)a(355)的分子质量分布特征
a(355)的分子质量分布见图 6。
图 6 a(355)的分子质量分布
由图 6 得出,a(355)表征的CDOM 分布与色度分布基本一致,验证了CDOM 是色度关联物质的主要组分。双氧水工艺降低了整个范围的CDOM,尤其对于3~100 ku 范围的CDOM,降低效果显著,双氧水工艺起到了预氧化作用,后续的活性炭工艺对 3 ku 以下的CDOM 去除效果明显。。
3 结论
(1)原水中的色度主要分布在表观分子质量> 100 ku 和<1 ku 范围,即大分子的腐殖质类有机物和小分子的难降解类有机物。
(2)CDOM 分子质量分布变化与色度分子质量分布变化基本一致,表明水样中CDOM 对色度起到主要贡献作用,水样中的CDOM 主要由腐殖质组成。
(3)高级氧化技术中,单独的双氧水工艺对色度降解效果有限,主要是对小分子难降解有机物去除效果有限,活性炭脱色效果较好,但双氧水-活性炭能产生协同作用,明显降低了分子质量<3 ku 的色度,色度去除率为95%,相比双氧水工艺色度去除率提高了1 倍多。














