Ŀǰ¾ÉúÎï´¦ÀíºóµÄ½¹»¯Éú»¯ÍâÅÅË®µÄÉ«¶È¡¢COD µÈ»¹²»ÄÜÎȶ¨´ïµ½GB 8978¡ª1996 µÄÒ»¼¶Ö¸±êÒªÇó£¬Òò´Ë¶ÔÆä½øÐÐÉî¶È´¦Àí¾ßÓÐÖØÒªÒâÒå¡£Îü¸½·¨Òò²Ù×÷¼òµ¥¡¢ÎÞ¶þ´ÎÎÛȾ±»¹ã·ºÓÃÓÚ½¹»¯·ÏË®Éî¶È´¦Àí£¬»îÐÔÌ¿Êǽϳ£ÓõÄÎü¸½¼ÁÖ®Ò»¡£µ«ÓÉÓÚ»îÐÔÌ¿¼Û¸ñ°º¹ó£¬ÖÆÔ¼ÁËÆäÓ¦Óá£À¼Ì¿ÊÇúÖÐÎÂÆø»¯µÄ²úÎÁ£¾¶½ÏСµÄÀ¼Ì¿Òò²»·ûºÏÉú²ú¹¤ÒÕÒªÇó£¬Ö»ÄÜÓÃ×÷µÍ¼¶È¼ÁÏ»òÁ®¼Û´¦Àí¡£ÓÉÓÚÀ¼Ì¿¾ßÓÐÒ»¶¨µÄ¿×¾¶·Ö²¼£¬ÉÔ¼Ó¸ÄÐԾͿɴﵽ½Ï´óµÄ±È±íÃæ»ý¡²1¡³£¬·¢»ÓÀàËÆ»îÐÔÌ¿µÄÎü¸½ÌØÐÔ¡£±ÊÕß²ÉÓÃË®ÕôÆø¸ßλºóµÄ¸ÄÐÔÀ¼Ì¿Îü¸½½¹»¯Éú»¯ÍâÅÅË®ÖеÄÓлúÎΪ¹¤³ÌÉè¼ÆºÍ¹¤Òµ»¯Éú²úÌṩ»ù´¡Êý¾Ý¡£
1 ʵÑ鲿·Ö
1.1 ÔÁÏÓëÒÇÆ÷
ÔÁÏÈ¡×ÔÓÜÁÖÉñľµØÇøÐ¡¿é¾¶À¼Ì¿£¬Æä¹Ì¶¨Ì¿85.75%£¬»Ò·Ö7.39%£¬»Ó·¢·ÖΪ6.06%£»ÊµÑéÓÃˮȡ×Ô»ªÖÐij½¹»¯¹«Ë¾O/A/O Éú»¯ÍâÅÅË®£¬ÆäË®ÖÊΪTOC 25¡«50 mg/L£¬COD 90¡«120 mg/L£¬pH ÔÚ5¡«6¡£ÒÇÆ÷£ºQuanta 400 FEI ɨÃèµç¾µ£¨ ºÉÀ¼FEI ¹«Ë¾£©£¬Multi N/C2100 TOC/TN ²â¶¨ÒÇ£¨ µÂ¹úÒ®Äã©£¬UV-Vis2450 ×ÏÍâ¿É¼û¹âÆ×ÒÇ£¨ÈÕ±¾µº½ò£©£¬ThermoFisher TRACE-ISQ ÆøÖÊÁªÓÃÒÇ£¨ÃÀ¹úÈȵ磩£¬GZX-9146MBE µçÈȺãθÉÔïÏ䣨ÉϺ£²©Ñ¶£©£¬JJ-1 ¾«ÃÜÔöÁ¦µç¶¯½Á°èÆ÷£¨ÉϺ£Ã·Ó±ÆÖ£©£¬BOY-18 Ë®ÕôÆø·¢ÉúÆ÷£¨ÎÂÖݽÐÄ·þÊΣ©£¬×ÔÖÆ¸ßη´Ó¦Â¯¡£
1.2 À¼Ì¿¸ÄÐÔÔ¤´¦Àí
À¼Ì¿ÔÁϵĻ²ÉÓÃË®ÕôÆø¸ÄÐԻ·¨¡²2¡³¡£½«ÔÁÏÀ¼Ì¿ÆÆË飬װÈë¸ßη´Ó¦Â¯£¬ÒÔÒ»¶¨µÄÉýÎÂËÙ¶ÈÉýÖÁ900 ¡æ£¬Í¬Ê±¿ªÆôÕôÆû·¢ÉúÆ÷¶ÔÀ¼Ì¿½øÐл£¬»î»¯Ê±¼ä0.5 h£¬È»ºó½«»î»¯ºóµÄÀ¼Ì¿ÀäÈ´ÖÁÊÒΣ¬ÓÃ0.5 mm ºÍ5 mm ±ê׼ɸɸ·Ö£¬½«¹ýɸÀ¼Ì¿ÓÃÕôÁóˮϴµÓ5¡«8 ´Î£¬²¢ÔÚ110 ¡æÏºæ¸É5 h£¬ÀäÈ´±¸Óá£
1.3 ʵÑé·½·¨
È¡250 mL ½¹»¯Éú»¯ÍâÅÅË®ÖÃÓÚ500 mL ×¶ÐÎÆ¿ÖУ¬¼ÓÈëÒ»¶¨Á¿¸ÄÐÔÀ¼Ì¿£¬ÓÃ0.1 mol/L ÑÎËáÈÜÒºµ÷½ÚpH£¬½Á°èÒ»¶¨Ê±¼ä£¬¾²Öã¬È¡ÉÏÇåÒº²â¶¨TOC¡£
2 ½á¹ûÓëÌÖÂÛ
2.1 SEM ·ÖÎö
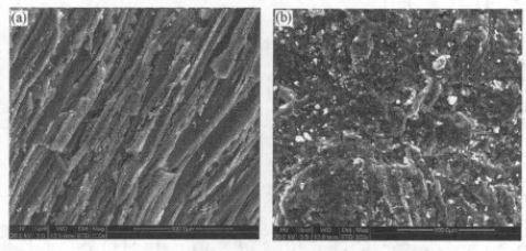
ͼ 1£¨a£©¡¢£¨b£©ÎªÔÁÏÀ¼Ì¿ºÍ¸ÄÐÔÀ¼Ì¿SEM ÕÕÆ¬¡£ÓÉͼ 1 ¿É¼û£¬ÔÁÏÀ¼Ì¿µÄ½á¹¹³ÊƬ²ã×´£¬±í²ã¿×½á¹¹²»ÊǺܷḻ£¬±íÃæ½ÏƽÕû£¬±È±íÃæ»ýºÜС¡£¾Ë®ÕôÆø»î»¯ºó£¬Ë®ÕôÆøÓëÀ¼Ì¿ÄÚ²¿µÄ̼Ô×Ó·¢Éú·´Ó¦£¬À¼Ì¿±íÃæ±äµÃÏà¶Ô´Ö²Ú£¬Ðí¶à±ÕÈûµÄС¿×±»´ò¿ª²¢ÏòÀïÑÓÉ죬Öп׵ıÈÀýÒ²ÏàÓ¦Ôö¼Ó£¬±È±íÃæ»ý½Ï¸ÄÐÔǰ±ä´ó¡£
ͼ 1 À¼Ì¿¸ÄÐÔǰºóµÄSEM£¨500 ±¶£©
2.2 ¹¤ÒÕ²ÎÊý¶Ô¸ÄÐÔÀ¼Ì¿Îü¸½Ð§¹ûµÄÓ°Ïì
2.2.1 Îü¸½Ê±¼ä¶ÔÎü¸½Ð§¹ûµÄÓ°Ïì
³ÆÈ¡5 g ¸ÄÐÔÀ¼Ì¿£¨Á£¾¶0.8¡«5 mm£©ÖÃÓÚ250 mL½¹»¯Éú»¯ÍâÅÅË®ÖУ¬ÔÚpH=6¡¢ÊÒÎÂϽøÐÐÎü¸½£¬¿¼²ìÎü¸½Ê±¼ä¶ÔTOC È¥³ýЧ¹ûµÄÓ°Ïì¡£ÓÉÓÚÀ¼Ì¿¶Ô½¹»¯Éú»¯ÍâÅÅË®ÖÐÓлúÎïµÄÈ¥³ýÊÇÎïÀíÐÔÎü¸½¹ý³Ì£¬Òò´Ë£¬Ö»Óе±Îü¸½¼ÁÓëÎü¸½ÖÊÖ®¼äÓÐ×ã¹»µÄ½Ó´¥Ê±¼ä£¬²ÅÄÜÓÐЧʵÏÖ´«ÖÊ·ÖÀ롣ʵÑéÖУ¬Ëæ×ÅÎü¸½Ê±¼äµÄÑÓ³¤£¬³öË®ÖеÄTOC Öð½¥½µµÍ£¬Îü¸½ËÙÂÊÖð½¥¼õС¡£30 min ÄÚ¶ÔTOC Îü¸½ËÙÂÊ×î´ó£¬120 min ʱÎü¸½Á¿»ù±¾´ïµ½Æ½ºâʱµÄ90%ÒÔÉÏ£¬300 min ʱ¸ÄÐÔÀ¼Ì¿¶Ô½¹»¯Éú»¯ÍâÅÅË®µÄÎü¸½»ù±¾´ïµ½Æ½ºâ¡£ÕâÊÇÓÉÓÚ¸ÄÐÔºóÀ¼Ì¿µÄ±È±íÃæ»ý´ó·ùÔö¼Ó£¬ÓÐ׎ϴó±ÈÀýµÄ΢¿×ºÍÖпף¬·ÏË®ÖеÄÓлúÎïÄܺܿ쵽´ï»îÐÔÌ¿±íÃæ£¬µ«Ëæ×űíÃæÎü¸½»îÐÔλµÄ¼õÉÙ£¬Îü¸½ËÙÂÊÖð½¥¼õÂý£¬Îü¸½½¥´ï±¥ºÍ¡£ºóÐø¾²Ì¬ÊµÑéѡȡ120 min ΪºÏÊʵľ²Ì¬Îü¸½Ê±¼ä¡£
2.2.2 pH ¶ÔÎü¸½Ð§¹ûµÄÓ°Ïì
¼ÓÈë5 g ¸ÄÐÔÀ¼Ì¿£¨Á£¾¶0.8¡«5 mm£©£¬ÊÒÎÂÏÂÎü¸½120 min£¬¿¼²ìpH ¶ÔTOC È¥³ýЧ¹ûµÄÓ°Ï죬¼û±í 1¡£
Óɱí 1 ¿É¼û£¬pH ¶Ô¸ÄÐÔÀ¼Ì¿´¦Àí½¹»¯·ÏË®µÄЧ¹ûÓкܴóÓ°Ïì¡£pH Ô½´ó£¬Îü¸½Ð§¹ûÔ½²î£¬pH Ô½µÍ£¬TOC È¥³ýÂÊÔ½¸ß¡£ÕâÊÇÒòΪ¸ÄÐÔÀ¼Ì¿Í¬ÆäËû»îÐÔ̿һÑù£¬Æä±íÃæ´æÔÚÒ»¶¨µÄËáÐԺͼîÐÔ»ùÍÅ¡²3¡³¡£À¼Ì¿¸ÄÐÔºóÊ×´ÎÓÃÕôÁóˮϴµÓʱ£¬Ï´µÓË®³Ê½ÏÇ¿µÄ¼îÐÔ£¬ËµÃ÷¸ÄÐÔÀ¼Ì¿±íÃæ¼îÐÔ»ùÍŽ϶ࡣÓÉÓÚ½¹»¯Éú»¯ÍâÅÅË®ÖеÄÓлúÎïÖ÷ÒªÒÔÊèË®ÐÔ·¼Ïã»·ÀàΪÖ÷£¨Èç·ÓÀࣩ£¬pH ½ÏµÍʱ£¬ÕâЩÒÔ·Ö×Ó̬´æÔÚµÄÎïÖÊÔÚË®ÖеÄÈܽâ¶È½Ï´ó£¬¸ÄÐÔÀ¼Ì¿±íÃæ¼îÐÔ»ùÍŵÃÒÔÖкͣ¬ÓÐÀûÓÚÎü¸½ÎÛȾÎ4¡³¡£·ÏË®pH£¼4 ʱ£¬TOC È¥³ýÂÊÔö¼ÓÇ÷ÊÆÖð½¥±äÂý¡£ºóÐøÊµÑéµ÷½Ú·ÏË®pH ÔÚ4 ×óÓÒ¡£
2.2.3 Îü¸½¼ÁÓÃÁ¿¶ÔÎü¸½Ð§¹ûµÄÓ°Ïì
ÔÚ·ÏË®pH£½4¡¢ÊÒÎÂϼÓÈë¸ÄÐÔÀ¼Ì¿£¨Á£¾¶0.8¡«5 mm£©Îü¸½120 min£¬¿¼²ìÎü¸½¼ÁÓÃÁ¿¶ÔÎü¸½Ð§¹ûµÄÓ°Ï죬½á¹û¼û±í 2¡£
´Ó±í 2 ¿É¼û£¬¸ÄÐÔÀ¼Ì¿ÓÃÁ¿Ô½´ó£¬TOC È¥³ýÂÊÔ½¸ß¡£Îü¸½¼ÁÓÃÁ¿Îª5 g ʱ£¬TOC È¥³ýÂÊÒÑ´ïµ½60%¡£Îü¸½¼ÁΪ10 g ʱ£¬TOC È¥³ýÂʿɴï75%ÒÔÉÏ¡£Îü¸½¼Á£¾5 g ºó£¬TOC È¥³ýÂÊÔö·ùÖ𽥱仺£¬×ۺϿ¼ÂÇÈ¥³ýЧ¹ûºÍ¾¼ÃÐÔ£¬È¡¾²Ì¬ÊµÑé×î¼ÑͶ¼ÓÁ¿Îª5 g¡£
2.2.4 Îü¸½¼ÁÁ£¾¶¶ÔÎü¸½Ð§¹ûµÄÓ°Ïì
ÔÚ·ÏË®pH£½4¡¢ÊÒÎÂÏÂͶ¼Ó5 g ¸ÄÐÔÀ¼Ì¿Îü¸½120 min£¬¿¼²ì¸ÄÐÔÀ¼Ì¿Á£¾¶¶ÔÎü¸½Ð§¹ûµÄÓ°Ï죬½á¹û¼ûͼ 2¡£
ͼ 2 Îü¸½¼ÁÁ£¾¶¶ÔÎü¸½Ð§¹ûµÄÓ°Ïì
ÓÉͼ 2 ¿É¼û£¬Á£¾¶ÔÚ0.8¡«5 mm µÄ¸ÄÐÔÀ¼Ì¿¶Ô½¹»¯Éú»¯ÍâÅÅË®ÖеÄTOC ¶¼ÓкܺõÄÎü¸½Ð§¹û£¬TOC×ÜÈ¥³ýÂʶ¼ÔÚ50%ÒÔÉÏ£¬ÆäÖÐ1¡«2 mm ¼°2¡«3 mm µÄ¸ÄÐÔÀ¼Ì¿¶Ô½¹»¯ÍâÅÅË®µÄÎü¸½Ð§¹ûÓÅÓÚÆäËûÁ£¾¶¸ÄÐÔÀ¼Ì¿¡£ÕâÊÇÒòÎªËæ×ŸÄÐÔÀ¼Ì¿Á£¾¶µÄÔö¼Ó£¬Æä±È±íÃæ»ýÖð½¥¼õС£»ÇÒÀ¼Ì¿ÄÚ²¿¿×϶ͨµÀ¼Ó³¤£¬Îü¸½ÖÊÔÚÓÐÏÞʱ¼äÄÚÄÑÒÔÍêÈ«ÉîÈëÆäÖУ¬¸ÄÐÔºóÐγɵĿ×϶ûÓеõ½ÓÐЧÀûÓã»Èô¸ÄÐÔÀ¼Ì¿Á£¾¶Ì«Ð¡£¬À¼Ì¿±íÃæµÄ²¿·Ö΢¿×ÈÝÒ×±»Ë®ÖеÄÐü¸¡Îï¶ÂÈû£¬Ò²²»ÀûÓÚÎü¸½µÄ½øÐС£Òò´Ë£¬Ñ¡Ôñ1¡«2 mm ×÷ΪÎü¸½¼Á×î¼ÑÁ£¾¶¡£
2.3 Îü¸½¹ý³ÌµÄUV-Vis ¹âÆ×·ÖÎö
·Ö±ð³ÆÈ¡5 ¡¢10 g Á£¾¶Îª1¡«2 mm µÄ¸ÄÐÔÀ¼Ì¿£¬ÖÃÓÚ500 mL ×¶ÐÎÆ¿ÖУ¬¸÷µ¹Èë250 mL ½¹»¯Éú»¯ÍâÅÅË®£¬µ÷½Ú·ÏË®pH Ϊ4 ×óÓÒ£¬ÔÚ³£ÎÂϽÁ°è120 min£¬¹ýÂ˺ó½øÐÐUV-Vis ¹âÆ×ɨÃ裬Èçͼ 3 Ëùʾ¡£´Óͼ 3¿É¼û£¬¾¸ÄÐÔÀ¼Ì¿Îü¸½ºó³öË®ÔÚÏàͬ²¨³¤´¦µÄÎü¹â¶È¶¼½ÏÔË®´ó·ù½µµÍ£¬ËµÃ÷ÔË®ÖеĴ󲿷ÖÓлúÎï±»¸ÄÐÔÀ¼Ì¿Îü¸½¡£ÖµµÃ×¢ÒâµÄÊÇ£¬³öË®ÖеÄUV254½ÏÔË®½µµÍºÜ¶à£¬ËµÃ÷¸ÄÐÔÀ¼Ì¿¶Ôº¬Óб½»·¼°Ë«¼üµÄÓлúÎïÎü¸½Ð§¹û½ÏÃ÷ÏÔ¡²5¡³¡£
ͼ 3 Îü¸½¹ý³ÌÖеÄUV-Vis ÎüÊÕ¹âÆ×
2.4 Îü¸½¹ý³ÌµÄGC-MS ·ÖÎö
³ÆÈ¡¸ÄÐÔÀ¼Ì¿10 g£¨Á£¾¶1¡«2 mm£©£¬ÖÃÓÚ250 mL½¹»¯Éú»¯ÍâÅÅË®ÖУ¬³£ÎÂϽÁ°è120 min£¬¶ÔÔË®ºÍÎü¸½ºóË®Ñù½øÐÐGC-MS ·ÖÎö£¬¼ûͼ 4¡¢Í¼ 5¡£
ͼ 4 Îü¸½Ç°Ë®ÑùGC-MS ͼÆ×
´Óͼ 4¡¢Í¼ 5 ¿É¼û£¬ÔˮͼÆ×Öгö·å½ÏÃܼ¯£¬±È½Ï³ö·åÓлúÎï×ÜÊýÓë×Ü»ý·ÖÃæ»ý£¬¿É´ÖÂÔºâÁ¿Îü¸½¶ÔË®ÑùÖÐ×ÜÓлúÎïµÄÈ¥³ýÇé¿ö¡²6¡³¡£ÀûÓÃÖÊÆ×È«Àë×ÓɨÃèģʽϵÄ×ÜÀë×ÓÁ÷ͼÆ×£¬ÒÀ¾ÝÒÑÓÐÉ«Æ×ͼ¿â½øÐмìË÷·ÖÎö¡£¶ÔÏàËÆ¶ÈÔÚ50%ÒÔÉÏµÄ·å½øÐж¨ÐÔ·ÖÎö£¬5.62 min ³ö·åµÄÁª¶þ±½¡¢6.38 min ³ö·åµÄ1-Òì±û»ùÝÁ¡¢6.59 min ³ö·åµÄ¶þ±½ß»à«¡¢7.01 min ³ö·åµÄ߻ૡ¢8.15 min ³ö·åµÄ·ÆµÈÔÚ³öˮͼÆ×ÖÐÒѲ»ÔÙ³öÏÖ£¬ËµÃ÷ÕâÀàÎïÖÊÒѱ»¸ÄÐÔÀ¼Ì¿Îü¸½¡£¡£
3 ½áÂÛ
À¼Ì¿¾Ë®ÕôÆø»î»¯¸ÄÐÔºó¶Ô½¹»¯·ÏË®Éú»¯ÍâÅÅË®ÓкܺõĴ¦ÀíЧ¹û£¬Ë®ÖеÄÓлúÎïŨ¶ÈºÍÖÖÀà¶¼´ó·ùϽµ¡£¿¼Âǵ½¸ÄÐÔÀ¼Ì¿Óë»îÐÔÌ¿¾¼ÃÐԱȽϣ¬ºóÐø»¹½«¿ªÕ¹¸ÄÐÔÀ¼Ì¿¶Ô½¹»¯·ÏË®Éî¶È´¦ÀíµÄÄܺķÖÎö¡¢²ÎÊýÓÅ»¯¼°Îü¸½»úÀíÑо¿¡£














