湿式催化氧化法(CWAO)是20世纪80年代国际上发展起来的一种治理高浓度有机废水的新技术。是在一定温度、压力下,在催化剂作用下,经空气氧化使废水中的有机物、氨分别氧化分解成CO2、H2O及N2等无害物质,达到净化目的。其特点是净化效率高,流程简单,占地面积少。可使焦化废水中CODc,和NH3 -N 的去除率分别达99.5%和99.8%。经日本大阪瓦斯公司估算,治理费用与生化法接近,但治理后出水水质,远优于生化法,可达到回用水质。
湿式催化氧化法处理原理与工艺流程
湿式催化氧化法(CWAO法)在各种有毒有害和难降解的高浓度有机废水处理中非常有效,具有很高实用价值。加入适宜的催化剂以降低反应所需温度和压力,提高氧化分解能力,缩短时间,防止设备腐蚀和降低成本。应用催化剂加快反应速度,主要原因,其一降低
了反应的活化能;其二改变反应历程。
废水在高温高压下,在保持液相状态时通人空气,在催化剂的作用下,对焦化废水 污染物进行彻底的氧化分解,使之转化为无害物质,从而使废水得到深度净化。如废水中含氮化合物的氨氮、氰化物、硫氰化物、有机氧化物等经分解后,最终生成N2、CO2、SO42-等。同时可以查看中国污水处理工程网更多技术文档。
NH3+3/4O2=3/2H2O+1/2N2
NH4SCN+7/2O2=N2+ H2O+H2SO4+CO2
废水中的酚类、烃类以及一般构成COD的组成,经催化湿式氧化后也生成CO2和H2O等。
C6H5OH+7O2=6CO2+3H20
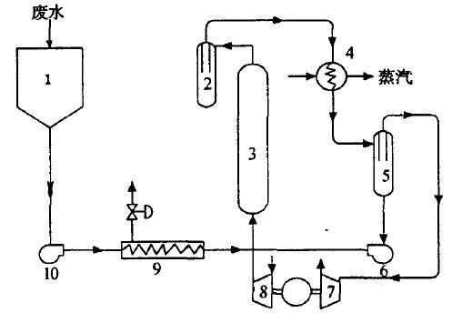
其处理工艺流程如图1所示。

图1 CWAO法工艺流程
1-贮存罐;2-分离器;3-健化反应器;4-再沸器;5-分离器;6- 循环泵;7- 透平机;8-空压机;9-热交换器;1O-高压泵
其工艺过程为:废水通过贮存罐由高压泵打入热交换器,与反应后的高温氧化液体换热,使温度上升到接近于反应温度后进入反应器。反应所需的氧由压缩机打入反应器。在反应器内,废水中的有机物与氧发生放热反应。在较高温度下将废水中的有机物氧化成二氧化碳和水,或低级有机酸等中间产物。反应后气液混合物经分离器分离,液相经热交换器预热进料,回收热能。高温高压的尾气首先通过再沸器(如废热锅炉)产生蒸汽或经热交换器预热锅炉进水。其冷凝水由第二分离器分离后通过循环泵再打入反应器,分离后的高压尾气送入透平机产生机械能或电能。因此,这一典型的工业化催化湿式氧化系统不但处理了废水,而且对能量逐级利用,减少了有效能量的损失,维持并补充催化湿式氧化系统本身所需的能量。














