摘要:针对目前用电渗析法处理硝酸铵废水的现象,提出以电去离子处理作为硝酸铵废水深度处理,弥补现有电渗析处理的不足,达到硝酸铵废水处理系统“零排放”,做到废水资源化利用,硝酸铵和水全部回收。这种改良型电渗析处理方法,除可使浓水中氨氮的质量分数达10%以上外,系统出水氨氮的质量浓度小于或等于5 mg/L。
关键词:电去离子;电渗析;硝酸铵废水
化工生产中硝酸铵是用50%的稀硝酸与氨进行中和反应制成的。反应过程中放出大量的热,使水吸热汽化,最终得到70%~75%的硝酸铵溶液。该硝酸铵溶液经过进一步的蒸发浓缩结晶,得到硝酸铵产品。由于在汽化和结晶过程中水蒸气夹带部分硝酸铵和游离氨,蒸汽在冷凝后,冷凝水中就含有这些物料,如冷凝水不加处理,直接排放,会造成很大的环境污染,而且损失了硝酸铵等化工物料,水资源也得不到充分利用。
1 硝酸铵废水治理现状和水污染物排放标准
国内从2004 年开始推广用电渗析处理硝酸铵废水技术,改变了原来硝酸铵废水直接冲稀排放而不加处理的局面。至今,近10 套处理硝酸铵废水电渗析设备已投产使用,在行业内电渗析治理硝酸铵废水技术推广面最广。另外,有几家公司使用离子交换治理硝酸铵废水技术(本文不再讨论这一技术,另撰文评述)。
几年来,电渗析处理硝酸铵废水的技术本身得到显著的进展。由于该系统的浓水含硝酸铵的质量分数可达10%,再蒸发浓缩使硝酸铵结晶的耗能较少,电渗析处理硝酸铵废水工艺较其它工艺相比,具有操作少、运行连续等优点,使该技术得到用户的欢迎。
电渗析处理硝酸铵废水工艺作为环保治理项目,其出水指标必须满足对污染物排放的国家标准的要求。
(1)旧标准
根据GB 13458—2001《合成氨工业水污染物排放标准》[1]规定,水污染物最高允许排放限值:对年产量≥30 万t[氨]的大型企业,排水中ρ(氨氮)≤40 mg/L;对6 万t[氨]≤年产量< 30 万t[氨],排水中ρ(氨氮)≤70 mg/L。
据“电驱动膜分离器在硝酸铵的回收中的应用(陕西兴化30 m3/h 硝酸铵回收)”一文[2]介绍,其电驱动膜分离器(即常规电渗析器)出水ρ(氨氮)≤100 mg/L,估计这也是当时电渗析处理硝酸铵废水工艺出水的设计值。根据相关资料介绍,采用电渗析技术处理硝酸铵废水的硝酸铵生产厂,其当时实际电渗析器出水中氨氮的质量浓度大致在50 mg/L上下波动。
可见,当时这些硝酸铵生产厂电渗析器出水氨氮基本上符合GB 13458—2001 的规定。
(2)新标准
2010 年12 月30 日国家发布了污染物排放新标准。根据新标准GB 26131—2010《硝酸工业污染物排放标准》[3]规定,自2011 年10 月1 日起,现有企业水污染物直接排放限值:ρ(氨氮)≤15 mg/L,ρ(总氮)≤50 mg/L;自2011 年3 月1 日起,新建企业水污染物直接排放限值:ρ(氨氮)≤10mg/L;ρ(总氮)≤30 mg/L。该标准还对特定地区制定了更严格的水污染物排污限值。
据了解,由于电渗析工艺本身存在一些不足之处,国家又提高水污染物排放标准后,仅用现有的电渗析工艺达到水污染物排放标准有一定的难度,到2013 年国家还将进一步提高排放标准。因此,我们提出一种新的改良电渗析法来治理硝酸铵废水。这种方法继承了原有电渗析工艺的优点,弥补了电渗析器的缺陷。采用该方法可全部回收硝酸铵废水中的铵盐,废水得到回用,实现“零排放”。
2 电渗析工艺的缺陷
(1)易发生透膜扩散现象和串水现象。
在浓水室循环增浓的浓水,与其淡水相比,两者浓度相差很大,产生了很高的渗透压,易于发生跨膜迁移,使得淡水的水质变坏,浓水的浓度降低。电渗析器的浓淡水密封是依靠离子交换膜的弹性来密封,当电渗析器拆洗后,再次重装,发生离子交换膜的错位,使密封不严,易导致浓水和淡水串流,影响最终出水水质。
(2)电渗析器的脱盐率不高。
以制备纯水用的电渗析器为例,一般电渗析器的脱盐率约为70%左右,近年来发明的无极水全自控电渗析器,其脱盐率为95%以上[4],即电导率小于1 000 μS/cm 的进水,出水电导率在50 μS/cm 左右。
(3)发生浓差极化反应,无法进行深度处理。
在电渗析工艺处理的水中导电离子很少的情况下,会在电渗析器内发生浓差极化现象,水解离成H+和OH-,来补充导电离子,这一来浪费了大量的电,二来使得水质不能得到提高。(4)电渗析工艺排水无法得到充分利用。目前电渗析工艺的排水中氨氮的质量浓度在
20 mg/L 左右,不能直接排放,设计中大都将处理后的废水排入循环冷却水。GB 50335—2002《污水再生利用工程设计规范》规定,在再生水用作冷却水时排水的水质指标为水中ρ(氨氮)≤10 mg/L,并特别规定当循环冷却系统为铜材换热器时,循环冷却系统水中ρ(氨氮)< 1 mg/L,而目前电渗析器出水一般都达不到这一要求,如将不达标的电渗析器出水直接排入冷却水系统,很容易发生冷却系统的腐蚀现象[5-6]。尤其到2013 年执行总氮排放标准时,总氮含量较高的废水处理将成为新的环保难题。
3 回收硝酸铵废水用电去离子技术工业试验
电去离子技术是一种新兴的水处理技术,它由电渗析技术改进而来,电渗析器内部填充有离子交换树脂,因此又称填充床电渗析器。它结合了电渗析技术和离子交换技术这两种技术的优点,和普通电渗析器相比,电去离子装置有占地面积小,不易串水、耗电低、效率高等优点。电去离子装置与离子交换器相比,电去离子装置能连续运行、不设置备用,无需用酸碱再生,环保效益好。电去离子装置内部所填充的树脂在运行过程中不断得到自再生,即在直流电场作用下,水不断电离为H+和OH-,这些离子与失效的树脂作用,再生为H 型和OH 型新鲜树脂。这样电去离子装置底层的树脂永远是新鲜的,就保证电去离子装置的出水水质很好,在一定条件下可以制得电阻率接近理论纯水(18.2 MΩ·cm)的高纯水。现在电去离子装置已经广泛地应用于能源工业、电子、生物、化工等行业,用以制备行业所需的高级纯水。在环保领域中,电去离子装置正在用以处理重金属废水。
近年来,作者曾在国内率先开发,已得到产业化应用的制备纯水用电去离子膜技术,又相继开发了在离子交换树脂电再生、水的软化和回收重金属废水方面的电去离子应用技术,最近开创性地提出电去离子技术应用于回收氨氮废水中来,推出浓水循环增浓法用于液态物料的浓缩,从而把电去离子这种膜分离技术变为一种膜浓缩技术[7-9]。
设计处理量为3 m3/h 小型装置,用它进行回收硝酸铵废水用电去离子技术的工业试验研究,即选用6 个经过改造的XL-500RL 模块(美国Electropure Co.,Ltd.)组成1 套3 m3/h 电去离子装置系统(见图1)。XL-500RL 模块主要性能:淡水流量为1.60~3.35 m3/h,浓水流量仅为淡水流量的10%,极水流量为0.03 m3/h。最大工作压力为0.7 MPa。
图1 用浓水循环浓缩电去离子技术处理硝酸铵废水系统
6 个模块按串联连接,每2 个串联模块后设一个增压泵,以克服流动阻力,驱动废水流动。浓水和极水分别按2 个串联模块再并联来连结。在浓缩试验过程中,浓水不断地在模块浓水室和浓水罐之间循环流动,使从淡水室迁移过来的盐分进入浓水中,导致浓水中盐分浓度不断升高。
硝酸铵化学纯产品用反渗透膜制得的初级纯水溶解,配成电导率为2 500 μS/cm 以下的溶液,用这种溶液模拟已经预处理过的硝酸铵废水。在6 个串联模块组成的电去离子装置中,按浓水循环增浓法来浓缩溶液,在试验中确保末端模块淡水室出水中氨氮的质量浓度几乎为0。6 个串联电去离子模块处理硝酸铵废水时出水电导率的变化见图2。
从图2 中数据可以看出,经电去离子装置处理,可以将水中的硝酸铵全部去除,水的电导率可以达到0.2 μS/cm,远远低于ρ(氨氮)≤15 mg/L的标准,比反渗透装置的出水水质还要好,将它作为脱盐水回用。尤其是制备纯水用的电去离子装置,进水中的离子浓度(以电导率表示)在40 μS/cm 以下,通常离子浓度在10 μS/cm 以下,处理后纯水的电导率可达0.06 μS/cm,即将脱盐水制备成为高纯水。所以电去离子装置不但可以用来进行制备纯水的深度处理,而且可以用做回收硝酸铵废水的深度处理。
4 硝酸铵废水深度处理用电去离子工艺
电去离子装置比较适合于配置在电渗析工艺后段,将它作为硝酸铵废水深度处理工艺。为此,将电渗析工艺处理后的出水,再进入电去离子装置处理,可使处理后出水ρ(氨氮)≤5 mg/L,甚至为0,这样就可以将全部硝酸铵废水回用,实现“零排放”。硝酸铵废水经多级多段电渗析器处理,废水中剩余氨氮的质量浓度为15~40 mg/L,由于电渗析工艺本身存在种种缺陷,再增加处理用电渗析器的数量,也无法再将出水水质提高。如在电渗析工艺后,采用2 个电去离子装置模块,就可以使硝酸铵废水中氨氮的质量浓度从43 mg/L(电导率约172.4 μS/cm)下降至0.05 mg/L(电导率约0.2 μS/cm),此时水中的氨氮几乎为0 (见图2)。
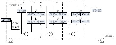
图3 6 m3/h 硝酸铵废水处理用改良电渗析系统
图3 所示是为某硝酸铵生产厂设计的6 m3/h硝酸铵废水处理用改良电渗析系统。在该硝酸铵废水处理系统中,前段为电渗析处理工艺:将质量分数为1%硝酸铵废水通过两级电渗析工艺浓缩获得质量分数为10%左右硝酸铵浓缩液,再用蒸汽加热,蒸浓、结晶就得到固体硝酸铵产品;同时经电渗析工艺处理获得的淡水(氨氮的质量浓度约为50 mg/L)进入后段。后段为电去离子处理工艺:经电去离子处理工艺处理后的淡水,其氨氮的质量浓度不足5 mg/L,可回收利用;这时在电去离子装置内循环使用的浓水,待电导率达几百μS/cm,就送入前段电渗析工艺回收,没有一点外排废水。这种以电渗析为主、以电去离子为辅的回收硝酸铵废水的工艺,称为改良电渗析工艺。
硝酸铵废水深度处理用电去离子系统的运行特点如下:
(1)提高了分离效率。硝酸铵废水经多级多段电渗析装置处理,进入电去离子装置后,电去离子装置中的离子交换树脂先将水中的氨氮(即硝酸铵)大量吸附,使得离子交换树脂床层中的硝酸铵的浓度提高,在电场的作用下,能快速向浓水室迁移,提高了分离效率。
(2)密封好,不会串水。电去离子装置克服了电渗析器密封不好的缺陷。由于每个电去离子装置的浓、淡水室是由多层密封圈密封的,使电去离子装置内水溶液只能跨膜迁移,不会发生淡水和浓水串流现象。
(3)浓差扩散小。在已知的工程实践中(制备纯水时),电去离子装置的浓水室加盐运行,并进行浓水循环,而此时淡水出水电导率却只有0.06μS/cm,不会发生透膜扩散现象。
(4)出水水质好。电去离子装置在低浓度条件下,脱盐率很高,该技术已经在很多地方代替了混床进行末端的深度脱盐,其出水水质极佳。电去离子装置末端,水中大部分盐已经迁移出来了,水会发生解离反应,生成H+和OH-,其中H+再生阳离子交换树脂、OH-再生阴离子交换树脂,使得电去离子装置内部的离子交换树脂再生,保证了最终出水水质。硝酸铵废水经过电去离子装置处理后,出水的水质很好,出水ρ(氨氮)≤5 mg/L,甚至可以使ρ(氨氮)≤1 mg/L。
(5)占地面积小。电去离子装置模块化设计,可以像书架上的书本一样多层叠加,减少了装置的占地面积。
我们开发了电去离子装置深度处理硝酸铵废水的技术,用这种技术来弥补电渗析工艺的这些缺陷,使得电渗析工艺既保留了操作简便、水中铵盐回收率高等优点,又可以使废水全部回收利用,真正实现“零排放”。。
5 结论
电去离子技术,又称填充床电渗析技术,通过对常规电渗析和填充床电渗析工艺的有机集成,开发得到改良型电渗析工艺,实现了电渗析工艺的创新。硝酸铵废水经本系统处理后可达到硝酸铵产品的全部回收及水资源得到循环利用,浓水中氨氮的质量分数大于或等于10%,经蒸浓结晶,得到固体硝酸铵产品;得到氨氮的质量浓度小于或等于5mg/L,甚至可达小于或等于1 mg/L 的淡水,可作为脱盐水回用,真正实现了“零排放”。
参考文献:
[1] GB 13458—2001,合成氨工业水污染物排放标准[S].
[2]陈观文,徐平.分离膜应用与工程案例[M].北京:国防工业出版社,2007. 465-467.
[3] GB 26131—2010,硝酸工业污染物排放标准[S].
[4]沈英立.电渗析纯水技术关键性突破[J].工业水处理,1992,12(5):38,31.
[5]段锦章.对《污水再生利用工程设计规范》中氨氮指标的建议[J].给水排水,2006,32(4):113-114.
[6]许晶晶,李进,李强,等.回用水中氨氮对不锈钢耐腐蚀件的影响[J].工业水处理,2007,27(7):6-63.
[7]王方. 电去离子软水技术的原理与应用前景[J].工业用水与废水,2007,38(1):1-3.
[8]王方.绿色电去离子水处理技术[M].北京:中国环境科学出版社,2010. 1-131.
[9]王方.一种回收无机氨氮废水用的电去离子方法及装置[P].CN:200810222280.5,2008-09-16.
作者简介:王方(1938-),男,浙江平湖人,教授,研究方向为工业水处理的研究和开发。(工业用水与废水)














