1 引言
垂直流人工湿地因具有较高的水力负荷、污染物去除效率高、占地小等优点,越来越得到大面积的应用.近年来,垂直流湿地多用于不同污染负荷生活污水的处理,其净化效果主要受湿地类型构造本身、填料、植物类型、进水C/N比与启动季节等因素的影响,而关于进水C/N比对不同植物类型处理生活污水效果的影响研究相对较少.污水C/N比是反映湿地系统内部碳氮循环的主要指标,综合了湿地生态系统功能的变异性,容易测量,是确定废水碳氮平衡特征的一个重要参数.湿地系统的进水C/N比特征直接影响着微生物的群落结构,从而影响污水处理效果.另外,不同湿地植物、不同环境条件下及不同生长时期对N、P的需求量也不同.植物对N、P吸收量及比例的变化,也会间接影响其在不同季节对污水去除效率的贡献.
本研究针对垂直流型人工湿地系统,研究水葱(Scirpus tabernaemontani),香蒲(Typha orientalis,)菖蒲(Acorus calamus)和千屈菜(Lythrum salicaria)4种植物湿地在不同进水C/N比条件下的污水净化能力,探讨其可能的影响机制.
2 材料和方法
2.1 人工湿地的构建
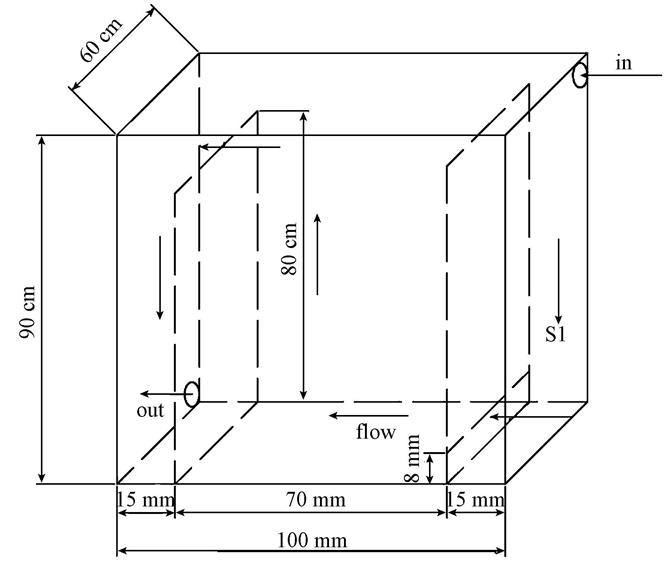
人工湿地污水处理系统于2014年1月建于复旦大学生态学实验基地温室大棚内,为垂直潜流型人工湿地(图 1),各湿地尺寸均为1.0 m×0.6 m×0.9 m(长×宽×高),在长边15 cm处分别用隔板隔开,靠近进水端15 cm的隔板底部以尺寸为0.80 m×0.15 m的矩形开口相通.布水区填料上层为粒径约12 mm的炉渣,厚度为45 cm,炉渣在使用前经过5次冲洗,以避免其会产生高碱度的环境,从而危害植物和根系间微生物的生长;下层为粒径约15 mm的砾石,厚度为20 cm,进出水隔板之间10 cm的高度差使得水流可以从布水区自行流入出水端.进水区采用穿孔(15 mm的孔,间距为100 mm)PVC管均匀布水,试验于2014年1—3月先进行湿地驯化,2014年4月到2015年1月为污水处理正式运行阶段,采用连续进水方式,水力负荷为0.67 m3 · m-2 · d-1,HRT为1.5 d,填料层的孔隙率约为43%.3种不同的C/N比进水条件,每种植物湿地均为4个平行处理,共计48个湿地单元.
图1 垂直流型人工湿地
2.2 模拟生活污水的配制及进水水质特征
对4种植物类型湿地进行碳源不同污染梯度水平的添加处理,碳源添加浓度分别为100、200、400 mg · L-1(污染负荷分别为322.64、645.35、1280.06 mg · m-3 · d-1),N素添加浓度为40 mg · L-1(污染负荷为107.75 mg · m-3 · d-1),P素添加浓度为5 mg · L-1(污染负荷为16.58 mg · m-3 · d-1).模拟污水的配方为 100、200、400 g · m-3 葡萄糖,80 g · m-3 尿素,15 g · m-3 NaH2PO4,1.5 g · m-3 KH2PO4,4 g · m-3 CaCl2,2 g · m-3 MgSO4.3种不同C/N比进水条件分别为C1N(2.5 ∶ 1)、C2N(5 ∶ 1)和C3N(10 ∶ 1).每种湿地植物在相同进水条件下的处理均为4个平行组.模拟生活污水的进水水质特征见表 1和表 2.
表1 不同进水C/N比条件下主要理化指标的进出水特征

表2 不同进水C/N比条件下主要污染物的进水浓度与去除率及湿地植物收获后生物量
2.3 实验步骤
本研究选取本实验室前期筛选出的具有较好污染物降解效果的水葱、香蒲、菖蒲和千屈菜,均为挺水植物.2014年的2月1日每个湿地单元分别种植水葱(Scirpus tabernaemontani)、香蒲(Typha orientalis)菖蒲(Acorus calamus)和千屈菜(Lythrum salicaria),上述4种湿地植物种植时单个湿地平均鲜重分别为0.28、0.34、0.21和0.41 kg,种植密度为 5~8 株 · m-2.前期湿地用模拟生活污水灌水2个月,该阶段为湿地的驯化期.实验运行周期为10个月,时间为2014年的4月1日至2015年的1月31日,模拟污水以0.21 m3 · m-2 · d-1的水力负荷进入人工湿地单元,配水装置是一个直径5 cm的塑料管,其上分布着直径1.5 mm的小圆孔.每周通过一个200 L的大水箱向人工湿地供水5 d,另外2 d为停歇时间.
2.4 水样、植物样采集与测定
每周采集进出水样一次,每月测定的4个周的平均值作为该月处理水样的月平均值.COD采用重铬酸钾法测定,TP采用AQ2全自动间断化学分析仪(Automated Chemistry Analyzer,Engl and )测定,TN采用德国产Liquor TOC分析仪测定.物理化学指标的测试包括氧化还原电位(Eh)、pH值、溶解氧(DO),均是在现场实地测量,其中,DO采用Orion Dissolved Oxygen Probe(Model 862Aplus,USA)测量,Eh采用Orion 250Aplus ORP Field Kit测量,pH值采用Orion Portable pH Meter(Model 250Aplus,USA)测量.分别采集和测定各湿地植物实验前后的生物量,本研究采用种植前与实验结束收获后湿地植物鲜重表示生物量.
2.5 数据分析
污染物去除率R的计算公式如下:
式中,Ci和Ce分别表示进水和出水的浓度(mg · L-1).1个月中每周测量值的平均值用来表示1个月中污染物的去除效果.
2.6 统计分析
所有的数据都采用SPSS软件进行分析.一阶方差分析用来分析4种不同植物垂直潜流式人工湿地各种参数条件下的出水状况.二阶方差分析用来分析测试不同的碳元素添加、人工湿地植物类型、季节变化,以及其两两或者3个一起的综合影响作用.Duncan多倍范围检验用来进一步评价方差分析中的差异显著性.
3 结果
3.1 主要物理化学指标的变化
pH值、氧化还原电位(Eh)和溶解氧(DO)值见表 1.对于pH值,3种C/N比进水条件下,4种植物湿地均表现为出水值(6.38~6.81)低于进水值(7.23~7.56),但不同处理条件下,不同植物间差异不显著(p>0.05).对于DO值,C1N和C2N处理要显著高于C3N处理(p<0.05),但相同处理不同植物类型间差异不显著(p>0.05).对于4种植物湿地类型,Eh值在C1N、 C2N和C3N处理中差异也不显著(p>0.05).
3.2 主要污染物去除率随时间的变化
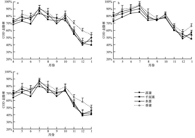
主要污染物去除率在处理过程中各个月份中的变化明显,3种进水负荷下,COD去除率在香蒲和菖蒲湿地均优于水葱和千屈菜湿地(图 2,表 2).如图 2a所示,C1N处理中,4种植物湿地中COD去除率在秋末和冬初波动相对较大.在C2N和C3N处理中,4种植物湿地均表现出在7月和10月COD去除率较高(图 2b和2c).到实验结束(1月),3种处理条件下,不同植物湿地对COD去除率均下降到最低值,受季节影响显著.由表 3的方差分析发现,季节、植物类型与季节的交互作用对COD的去除率影响显著(p<0.05).
图2 实验期间COD去除率变化(a.C/N=2.5 ∶ 1; b.C/N=5 ∶ 1; c.C/N=10 ∶ 1)
如图 3所示,4种植物湿地中TN去除率在所有进水条件下均出现了较为明显的波动.在C1N和C2N处理中,水葱湿地的TN去除率低于其他3种植物湿地(图 3a,3b),而香蒲湿地在整个实验阶段TN去除率均较高.在C2N和C3N处理中,4种植物湿地类型在10月TN去除率明显较高,冬初(11—12月)也表现出了相对较高的去除能力(图 3b和3c),然而到翌年1月均呈明显下降趋势,TN去除率较低.在整个实验启动期间,TN去除率受季节变化影响明显,波动时间相对较长.研究发现,季节对TN的净化效果具有显著影响(p<0.05)(表 3).
图3 实验期间TN去除率变化(a.C/N=2.5 ∶ 1; b.C/N=5 ∶ 1; c.C/N=10 ∶ 1)
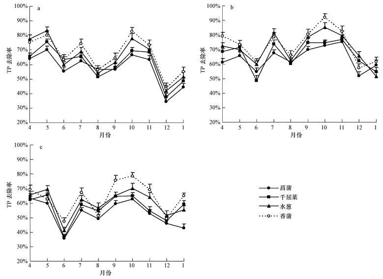
对于TP去除率,其在所有进水负荷条件下都表现出在香蒲和水葱湿地稍高于菖蒲和千屈菜湿地(图 4).表 3分析发现,季节对TP去除率的影响明显(p<0.05).较高的TP去除率出现在4—5月,但最低值大都出现在冬季(12月,C/N=10 ∶ 1情况下最低值出现在6月)(图 4).TP去除率在菖蒲湿地总是相对较低,且受季节变化影响显著.
图4 实验期间TP去除率变化(a.C/N=2.5 ∶ 1; b.C/N=5 ∶ 1; c.C/N=10 ∶ 1)
4 讨论
不同进水C/N比处理条件下,湿地去除能力有明显差别.很多研究结果表明,进水的污染物负荷的C/N比对污水的净化效果有较大的影响.赵永军等研究发现,微生物在不同生长阶段会根据自身需要调节所需要的C/N和P/C比,较高的生长速率不仅仅会出现在较高的C/N和P/C比下,也会出现在较低的N/P比的情况下,如细菌.合理控制C源和N源,以及进水污染物的C/N比,对于提高COD的去除率具有积极意义.本研究COD去除率达63%~78%,与在水平潜流型湿地的处理效果接近(60%),而略低于Poach等)的研究结果.COD的去除率在香蒲湿地中相对高于其他3种湿地,其机理可能是香蒲植物向根区输氧能力更强,在植物根区的还原态介质中形成氧化态微环境,使有氧区域和无氧区域共同存在,有利于充分发挥微生物降解有机污染物的作用.利用菖蒲湿地处理生活污水时COD的去除率约为76%,与本研究进水C/N=5 ∶ 1时结果基本相同.另外,4种植物湿地均受到了进水负荷和季节变化的较大影响.COD在污染物进水负荷为C/N=5 ∶ 1时的去除率达到最大.C/N=10 ∶ 1时的结果显示,在较高的C/N负荷中,有机污染物的降解率相对较低.此结果与赵永军等的研究结果基本一致.
垂直潜流人工湿地对于氮的去除主要是依靠硝化和反硝化过程实现的.当C/N=5 ∶ 1时,TN去除率比C1N和C3N处理高,而香蒲湿地也略高于其他3种植物湿地.这说明在适合的C/N比条件下,可使得硝化反应和反硝化反应达到最佳状态,适量的碳源保证了湿地反硝化过程的顺利进行.而植物的合理选择也在一定程度上提高了TN的去除效果.在不同的进水负荷条件下,平均TN去除率在香蒲湿地中达到了38%~49%,与Seo等(2008)在水平流湿地中48%的去除率接近.比较了水葱、香蒲和千屈菜等湿地植物对生活污水的TN去除率,发现香蒲的去除效果高于千屈菜,这与本实验的研究结果基本一致.另外,该研究结果表明,季节变化对于TN的去除则是有非常显著的影响,特别是在6—7月间,TN去除率达到最高值.TN在夏季有较高的去除率,其原因可能是植物在较高温度下良好生长,根系充分发育,为植物根系间微生物提供了良好的新陈代谢环境所致.
人工湿地中TP的去除主要是通过湿地基质填料的吸附作用和沉降作用来实现的.为了可以达到较好的除磷效果,本研究以炉渣作为湿地填料的上层填充物,在不同进水条件下4种植物湿地均表现出了较高的TP去除率.Tanner等研的究结果表明,P在人工湿地中的吸附沉淀降解是一种有限的过程,经过一段时间以后湿地填料必须要更新或者冲洗以后才能再用,否则TP去除效果会下降.因此,人工湿地填料的选择对于TP的去除是一个非常重要的影响因素研究发现,水葱对总氮的净化效率可达到85%,好于其他挺水植物湿地.但本试验中水葱湿地虽去除率高于其他3种湿地,但仅为70%左右.这可能与研究的人工湿地类型与进水浓度不同有关.本研究发现,不同植物类型湿地间TP的去除率差异不大,可能的原因是植物对于磷元素的吸收对于整个TP去除的贡献率较小,湿地基质的吸附降解作用是其主要途径.不同C/N比处理下,TP的去除效果也差异明显,当C/N=5 ∶ 1时,具有最大值(63%~73%).这说明进水的C/N比也是影响人工湿地TP去除效果的重要因素.合理设计人工湿地进水C/N比例,有利于取得理想的TP净化效果.
5 结论
通过室外垂直潜流人工湿地中试实验中4种湿地植物处理不同进水负荷和C/N比生活污水在一个生长季的污染物净化效果和季节动态的研究,最终确定了最佳的植物选择和进水负荷及C/N比.在COD为200 mg · L-1,进水C/N=2.5~5.0时,香蒲和水葱具有较好的净化效果,可作为优先选择的植物类型.本研究对于提高垂直潜流人工湿地中污染物的去除效果,优化垂直潜流人工湿地工程设计中的理论参数具有重要的理论价值.














