Î÷½ÓÍÌïFPSOË®Á¦ÐýÁ÷Æ÷Åź£»ØÁ÷¹ÜÏßÓÚ2013Äê7Ô·¢Éú¸¯Ê´Ê§Ð§Ê¼þ£¬³¤Ô¼5mµÄÖ±¹Ü¶ÎÖм䲿λ·¢Éúй©£¬´©¿×Ö±¾¶Ô¼45mm£¬Î»ÓڹܶÎ6µãÖÓ·½Ïò¡£¸ÃÌõ¹ÜÏ߻㼯Á˵çÍÑË®¹Þ¡¢µçÍÑÑι޼°Ë®Á¦ÐýÁ÷Æ÷Åź£µÄÉú²úË®£¬ÊÇÉú²úˮϲպÍÍâÅÅ»ØÁ÷µÄ¹²ÓùܶΣ¬»ØÁ÷ÿÌìÔ¼1h£¬Á÷Á¿Ô¼Îª300m3/h£¬ÆäÓàʱ¼ä¸Ã¹Ü¶ÎΪ¾²Ë®¡£
1¸¯Ê´Ê§Ð§¿×Íâ¹ÛÐÎò
ÖØµã¹Ø×¢¹ÜÏ߸¯Ê´Ê§Ð§¿×¸½½ü²¿Î»¸¯Ê´ÐÎò£¬Çиîºó·¢ÏÖÄÚ±Ú±íÃæ¸½×ÅÒ»²ã½ÏºñµÄÓÍÄ࣬·Ö±ðÓÃʯÓÍÃѳýÓÍ¡¢ËáÏ´ÒºÇåÏ´ÄÚ±Ú£¬·¢ÏÖÄÚ±Ú´æÔÚ¶à´¦Ã÷ÏÔ²»¹æÔòµÄ¸¯Ê´¿Ó£¬¸¯Ê´¿×ºá½ØÃæ³Ê×¶Ãæ£¬ÓÉ´Ë¿ÉÒÔÍÆ¶Ï¹ÜÏ߸¯Ê´ÓÉÄÚ¶øÍâ·¢Éú¡£Í¨¹ý³¬Éù²¨²âºñ·¢ÏÖ¹ÜÏߵײ¿ÓëÆäËû²¿Î»Ïà±È¼õ±¡×îΪÑÏÖØ¡£
2¸¯Ê´Ê§Ð§¿×΢¹Û·ÖÎö
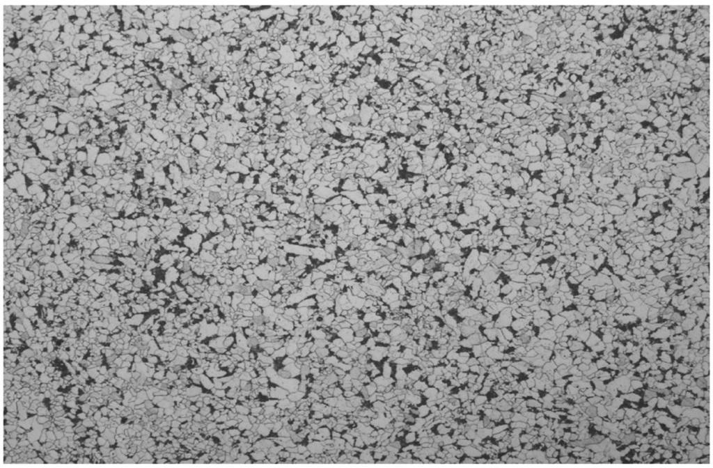
2.1½ðÏà·ÖÎö
¹Ü²ÄÑùÆ·½ðÏà×é֯ΪÌúËØÌå+Öé¹âÌ壬¾§Á£¶ÈΪ8.5¼¶¡£¶ÔÊÔÑù½øÐнðÏà·ÖÎö£¨·Å´ó100±¶£©£¬Èçͼ1Ëùʾ¡£
ÓÉͼ1¿É¼û£¬´Ó²ÄÁÏ΢¹Û×éÖ¯À´¿´»úеÐÔÄܽϺã¬ËµÃ÷²ÄÖʱ¾Éí²¢Ã»ÓдÙʹ¸¯Ê´·¢ÉúµÄȱÏÝ¡£
2.2¸¯Ê´²úÎïɨÃèµç¾µ¼°Äܯ׷ÖÎö
ÓÃɨÃèµç¾µ¶Ô¸¯Ê´¿ÓÄÚ±Ú¸¯Ê´²úÎï½øÐÐÐÎÃ²ÌØÕ÷¹Û²ì½á¹û·¢ÏÖ£º¸¯Ê´²úÎïÊèËÉÇҳɿÅÁ£×´£¬±È½ÏÈÝÒ×ÍÑÂ䣬¸¯Ê´²¿Î»°¼ÏÝÃ÷ÏÔ£¬Óë¹ÜÏßÄÚ±Ú±íÃæÐγɶϲ㡣ÄÚ±Ú¸¯Ê´²úÎïÄܯף¨EDS£©·ÖÎö½á¹ûÈçͼ2Ëùʾ¡£
¸¯Ê´²úÎïµÄÔªËØ×é³É·ÖÎöÈç±í1Ëùʾ¡£
ÓÉͼ2¡¢±í1¿É¼û£¬¸¯Ê´²úÎïÖ÷Òªº¬ÓÐC¡¢O¡¢FeµÈÔªËØ×é³É£¬Í¬Ê±°éÓÐÉÙÁ¿Si¡¢S¡¢K¡¢MnµÈÔªËØ¡£
2.3¸¯Ê´²úÎïXÉäÏßÑÜÉ䣨XRD£©·ÖÎö
¸¯Ê´²úÎïXRD·ÖÎö½á¹ûÈçͼ3Ëùʾ¡£
ÓÉXRD·ÖÎö·¢ÏÖ£¬¹Ü²ÄÄÚ±Ú¸¯Ê´²úÎïÖ÷ÒªÓÉFeCO3¡¢ÌúµÄÑõ»¯ÎïFe3O4/Fe2O3¡¢SºÍSiO2µÈ×é³É¡£FeCO3ÊÇFeÊܵ½CO2¸¯Ê´Éú³ÉµÄ¸¯Ê´²úÎ1¡³£»ÌúµÄÑõ»¯Îï¿ÉÄÜÊÇÑùÆ·ÔÚ´¢Ô˹ý³ÌÖнðÊôÊܵ½¿ÕÆøÑõ»¯ËùÖ£»S¿ÉÄÜÊǸ¯Ê´²úÎïFeS±©Â¶ÔÚ¿ÕÆøÖб»Ñõ»¯¶øÀ´£»SiO2ΪÉú²ú¹ý³ÌÖÐÁ÷ÌåЯ´øµÄÄàɰ¡£ÒòΪFeS¿ÉÄÜ·¢Éú·´Ó¦Éú³ÉS£¬Òò´ËÔÚXRD·ÖÎöÖÐÄÑÒÔ¼ì²â³öFeSÏÔʾ³öµÄ·å¡£
3¸¯Ê´ÔÒò·ÖÎö¼°·À»¤´ëÊ©Ñо¿
3.1¸¯Ê´ÔÒò·ÖÎö
ͨ¹ýÉÏÊöÑо¿·¢ÏÖ£ºÎ÷½ÓÍÌïFPSOϵͳ¸¯Ê´µÄÖ÷ÒªÔÒòΪCO2µÄ¸¯Ê´¡²2¡³£¬ÁíÍ⣬FPSOϵͳÄÚH2SÖÊÁ¿Å¨¶ÈΪ100¡«300mg/L£»CO2Ìå»ý·ÖÊýΪ17%£¬CO2·ÖѹÓëH2S·Öѹ֮±ÈÔ¶´óÓÚ500¡²3¡³£¬ÔÚÕâÖÖÌõ¼þÏÂͨ³£ÒÔ·¢ÉúCO2¸¯Ê´ÎªÖ÷¡£¸¯Ê´²úÎïÖз¢ÏÖÒ»¶¨º¬Á¿µÄS£¬¿ÉÄÜÊǸ¯Ê´²úÎïFeS±©Â¶ÔÚ¿ÕÆøÖб»Ñõ»¯¶øÀ´£¬¶øÏµÍ³ÖÐÒ²·¢ÏÖÓдóÁ¿µÄSRB´æÔÚ£¬º£¹ÜSRBÔÚ25¡«70mL-1Ö®¼ä²¨¶¯£¬·ÖÀëÆ÷¼°Ë®Á¦ÐýÁ÷Æ÷Ë®ÏàSRBÔÚ80¡«700mL-1Ö®¼ä²¨¶¯£¬ËùÒÔSRB¸¯Ê´Ò²Êǵ¼Ö¸¯Ê´Ê§Ð§·¢ÉúµÄÖ÷ÒªÔÒò¡²4¡³¡£
3.2·À»¤´ëÊ©
£¨1£©×¢È뻺ʴ¼Á¡£Õë¶ÔÎ÷½ÓÍÌïFPSO¸¯Ê´µÄÖ÷ÒªÒòËØ£¬¿ª·¢ÁË»ºÊ´¼ÁTS-7020£¬¸ÃÒ©¼ÁΪ˫ßäßòßø»ºÊ´¼Á£¬ÆäÖ÷Òª½á¹¹Èçͼ4Ëùʾ¡£
ÏÖ³¡È¡·ÖÀëÆ÷Ë®Ñù½øÐлºÊ´¼ÁЧ¹ûÊÒÄÚÆÀ¼Û¡£ÆÀ¼ÛÌõ¼þ£º80¡æ£¬Í¨CO2³ýÑõ10min£¬Í¬Ê±ÓÃCO2¼ÓѹÖÁ1.2MPa£¬½á¹ûÈç±í2Ëùʾ¡£
Óɱí2¿É¼û£¬¸Ã»ºÊ´¼ÁÊÊÓÃÓÚÒÖÖÆCO2µÄ¸¯Ê´£¬ÕûÌ建ʴÂʽϺã¬×¢ÈëÒ©¼ÁÖÊÁ¿Å¨¶ÈΪ15mg/Lʱ£¬»ºÊ´Âʼ´¿É´ïµ½96.7%¡£
£¨2£©¶¨ÆÚɱ¾ú¡£ÓÉÓÚϵͳÖÐÓдóÁ¿SRB´æÔÚ£¬Òò´ËϵͳµÄ·À»¤´ëÊ©ÖУ¬³ýÁËÈÕ³£µÄ»ºÊ´¼ÁµÄ×¢ÈëÍ⣬¶¨ÆÚ¶ÔÉú²úϵͳ½øÐÐɱÃðSRBµÄ´¦ÀíÒ²Ïàµ±ÖØÒª¡£Õë¶Ô¸ÃÓÍÌïµÄϸ¾úÇé¿ö£¬É¸Ñ¡³öÒ»ÖÖɱ¾ú¼Á£¬¸ÃÒ©¼ÁÊÇÒ»ÖÖ¸´ºÏÐÍɱ¾ú¼Á£¬ÓÉÈ©Àà¡¢¶à¼¾ï§Ñμ°ÆäËûÓлúɱ¾ú¼Á¸´ºÏ¶ø³É¡£¸ÃÒ©¼Á¶ÔϵͳÒÑÉú³ÉµÄÉúÎïĤ¼°¸¯Ê´²úÎïÓаþÀë×÷Ó㬿ÉÓÐЧɱÃðÉúÎïĤ¼°¸¯Ê´²úÎïϵÄSRB£¬Í¬Ê±£¬¸ÃÒ©¼Á¿ÉÓÐЧ½â¾ö¾úÀàÔÚ³¤Ê±¼ä´¦ÓÚͬһÀàÒ©ÎïµÄ×÷ÓÃÏÂÒײúÉú¿¹Ò©ÐÔµÄÎÊÌ⡲5¡³¡£
3.3ÏÖ³¡·À»¤Ð§¹û¼à²â
¸ù¾Ý¸¯Ê´ÔÒò·ÖÎö¼°·À»¤´ëÊ©Ñо¿½á¹û£¬ÔÚÎ÷½ÓÍÌïFPSOº£¹ÜÉϰ¶µã×¢È뻺ʴ¼Á15mg/L£¬Í¬Ê±ÔÚº£¹ÜÉÏÓμäЪʽעÈëɱ¾ú¼Á£¬Ã¿ÖÜ×¢ÈëÒ»´Î£¬×¢ÈëÖÊÁ¿Å¨¶ÈΪ200mg/L£¬Ã¿´Î³ÖÐøÉ±¾ú6h¡£¸¯Ê´·À»¤´ëʩʵʩǰºó¸¯Ê´¹ÒƬ¼à²â½á¹ûÈç±í3Ëùʾ¡£¡£
Óɱí3¿É¼û£¬ÓÉÓÚÕÒµ½ÁËϵͳ¸¯Ê´µÄÖ÷ÒªÔÒò£¬»ºÊ´¼Á£¬É±¾ú¼Á¹²Í¬×÷ÓÃÏ£¬ÏµÍ³¸÷´¦µÄ¸¯Ê´×´¿öµÃµ½ÁËÃ÷ÏԵĸÄÉÆ¡£²âÊÔ½á¹û±íÃ÷£¬ÓÍÏฯʴËÙÂÊά³ÖÔÚ0.025mm/aÖ®ÄÚ£¬Ë®ÏฯʴËÙÂÊά³ÖÔÚ0.125mm/aÖ®ÄÚ£¬»ºÊ´ÂÊ×î¸ß¿É´ïµ½92.96%¡£Ä¿Ç°ÏµÍ³Îȶ¨ÔËÐÐÇé¿öÏ£¬º£¹ÜSRBÔÚ6¡«13mL-1Ö®¼ä²¨¶¯£¬·ÖÀëÆ÷¼°Ë®Á¦ÐýÁ÷Æ÷Ë®ÏàSRBÔÚ6¡«25mL-1Ö®¼ä²¨¶¯£¬SRBϸ¾úÔÚϵͳÄڵķ±Ö³Ëٶȵõ½ÁËÓÐЧµÄ¿ØÖÆ¡£
4½áÂÛ
£¨1£©¸¯Ê´ÔÒò·ÖÎö±íÃ÷£¬Î÷½ÓÍÌïFPSOµÄ¸¯Ê´ÒÔ¶þÑõ»¯Ì¼¸¯Ê´ÎªÖ÷£¬Í¬Ê±°éÓоֲ¿µÄSRBϸ¾ú¸¯Ê´ÏÖÏó¡£
£¨2£©Õë¶Ô¸ÃÓÍÌïµÄ¸¯Ê´ÏÖ×´£¬¿ª·¢ÁË»ºÊ´¼ÁºÍɱ¾ú¼ÁÏà½áºÏµÄ·À»¤´ëÊ©£¬Ê¹Éú²úϵͳµÄ¸¯Ê´×´¿öµÃµ½ºÜ´ó¸ÄÉÆ£¬Ä¿Ç°ÓÍÂÖÕû¸öÉú²úϵͳµÄ¸¯Ê´ËÙÂÊ»ù±¾¶¼±£³ÖÔÚ0.125mm/aÒÔÏ£¬ÏµÍ³¸÷µãSRBϸ¾ú¾ù¿ØÖÆÔÚ25mL-1ÒÔÏ¡£














