凹凸棒土是一种含水镁铝碳酸盐粘土矿物,凹凸棒土的基本结构单元是平行于碳轴的硅氧四面体双链组成,各个链间通过氧原子连接,每个双链的上下层间通过一层镁原子的六价配位连接。硅氧四面体活性氧原子的指向(即硅氧四面体的角顶)每四个一组上下交替排列。由于晶体结构中存在晶体孔道,内表面积较大,因而具有很强的物理吸附性能。
由于无机盐类絮凝剂在水处理过程中存在较大的问题,如聚合速度慢,形成的絮状物小,腐蚀性强,在某些场合净水效果不理想等等,而逐渐被无机高分子和复合型无机高分子絮凝剂所取代。聚合硫酸铁具有较强的吸附、架桥、絮凝沉淀性能,而凹凸棒土具有独特的单元晶体结构,因此具有很强的物理吸附作用,依据协同增效的原理将聚合硫酸铁与凹凸棒土复配制得一种新型高效的絮凝剂。
1.实验部分
1.1聚合硫酸铁的制备
制备方法按文献。将1.35mL的浓硫酸加入盛有15.7mL水的圆底烧瓶中配制成稀溶液,加热到55℃。在搅拌下分别加入27gFeSO4.7H2O和2.7gKClO3,搅拌3.5h,加水至35.0ml,冷却到室温,备用。
1.2凹凸棒土的热改性
采用热改性的方式,称取一定量的凹凸棒土,分别在300℃、400℃、500℃、600℃、700℃下烘焙1h,冷却后研磨,用200目筛过筛,干燥备用。
1.3凹凸棒土-聚合硫酸铁复合絮凝剂的制备
将5mL聚合硫酸铁与2g的改性凹凸棒土在搅拌条件下于30℃~70℃下反应1h~6h,然后于55℃烘干后,研磨成粉状,备用。
1.4凹凸棒土-聚合硫酸铁复合絮凝剂性能评价
将所制凹凸棒土-聚合硫酸铁复合絮凝剂样品粉末与KBr混合均匀,压制成片,测定其红外光谱;利用对生活污水CODCr和浊度去除率来评价复合絮凝剂的使用性能。初始生活污水CODCr浓度:80mg/L,浊度:20NTU。
2.结果与讨论
2.1凹凸棒土-聚合硫酸铁复合絮凝剂红外光谱(FT-IR)(图1)

在3000cm-1~4000cm-1处出现了一个新的吸收峰,正是凹凸棒土的吸收峰,说明复合絮凝剂中含有凹凸棒土,凹凸棒土-聚合硫酸铁接枝成功。
2.2凹凸棒土改性温度对复合絮凝剂性能的影响(图2)

在400℃左右的复合絮凝剂絮凝效果较好,主要是因为随锻烧温度的升高,凹凸棒土经历了外表面吸附水、孔道吸附水和部分结晶水的脱出过程。当温度超过500℃时,因结晶水的大量脱出,会使凹凸棒土结构发生变形甚至破坏,其比表面积会降低。从而使聚合硫酸铁与之复合时的产品絮凝效果与凹凸棒土结构随温度变化一致。因此,所选改性凹凸棒土温度为400℃。
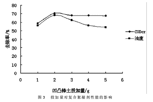
2.3凹凸棒土投加量对复合絮凝剂性能的影响(图3)

凹凸棒土与聚合硫酸铁分子的特性基团在胶体颗粒表面的相互作用随凹凸棒土投加量增加导致絮凝剂分子之间作用力发生变化,而使吸附层更加牢固和紧密,增加和提高了絮凝剂的絮凝性能,絮凝效果增强。但凹凸棒土投加量过大时,絮凝效果变差,这是由于絮凝剂制备中加入的凹凸棒土过多时,絮凝剂之间的作用力降低,絮凝效果减弱,凹凸棒土的的最佳投加量为2g/L左右。
2.4凹凸棒土与聚合硫酸铁复合反应温度对复合絮凝剂性能的影响(图4)

随着复合反应温度的增加,浊度和CODcr去除率升高,当复合反应温度达到50℃时,废水处理效果达到最好,当复合反应温度继续增加时,其废水CODcr去除率变化缓慢,且其浊度去除率相应减小。综合考虑,复合反应温度控制在50℃左右最好。
2.5凹凸棒土与聚合硫酸铁复合反应时间对复合混凝剂性能的影响(图5)

随着反应时间的增加,浊度和CODcr的去除率逐渐升高,当反应时间达到4h时,废水处理效果基本达到最好,当复合反应时间继续增加时,其废水CODcr去除率变化缓慢,综合考虑,最佳的反应时间为4h。
3.结语
聚合硫酸铁和改性凹凸棒土为原料制备的复合絮凝剂对废水有良好的絮凝作用和处理效果。由于高温改性凹凸棒土的比表面积随煅烧温度的升高,会出现先增大后减小的变化规律,并且凹凸棒土与聚合硫酸铁分子的特性基团在胶体表面的作用力会随着它们之间的复合反应温度、复合反应时间和凹凸棒土的投加量的变化而发生相应的变化,因此在本实验条件下最优操作条件为:凹凸棒土热处理温度为400℃、复合反应温度50℃、凹凸棒土投加量2.0g、复合反应时间为4h。














