目前火电行业耗煤量约占全国能源消费总量的50%,是大气污染物的重要来源之一。随着国家对燃煤电厂大气污染防治力度的加大,尤其是提出《煤电节能减排升级与改造行动计划》后,对燃煤电厂提出了巨大的挑战,推广燃煤机组超净排放技术改造是煤电行业生存和发展的必由之路。2015年12月,国务院常务会议决定,在2020年前,对燃煤机组全面实施超低排放和节能改造。在“十二五”期间,要完成新的减排目标,难度进一步加大,国内外现形成了一些新的脱硫除尘技术。本文将对燃煤火电脱硫除尘超净排放技术进行分析研究。
关键词:
超净排放技术;脱硫技术;除尘技术;煤电节能减排;火电环保
燃煤电站大气污染物高效脱除与协同控制是当前国际能源环境领域的战略性前沿课题之一,也是研究的热点和难点。燃煤电厂产生的烟尘、SOx(硫氧化物)、NOx(氮氧化物)等污染物是造成我国屡次发生大面积重度雾霾天气的重要原因之一。在该背景下,煤电企业一方面积极响应国家出台的系列环保强制政策及标准要求,快速推进环保升级改造;另一方面,需要积极开展燃煤电厂大气污染物排放控制关键技术研究和工程实践,推动能源环保领域技术革命,以实现环保产业升级,为我国特别是燃煤电厂密集区域大气污染问题提供解决方案。
随着近几年我国和全球经济、能源和环保形势的发展,火力发电企业目前面临的形势也出现了一些新的变化。面对环境压力,国家对烟尘排放的要求日益严格,在“十二五”期间,要完成新的减排目标,难度将会进一步加大,国内外各除尘设备厂家为适应新的要求,通过不断技术创新及对设备的优化,形成了一些新的脱硫除尘技术。
一、脱硫技术
1.旋汇耦合脱硫技术
SPC超净脱硫除尘一体化技术由旋汇耦合脱硫技术、高效喷淋技术和管束式除尘装置三部分组成。
1.1旋汇耦合脱硫技术原理
石灰石-石膏湿法旋汇耦合脱硫技术(下述简称为旋汇耦合技术)基于多相紊流掺混的强传质机理,利用气体动力学原理,通过特制的旋汇耦合装置产生气液旋转翻覆湍流空间,加强气液固接触、完成高效传质过程,从而达到气体净化的目的。
旋汇耦合脱硫技术的关键部件为旋汇耦合器,旋汇耦合器安装在吸收塔内,喷淋层的下方、吸收塔烟气入口的上方。在旋汇耦合器上方的湍流空间内气液固三相充分接触,增强气液膜传质、提高传质速率,进而提高脱硫接触反应效率。
2.B&W湿法脱硫技术
2.1合金托盘
利用气体动力学原理,通过在吸收塔中设置专利的合金带孔托盘装置使吸收塔内气体流速较好的均布,避免局部烟速高,对脱硫效率的影响;另外,合金托盘可保持一定高度液膜,增加烟气在吸收塔内停留时间,加强气液固接触、完成高效传质过程,有效降低液气比,提高吸收剂利用率,从而达到气体净化的目的。增设托盘装置需增加吸收塔高度。
2.2交叉喷淋
在维持原吸收塔喷淋区域高度的情况下,通过增加喷淋密度的交叉喷淋方式,增加脱硫效率,降低消耗,极大缩短改造时间,比较适合在脱硫增容改造项目中使用。
2.2B&W湿法脱硫技术示意图

B&W技术吸收塔

合金托盘工作示意图

交叉喷淋技术示意图
3.单塔双循环
3.1单塔双循环脱硫技术特点
双循环脱硫技术原是德国诺尔公司的一种石灰石-石膏湿法脱硫技术.

烟气经过两个不同的循环过程和石灰石反应后得到净化:
Quench循环(一级循环)
Absorber循环(二级循环)
每个循环回路有不同的化学反应过程,固体浓度,固体类型和pH值:
Quench循环pH值=4.5-5.3
Absorber循环pH值=5.8-6.4
氧化空气被鼓入到Quench循环,在较低的pH值下,有利于氧化过程。氧化空气同时也被鼓入到Absorber循环,以避免结垢。对SO2的大范围变化有很好的适应性;尤其适用于含硫量较高的煤质或者脱硫效率要求>97%的FGD系统。
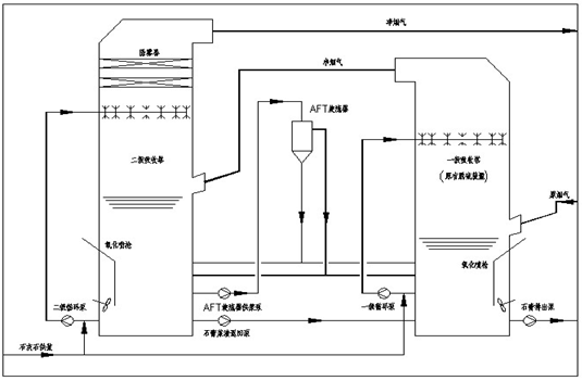
4.双塔双循环

4.1双塔双循环脱硫技术特点
在双塔双循环脱硫系统中,烟气系统,吸收塔系统,石膏脱水系统,氧化空气系统等采用单元制配置,原有吸收塔保留不动,作为一级循环吸收塔;新增一座二级循环吸收塔,设计采用逆流喷淋空塔设计方案,设置3台循环泵,3层喷淋层,设有AFT旋流站、侧进式搅拌器、除雾器、氧化喷枪等设备。新增一套二级循环吸收塔的强制氧化空气系统,设置2台氧化风机,1运1备。
二、除尘技术
1静电除尘器本体改造
1.1移动电极改造
移动电极技术所用的收尘机理与我们常规电除尘器相同,只是其清灰方式与常规电除尘器不同,集尘极采用清灰刷来进行清灰:即附着于集尘极上的粉尘在随旋转阳极板(即作回转运动的集尘极)运动到非收尘区域后,被正反旋转的一对清灰刷刷除。而集尘极能保持清洁状态且粉尘在非收尘区域中被清除,有效克服了困扰常规电除尘器对高比电阻粉尘的反电晕及振打二次扬尘等问题,提高了除尘效率,是一种目前较高效的除尘设备。但由于移动电极技术所涉及的运动部件较多,考虑到除尘器内部高浓度、高烟温等恶劣条件,若旋转机构一旦失灵,将使整个电场停运,除尘效率大幅下降,所以其运行的稳定性、可靠性存在一定风险。
1.2阳极板改造
通过将原电场做大修,利用原检修空间对阳极板进行调整从而增加积尘面积,同时换掉已失效的阴极线,修复变形较严重的阳极板;调整阴极线与阳极板到设计位置;检查阴极线是否有松动等现象,保证阴极线可靠放电;检查振打杆是否出现弯曲变形,振打位置是否发生偏移,振打锤和振打杆恢复到合理位置;检查电场内有否可能出现烟气短路通道(如中间柱两侧)等,以提高除尘效率。
1.3增加电凝聚器改造
电凝聚器工作原理为,在含尘气体进入电除尘器前,先利用正、负高压对其进行分列荷电处理,使相邻两列的烟气粉尘带上正、负不同极性的电荷,然后,通过扰流装置的扰流作用,使带异性电荷的不同粒径粉尘产生速度或方向上的差异,从而有效聚合,形成大颗粒后进入除尘设备,被电除尘器有效收集。该技术一定程度上克服了常规电除尘器存在的“对PM2.5除尘效率低”的技术瓶颈。可减少烟尘总质量排放,有效提高ESP除尘效率;减少PM2.5的排放;减少汞、砷等有毒元素的排放。此外,使用电凝聚器后还可增加电除尘器对不同煤种的适应性。
1.4增加三角翼板改造
通过放置与气流呈一定角度的圆形或三角形板,在板的前缘产生广延恒温态的旋涡,这些旋涡呈双向、圆锥形分布,旋涡的强力旋转引起了大量的流体成分沿气流方向正常分布,使得气流能携带粉尘更充分扩散到整个壳体,电场内的集尘面积得到最大程度的利用,从而提高除尘效率,实现低浓度排放。通过这种技术,在改善烟气流速的同时,粉尘浓度和烟气温度的分布均匀性也得以改善,从而可以提高除尘效率。

2低低温电除尘器
低低温除尘系统在具体工作时,通过烟气冷却器回收烟气中热量,使进入电除尘器的运行温度由通常的低温状态(120~150℃)下降到低低温状态(80~90℃)。低低温除尘技术可以有效的防止电除尘器发生电晕,同时温度降低后,烟气的流速也相应的减小,在电除尘内的停留时间就会增加,使得电除尘装置可以有效的对烟尘进行捕获,从而达到更好的除尘效果。
采用低低温电除尘系统,可有效避开高比电阻烟尘工况,确保电除尘效率达到新标准要求。下图为烟气温度与飞灰比电阻之间的关系图:

飞灰比电阻与烟气温度的关系曲线如上图所示,ESP适应的烟尘比电阻范围在104-1011Ω˙cm之间,比电阻过低,荷电烟尘达到集尘极很快释放电荷,容易从极板上返回气流;比电阻过大,荷电粒子在集尘极上缓慢释放电荷,烟尘积累容易产生反电晕现象。飞灰比电阻取决于煤的含硫量、水分和飞灰碱性金属含量等因素,一般低硫煤比电阻高于高硫煤。
3除尘器电源改造
3.1高频电源
高频电源是高效率、低损耗、高功率因数的节能型电源。它与传统的可控硅控制工频电源相比性能优异,具有输出纹波小、平均电压电流高、体积小、重量轻等优点。它对高比电阻粉尘,有更窄的脉冲、更宽的调节范围从而相比于传统工频电源能有效提高除尘效率。高频电源还有很好的节电效果,按照国外最早推广高频电源的ALSTOM的相关资料,高频电源节能可达40%以上,尤其是对于高比电阻的煤种,节电效果更加显著。
高频电源节能、环保的原理主要在于以下几个方面:
转换效率和功率因数高
高频电源设备效率与功率因数均达到0.90以上(常规工频电源仅为0.70~0.75左右)。当高频电源采用三相电源时,负载平衡,大大提高静电除尘器配套电源的整体控制水平,极大地拓展了电除尘器的适应范围,同等除尘效率条件下高频电源比工频电源节能20%以上。参与调峰的机组有时候在低负荷工况下运行,节电空间更大,一些改造项目实测效率表明,在除尘效率保证在设计值的前提下,实际节电率比理论计算值更高。
平均电压高
由电除尘理论可知,电除尘器的效率与带电粒子在电场中的驱进速度成正比,驱进速度与电场强度的平方成正比,电场强度与电场间施加的电压成正比,因此电除尘器的效率与电场的运行电压的平方成正比。
工频电源峰值电压在电除尘器电场中触发火花,限制了加在电极上的平均电压,而谷峰电压相差较大,频率较低,因此平均电压较低。而高频电源谐振频率为30~40KHz,同常规的工频电源相比,高频电源纹波系数小于5%,在直流供电时它的二次电压波形几乎为一条直线,高频电源提供了几乎无波动的直流输出,这使得静电除尘器能够以接近火花发生点电压运行,从而提高了电除尘器的供电电压平均值和电流平均值,增大了电晕功率的输入,提高了电除尘器的效率。如果保持除尘效率不变,则可以降低电压运行,达到节能的目的。

高频电源与工频电源电压电压多波形适应不同工况
高频电源给除尘器提供接近纯直流到脉动幅度很大的各种电压波形,针对各种特定的工况,可以提供最合适的电压波形,从而提高除尘效率。
通过高频电源控制终端或上位机系统均可对供电方式进行选择。供电方式分为纯直流供电和间歇供电,可随时手动切换。纯直流供电输出近似一条直线的输出电压,提高电除尘运行的平均电压和平均电流,适用于中等比电阻的烟气工况。
间歇供电时间任意可调,具有更窄的脉冲宽度、更宽的脉冲频率选择范围、更陡峭的电压上升率,其目的是减轻反电晕的发生,从而提高收尘效率。在高比电阻工况条件下,当激发反电晕控制功能后,设备根据反电晕严重程度自动进入间歇脉冲供电状态并寻找和跟踪最佳的脉冲宽度和脉冲频度,以获得最佳的除尘效果,应用间歇脉冲供电可大量节能。
与常规静电除尘器工频电源相比,高频电源可以做到无火花运行或者少火花运行,这也一定程度上减少了电场能量的无谓消耗,不仅保证电场稳定运行,还节约一定的电耗。采用高频电源方案的另一优点是电除尘器整体结构不需改造或大的调整,仅仅更换电源及相关附件,改造工作量小,改造时间短,而且不需要大型机械装备,可以大大降低改造工作对电厂运行效益的影响。
但是,采用高频电源方案也存在一定的风险和缺点。高频电源通常放置在除尘器顶部,对环境要求高,防护等级要求高。高频电源实际运行电压在很大程度上受电源和除尘器间谐振影响。据多个现场运行反馈,高频电源总体效果好于单相工频电源,但受本体分布电容影响,运行电压、电流不能达到设计值,较适合单台电源电流不大以及比收尘面积不大的电除尘改造工程。
三相电源
三相电源是顺应三相制电网的特性,高效、环保、节能的电源。它与传统的可控硅控制工频电源相比性能优异,具有三相负载平衡,效率高,功率因素高,输出峰值电压可调节,电压波形接近高频电压电流高、体积小、重量轻等优点。
三相电源节能、环保的原理主要在于以下几个方面:
1)功率因数高
通常三相用电设备在对称条件下运行,各相电压、电流、磁通的大小相等,相位上依次相差120度,符合三相电的特性。三相电源的功率因数为0.95以上,而单相电源的功率因数小于0.7,对供电网质量指标提高显著,可以为用户带来直接的经济效益。
2)二次电压平均值高,有效电晕电流高
由电除尘理论可知,电除尘器的效率与带电粒子在电场中的驱进速度成正比,驱进速度与电场强度的平方成正比,电场强度与电场间施加的电压成正比,因此电除尘器的效率与电场的运行电压的平方成正比。
工频电源峰值电压在电除尘器电场中触发火花,限制了加在电极上的平均电压,而谷峰电压相差较大,频率较低,因此平均电压较低。而三相电源在相同场强下,同常规的工频电源相比能有效提高二次平均电压和二次平均电流,提高了电除尘器的效率。

三相电源与工频电源电压但是,采用三相电源方案存在一定的风险和缺点。三相电源技术成熟,但控制却比高频、工频单相更为复杂。三相电源的闪络检测处理难度大,火花能量大,电压电流大,对本体对电子元器件冲击大。正常工作时电晕电流比单相工频电源正常工作的电晕电流大很多,增加电能消耗。研究认为,三相电源必须配合间隙供电和反电晕检测控制功能才能有效提高除尘效率。另外,三相电源由于注意吸收粉尘和防止积尘,忽略节能,因此三相电源运行功率大,将对原有的设备包括开关柜元器件、变压器、电缆等重新进行校核,如不符合则需进行更换。脉冲电源
脉冲电源技术原理是在基准电压上叠加一脉宽极窄的高压脉冲电压(图3.3-1)。由于电压脉冲的上升沿及持续时间很短,虽然瞬时总电压提得很高,但闪络通道并没有形成,不会发生火花闪络。因此对于同样的烟气工况,尤其是高比电阻粉尘,脉冲电源可以提高电场运行的峰值电压,提高粉尘的荷电量。脉冲电源是新一代的电除尘供电电源,它不仅具有重量轻、体积小、结构紧凑、三相负载对称、功率因素高、效率高等特点,更具有优越的供电性能。

脉冲电源波形图脉冲电源节能、环保的原理主要在于以下几个方面:
1)除尘效率高
由于高压脉冲电源具有在很短时间内在电极上施加快速上升的脉冲电压,从而提高了电场的击穿电压,所以施加在电场上的峰值电压比常规供电高,增加了粉尘的荷电电量,特别是细粉尘的荷电电量成倍增加,使细粉尘的排放大幅降低。
在低比电阻粉尘,采用直流电源和脉冲电源的迁移速度没有大的差别。通常采用直流电源方案,原因是集尘面积所减少的成本不足以弥补采用脉冲系统所增加的成本。对于高比电阻,脉冲电源方案性价比更高,能进一步减少50%以上的粉尘排放。
2)良好的适应性
可在高压脉冲供电电压基本不变的条件下,通过改变脉冲宽度,在很大范围内选择电晕平均电流,因此对粉尘性质的变化具有良好的适应性,有利于克服反电晕现象。
3)节能效果好
脉冲电源具有反电晕自动检测,自动控制功能,明显降低运行电流,在同一工况下,高压脉冲供电于常规电源相比可节省电量50%-80%。高压脉冲供电因为分两部分供电,其中基压电源部分供粉尘粒子驱进用,只需提供一定强度的电场即可。脉冲电源部分提供粉尘粒子的荷电,没有像普通电源一样被浪费,具有显著节能效果。
但是,采用脉冲电源方案亦存在一定的风险和缺点。高压脉冲供电技术作为一种新兴的高压除尘供电技术,其技术核心基本掌握在欧美、日韩等发达国家中,典型成熟产品为丹麦Coromax脉冲供电系统。目前虽有国内厂家参考吸收国外脉冲供电设计开创在直流基压基础叠加高压脉冲电源的新型方案,但国内应用较少,缺少运行经验,脉冲电源与电除尘本体的匹配度、可靠性仍需市场及时间检验,且相比于高频、三相等成熟电源技术,脉冲电源成本高昂。
4脱硫岛烟尘排放提效技术
4.1增加管束式除尘器改造
管束式除尘装置安装在吸收塔上部,运行环境为含有大量液滴的~50℃饱和净烟气,特点是雾滴量大,雾滴粒径分布范围广,由浆液液滴、凝结液滴和尘颗粒组成;除尘主要是脱除浆液液滴和尘颗粒。
大量的细小液滴与颗粒在高速运动条件下碰撞机率大幅增加,易于凝聚、聚集成为大颗粒,从而实现从气相的分离。
除尘器筒壁面的液膜会捕获接触到其表面的细小液滴,尤其是在增速器和分离器叶片的表面的过厚液膜,会在高速气流的作用下发生“散水”现象,大量的大液滴从叶片表面被抛洒出来,在叶片上部形成了大液滴组成的液滴层,穿过液滴层的细小液滴被捕悉,大液滴变大后跌落回叶片表面,重新变成大液滴,实现对细小雾滴的捕悉。
经过加速器加速后的气流高速旋转向上运动,气流中的细小雾滴、尘颗粒在离心力作用下与气体分离,向筒体表面方向运动。而高速旋转运动的气流迫使被截留的液滴在筒体壁面形成一个旋转运动的液膜层。从气体分离的细小雾滴、微尘颗粒在与液膜层接触后被捕悉,实现细小雾滴与微尘颗粒从烟气中的脱除。
气体旋转流速越大,离心分离效果越佳,捕悉液滴量越大,形成的液膜厚度越大,运行阻力越大,越容易发生二次雾滴的生成;因此采用多级分离器,分别在不同流速下对雾滴进行脱除,保证较低运行阻力下的高效除尘效果。

4.2增加管式烟气冷却器改造
烟冷器装置安装于吸收塔入口烟道,采用模块化设计的垂直悬挂结构,结构件采用碳钢衬氟塑料材料,避免腐蚀结垢。氟塑料管壁表面光滑有适度的挠性﹐使用时有振动现象,故不易结垢。管束可按需要制成各种特殊形状,以适应现场条件要求。氟塑料采用小管径,一般为7mm,壁厚0.6mm。
烟冷器装置采用通有冷却水的列管布置烟道中,形成的管栅对烟气中的液滴和颗粒具有机械拦截作用(可使其发生绕流和碰撞)。由于换热管中通有冷却水,冷却烟气到露点温度以下,使得烟气中的水蒸汽发生冷凝现象,液态颗粒包裹固态颗粒,并沾附在换热管上,形成一定的水膜,列管采用垂直布置方式,水膜会自上而下流动,系统也会定时对其进行冲洗,将沾附的固态颗粒物冲洗清除。水冲洗系统采用固定式高压水冲洗装置,并装设深入式冲洗支管,可以冲洗到管束内部,保证良好的冲洗效果。同时烟冷器设有淋水装置,淋水装置可以在冷却水量不足时,对换热管外壁进行水喷淋,有效的保证了换热管壁上水膜的形成。
通过凝聚与吸附碰撞等作用的结合,就实现了烟气降温进一步去除微小颗粒烟尘的目的。中试与余热回收工程的实际运行数据表明,该装置的除尘效率在40%~70%之间,但该装置在国内工程应用业绩较少。
4.3增加喷淋降温装置及管格栅层改造
在脱硫塔入口烟道增设预喷淋系统,使高温烟气温度降低的同时增加烟气的含湿量,在烟气进入吸收塔之前达到饱和状态,烟气在吸收塔内从过饱和状态到饱和状态,使烟气中水分析出细颗粒凝结并长大,提高后续除雾除尘工艺中的脱除效率。
通过在填料层下部增加设置2层管格栅层,利用管格栅侧壁形成的“水幕”以及管格栅间的水膜,形成“液包气”的鼓泡传质过程,增加海水对烟气粉尘的洗涤作用,提高传质效率;另外,烟气在通过管格栅后的上升过程中形成湍流,可以“打碎”填料层下降过程中“长大”的液滴,破坏液滴内即成的SO2浓度梯度,形成新鲜的气液接触面,进一步提高传质效率。
管格栅层布置在填料层下部,一方面可以进一步利用海水中的碱度,另外一方面洗涤过烟气粉尘的海水,直接进入到曝气池内,避免了对填料层填料的影响。

4.4湿式电除尘器岛烟尘排放提效技术
湿式电除尘技术是在干式电除尘技术上发展而来。其主要工作原理:直接将水雾喷向放电极和电晕区,水雾在芒刺电极形成的强大的电晕场内荷电后分裂进一步雾化,在这里,电场力、荷电水雾的碰撞拦截、吸附凝并,共同对烟尘粒子起捕集作用,最终烟尘粒子在电场力的驱动下到达集尘极而被捕集;与干式电除尘器通过振打将极板上的灰振落至灰斗不同的是,湿式电除尘器则是将水喷至集尘极上形成连续的水膜,流动水将吸附的烟尘冲刷到灰斗中随水排出。原理图如下

湿式静电除尘器的除尘过程可分为四个阶段:气体的电离;烟尘获得离子而荷电;荷电烟尘向电极移动;将电极上的烟尘清除。
湿式静电除尘脱除的对象是烟尘和雾滴,但是由于雾滴与烟尘的物理特性存在差别,其工作原理也有所差异。从原理上来讲,首先由于水滴的存在对电极放电产生了影响,要形成发射离子,放电极中的自由电子必须获得足够的能量,才能克服电离能而越过表面势垒成为发射电子。让电极表面带水是降低表面势垒的一种有效措施。水覆盖电极表面后,将原来的“电极一空气”界面分割成“电极一水”界面和“水一空气”界面,后两种界面的势垒比前一种界面的势垒低很多。这样,电极表面带水后,将原来的高势垒分解为两种低势垒,大大削弱表面势垒对自由电子的阻碍作用,使电子易于发射。另外,水中的多种杂质离子在电场作用下,也易越过表面势垒而成为发射离子。这些都改变了电极放电效果,使之能在低电压下发生电晕放电。其次由于水滴的存在,水的电阻相对较小,水滴与烟尘结合后,使得高比电的烟尘比电阻下降,因此湿式静电除尘的工作状态会更加稳定;另外由于湿式静电除尘器采用水流冲洗,没有振打装置,所以不会产生二次扬尘。

放电极结构和电晕场荷电示意图在电除尘器中对烟尘颗粒有两种类型的荷电过程,对于直径大于1μm的颗粒来说场荷电是主要作用,颗粒碰撞沿电力线运动的负离子而带电,这时电压的强弱是影响这个过程的最主要因素。对直径小于0.5μm的颗粒来说扩散荷电是主要作用,亚微米粒子在随机运动时与负离子碰撞而带电,注入的电流密度是影响扩散放电最重要的因素。湿式静电除尘中,因放电极被水浸润后,电子较易溢出,同时水雾被放电极尖端的强大电火花进一步击碎细化,使电场中存在加上大量带电雾滴,大大增加亚微米粒子碰撞带电的机率,而带电粒子在电场中运动的速度是布朗运动的数十倍,这样就大幅度提高了亚微米粒子向集电极运行的速度,可以在较高的烟气流速下,捕获更多的微粒。
国外的研究表明,虽然在高于露点温度以上时,但是烟气中的SO3在205℃(400F)以下时,还是以H2SO4的微液滴形式存在。其平均颗粒的直径在0.4μm以下,属于亚微米颗粒范畴。这也是干式静电除尘器和FGD对SO3的去除率较低的主要原因。湿式静电除尘因对亚微米颗粒的高捕获率,所以对SO3的微液滴有很高的脱除率。

因此湿式静电除尘能够高效地去除亚微米粒子、雾滴、粒径小至0.01μm的微尘。
三、结语
煤炭产业作为我国重要的能源基础产业,以煤炭为主要能源的现状短期内不会改变,且环境污染的日趋严重,火电厂污染物减排压力也越来越大,这就需要研究更可靠、更高效、更经济的多污染物协同控制技术。














