摘要:城市污水处理厂产生的污泥 ,越来越受到广大给水排水工作者的重视。结合上海市石洞口城市污水处理厂选择的污泥干化焚烧工艺 ,介绍了一般城市污水处理厂污泥的性质、污泥干化焚烧的工艺流程和控制参数 ,同时简要给出了投资及运行费用方面的情况。
关键词:污水处理厂.污泥,干化,焚烧,上海市
随着我国国民经济的发展 ,工业废水、生活污水的排放量日益增加 ,为了保护生态环境 ,保护人民的身体健康 ,提高水环境质量 ,污水必须经过净化处理达标后才能排放。污水在处理过程中 ,会产生一定数量的有机污泥 ,这些废弃物含水率高 ,有机物含量高 ,容易腐烂发臭 ,如果得不到有效处置 ,会严重影响当地环境质量 ,造成二次污染。
如何妥善处理处置这些废弃物 ,已成为建设完整城市污水处理厂 ,提高技术水平和管理水平的重要因素。上海市石洞口城市污水处理厂从立项之初 ,就充分考虑污泥处理处置工程的建设。为此 ,我们对国内外已有的污泥处理处置工艺进行了充分的研究 ,并在此基础上结合上海市石洞口污水处理厂的特点 ,推荐干化焚烧处理工艺 ,使污泥得到最终处置。
1 污泥量
石洞口城市污水处理厂设计水量为40 万m3/ d。采用具有除磷脱氮功能的一体化活性污泥法作为污水处理工艺,处理对象为城市污水(含有大量以化工、制药、印染废水为主的工业废水) ,产生的污泥量为64 t/ d 干泥,经脱水后含水率为70 % ,污泥体积为213 m3/ d。
根据现状水质水量的特点,石洞口城市污水处理厂运行初期,由于水量在30 万m3/ d 左右,产生的污泥量将低于设计规模。随着收集系统的不断完善,雨污分流现象的逐步改善,水量将逐年增加,水质会不断提高,最终将达到设计负荷。
2 污泥特性
对于不同的污泥处理处置工艺需要了解污泥各方面的特性。石洞口城市污水处理厂各阶段的污泥含水率见表1 。
采用不同的脱水工艺其脱水污泥的含水率是不同的,大致范围是65 %~85 %。对于后续干化焚烧处理工艺,脱水污泥的含水率直接影响到后续处理构筑物的规模以及干化焚烧的热量平衡,理论上越低越好,但是机械脱水程度越高,设备投资会增加,加药量也会增加,处理成本随之提高,因此合理选择设计含水率很重要。
污泥的元素分析和工业分析数据与污泥焚烧系统的计算关系密切。根据有关资料和本工程针对性试验测试资料,石洞口城市污水处理厂污泥元素分析见表2 ,污泥工业分析见表3 ,低位发热量测定值见表4 ,污泥成分测定见表5 。
根据已经进行的污泥特性试验,污泥(干态) 分析基在物理性质、元素分析、工业分析和低位发热量等方面与褐煤有许多相似之处,尤其灰分和低位发热量相近,固定碳的含量则低得多,所以可充当低档燃料使用。
同时,污泥的焚烧特性与煤又有一定的差异,它有较低的分解温度、起燃温度和燃尽温度,燃烧完全所需的时间也较少。产生这种差别的主要原因是由于它们具有不同的组成和结构,污泥主要由低级的有机物组成,如氨基酸、腐殖酸、细菌及其代谢产物、多环芳烃、杂环类化合物、有机硫化物、挥发性异臭物、有机氟化物等,其结构比较简单,并且已经过二级生物氧化,受到不同程度的分解破坏,易于高温分解;而煤主要由多环芳烃网状物组成,结构致密,含碳量高,受高温不易分解,分解所需时间长。
此外,污泥中SO2 ,NOx 的释放温度均低于煤。一般地,污泥中的硫以有机硫的形式存在(80 %以上) ,硫铁矿硫及硫酸盐硫含量很少,而煤中的有机硫含量较低,硫铁矿硫及硫酸盐硫占多数,有机硫在高温下易于分解、挥发,而硫铁矿硫结合较牢固,分解需要一个过程,因此污泥易于释放SO2 。试验表明,在含硫量相同的条件下,污泥释放的SO2 比煤高出4 倍。类似地,污泥中的氮主要以有机氮的形式存在(蛋白质氮、低级脂肪胺等) ,有机氮在高温下容易挥发;煤中的氮主要以杂环型氮的形式存在,杂环形氮的分解需要一个过程,这种结构形式的差异决定了氮分解温度的不同。
从以上分析可以看出,干态污泥比煤容易燃烧。但是脱水污泥因含有70 %~80 %水分,燃烧工
况完全不同(脱水污泥的低位发热量仅为2 713~971 kJ / kg) ,为了使脱水污泥能在锅炉中直接燃烧,一般都需添加适量辅助燃料(煤或油) 稳燃。
理论上脱水污泥含水率在70 %时,可以不加辅助燃料,实现直接燃烧,但是由于污泥中的水分在高温下蒸发(850 ℃以上) ,会损失大量热能,所以必须通过高效的高温空气预热器回收这些热量,并将助燃空气预热到600 ℃以上。就目前的工程技术水平而言较难实现。采用目前相对较成熟的低温干化工艺,使污泥中水分在较低的温度下蒸发,以较少的热量降低含水率,提高系统的热效率,使整个系统的热量处于平衡状态。
3 方案选择
污泥处置方案多种多样,但最终目的都是要达到无害化、减量化、资源化的目标。
目前已有的主要污泥处理处置工艺包括:填埋、消化、堆肥、干化、焚烧、湿式氧化、冻结熔融法、高温烧结法等等。选用何种工艺必须与当地的实际情况相适应。
国内大多数污水处理厂的污泥处置以外运填埋为主,主要有:
(1) 脱水后(含水率70 %~80 %左右) 的污泥直接外运。有些是运至生活垃圾填埋场合并处理,由于含水率太高,导致填埋场作业困难,并且也会大量占用填埋场库容;有些是随处倾倒,导致二次污染;也有些作为农肥直接施入农田。由于直接脱水的污泥未经高温处理,其中含有大量病原菌,会影响人民的身体健康。总之,单独的脱水外运工艺还不能称其为合格的污泥处理、处置工艺。
(2) 消化稳定后脱水处理再外运。该工艺相对有所改进,由于污泥经过消化处理,杀灭了绝大多数__病原菌,并且还能产生沼气供生产、生活使用,基本做到了无害化,并且也有一定的资源化意义。但是,该工艺仍待解决处置高含水率脱水污泥的问题。
(3) 直接焚烧脱水污泥。该工艺虽然理论计算
可行,并在一些小型的污水厂已有采用,但实际运行效果欠佳,主要原因是设备不成熟,运行管理难度大,需要添加大量的辅助燃料,运行成本高。
(4) 干化后的污泥作为农肥使用。采用热工方法烘干脱水污泥,在上海金山石化总厂污水处理厂已经采用,运行情况尚可。由于干化工艺需要大量使用热量,而金山石化总厂有热能(蒸汽) 资源供使用,可以大大降低造价和运行成本,这是它成功的关键。但是对于大多数污水处理厂而言缺乏这样的条件。在总结已有工程和现有技术的基础上,根据石洞口城市污水处理厂特点采取对脱水污泥进行低温干化高温焚烧联合处理的工艺方案。同时污泥焚烧装置能兼顾焚烧干化污泥和替代燃料。当污泥可以作为绿化基质土或其他用途时,使用替代燃料焚烧,产生的热量干化污泥,干化污泥综合利用,当污泥重金属含量严重超标或污泥出路困难时,直接焚烧干化污泥产生的热量提供干化使用。
4 方案介绍
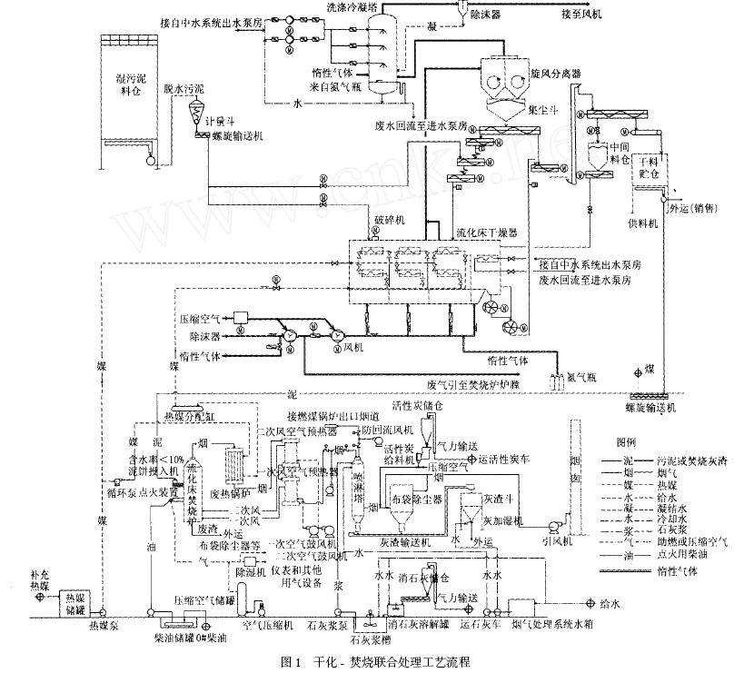
污泥处理处置工艺的推荐流程见图1 。。
干化焚烧联合处理工艺主要采用低温干化和高温焚烧二套系统串联运行。通过招标,确定采用流化床干化工艺,可将脱水污泥含水率从70 %左右降至10 %左右(最低可至5 %) 。焚烧采用循环流化床焚烧炉,通过焚烧干化污泥,以导热油(或蒸汽) 形式回收烟气中热量,并将回收的热量用于干化系统。该联合工艺可以达到能量的自平衡。设计时,考虑到污泥参数可能产生波动,我们对系统的整体热能平衡条件进行了反复校核,得到两种最低限度的平衡条件:
(1) 脱水污泥含水率为75 %时,污泥热值必须
大于12 560 kJ / kg 干固体,否则添加燃煤辅助燃烧。
(2) 脱水污泥含水率为70 %时,污泥热值必须
大于10 258 kJ / kg 干固体,否则添加燃煤辅助燃烧。本工程设计污泥参数:脱水污泥含水率70 % ,污泥燃烧热值11 304~15 491 kJ / kg 干固体,从计算结果分析,该系统抗负荷波动的能力是相当强的。
4.1 干化工艺
干化工艺是本系统的核心工艺。由于干化污泥具有易燃、易分解的特点,为保证安全和卫生,干化系统内必须保证低温、低氧状态。同时由于污泥在40 %~60 %含水率时具有易粘结的特性,因此选用设备必须防止污泥粘结在换热面,从而降低热效率,甚至影响运行。经过多次方案比较和设备招标,最终选用了进口流化床低温干化系统。该系统干化温度为85 ℃,系统内控制含氧量< 4 %。该系统的特点是采用流化床干化机。干化过程在流化床内进行,流化床底部布置蒸汽盘管。空气从床底经过盘管加热后进入床身,热空气一方面使床身中的污泥处于流动化,防止污泥粘结,另一方面也与污泥进行充分换热,蒸发其中的水分,蒸发出来的水分和空气一起被引入洗涤冷却塔内,经喷淋后,水分被去除,余下的干空气则循环使用。经干化后的污泥含水率降为5 %~10 %。干化系统每蒸发1 t水分,消耗热能为2 800 kJ 。
4.2 焚烧工艺
经干化系统处理后的污泥储存在干污泥料仓中,通过输料机送入焚烧炉,在投加污泥的同时,可以投加生石灰(用于脱硫) 。投加的干污泥经炉内预置的床砂加热后迅速升温,并开始着火燃烧,经燃烧后的污泥被循环流化床床身内的高速气流带出,通过热旋风分离器,将其中比重较大的未燃尽颗粒收集下来,然后重新送入焚烧炉焚烧,燃尽后的轻小颗粒和高温烟气一起进入后续烟道。烟道内布置余热锅炉、空气预热器用于回收热量。烟气排出前通过半干法脱硫和布袋除尘器除尘,参照《生活垃圾焚烧污染控制标准》( GB18485 -2001) 的排放标准排放由于干化污泥燃烧特性接近褐煤,经过循环流化床焚烧炉现场试验,其焚烧特性良好,因此许多国内厂家均有能力配套,技术也相当成熟,采用国产的流化床焚烧炉。
5 投资及运行费
本工程预计投资8 000万元(含干化和焚烧设备、土建、自控及辅助设施) ,运行费用160 元/ t 湿污泥(含水率为70 % ,并包含电费、药剂费、人工费、维修费等) 。
6 结语
采用干化焚烧联合工艺处理污泥,做到了对城市污水处理厂固体废弃物的无害化、减量化,并有一定的资源化意义。其运行费用虽有所增加,但是低于垃圾焚烧的运行费用。
联合处理工艺尤其适宜于土地资源紧张、环境要求较高、经济较发达的城市选用。














