½´ÓÍÉú²ú·ÏË®ÊôÓڱȽÏÄÑ´¦ÀíµÄ¹¤Òµ·ÏË®¡£ËäÈ»ÆäBOD5/COD ÖµÒ»°ã´óÓÚ0£®4£¬¿ÉÉú»¯ÐԺ㬵«ÓÉÓÚº¬ÓдóÁ¿Äѽµ½âÓлúÎɫ¶ÈµÄÉúÎï½µ½âÐԲÑζȸßÒÔ¼°ÎÛȾÎ︺ºÉ±ä»¯½Ï´ó£¬´«Í³»îÐÔÎÛÄà·¨¶Ô¸Ã·ÏË®µÄ´¦ÀíЧ¹û½Ï²î¡£²ÉÓÃMBR ¹¤ÒÕ´¦Àí¸ÃÀà·ÏË®£¬¿ÉÒÔÀûÓÃĤµÄ½ØÁô×÷Óñ£³Ö·´Ó¦Æ÷ÄڽϸߵÄÎÛÄàŨ¶È¼°½ÏÇ¿µÄ¿¹³å»÷ÄÜÁ¦£¬±ÜÃ⴫ͳ»îÐÔÎÛÄà·¨´¦Àí½´ÓÍ·Ïˮʱɫ¶ÈÓëCOD È¥³ý²»Í¬²½µÄÏÖÏ󣬶øÇÒ¿ÉÒÔ¼õÉÙÊ£ÓàÎÛÄà²úÁ¿¡£
1 ¹¤³Ì¸ÅÊö
¹ã¶«Ê¡º×ɽÊÐijµ÷ζƷ¹«Ë¾ÒÔÉú²ú½´ÓÍΪÖ÷£¬¼æÓª½´Æ·¼°¸¯ÈéµÄÉú²ú¡£ÓÉÓÚÉú²úÖи÷¹¤¶ÎÅŷŵķÏË®²»Í¬£¬ËùÒÔÅŷſڵķÏˮˮÖʲ¨¶¯ºÜ´ó(¼û±í1) ¡£
±í1 ½´ÓÍ·ÏˮˮÖÊ
Tab£®1 Wastewater quality
¸Ã¹«Ë¾Ô½¨ÓÐÒ»Ì×´¦ÀíÄÜÁ¦Îª1 000 m3/d µÄÑáÑõ/SBR/Îﻯ´¦Àíϵͳ£¬´æÔÚµÄÖ÷ÒªÎÊÌâÓÐ: ¢Ù¿¹³å»÷¸ººÉÄÜÁ¦²»Ç¿£¬ÏµÍ³³öˮˮÖʲ»ÄÜÎȶ¨´ï±ê; ¢ÚÎﻯ´¦Àí¼ÓÒ©Á¿·Ç³£´ó£¬ÔËÐзÑÓøß; ¢Û´¦ÀíË®Á¿²»ÄÜÂú×ãÆóÒµ·¢Õ¹ÐèÒª; ¢ÜÔÓй¤ÒÕÕ¼µØÃæ»ý½Ï´ó£¬ÓõؽôÕÅÖÆÔ¼ÁËÆóÒµµÄÀ©²ú¡£
ÔÚǰÆÚÊÔÑéÑо¿µÄ»ù´¡ÉÏ£¬¸Ã¹«Ë¾¶ÔÔÓзÏË®´¦Àí¹¤ÒÕ½øÐÐÁ˸ÄÔ죬¸ÄÔìºó´¦ÀíÄÜÁ¦Îª2 000m3/d¡£¹¤ÒÕÁ÷³ÌÈçͼ1 Ëùʾ¡£
ͼ1 ¸ÄÔìºó½´ÓÍ·ÏË®´¦Àí¹¤ÒÕÁ÷³Ì
Fig£®1 Flow chart of reconstructed process
µ÷½Ú³ØÈÝ»ýΪ1 000 m3£¬Ë®Á¦Í£Áôʱ¼äΪ16 h¡£ÑáÑõ¹¤Ðò·Ö2 ¶Î£¬ÑáÑõ1 ÓÉ2 ¸ö×ÜÈÝ»ýΪ1 500 m3µÄ³ØÌÁ×é³É£¬Ë®Á¦Í£Áôʱ¼äΪ24 h; ÑáÑõ2 ΪÈ˹¤Ç¿»¯ÑáÑõ¹¤¶Î£¬³ØÌåΪ¸Ö½î»ìÄýÍÁ½á¹¹£¬³ß´çΪ50 m¡Á 18 m¡Á6 m£¬·Ö8 ¸ñ£¬ÓÐЧÈÝ»ýΪ4 500 m3£¬³ØÄÚͶ¼Ó¾ÛÒÒÏ©ÇòÐÎÌîÁÏ£¬Ë®Á¦Í£Áôʱ¼äΪ72 h¡£
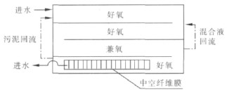
ºÃÑõ³ØÎª¸Ö½î»ìÄýÍÁ½á¹¹£¬ÓÐЧÈÝ»ýΪ3 000m3£¬·Ö4 ¸ñ(¼ûͼ2) ¡£ÆäÖеÚ1¡¢2 ¸ñΪºÃÑõ³Ø(DO£¾2£®5 mg/L)£¬µÚ3 ¸ñΪ¼æÑõ³Ø(DO £¼1£®0 mg/L)£¬µÚ4 ¸ñΪºÃÑõMBR ³Ø(DO £¾2£®5 mg/L) ¡£µÚ1¡¢2 ¸ñÖ÷ÒªÓÃÓÚ½µ½âÓлúÎïÒÔ¼°Ïõ»¯·´Ó¦; µÚ3 ¸ñÔòͨ¹ý¼æÑõ·´Ïõ»¯Íѵª£¬µÚ3 ¸ñÄ©¶ËµÄÄàË®»ìºÏÎïÒÔ200%µÄ±ÈÀý»ØÁ÷µ½µÚ2 ¸ñµÄÆðʼ¶Ë¡£µÚ4 ¸ñ½þûʽ°²×°ÖпÕÏËάĤ×é¼þ£¬¸ÃĤ×é¼þ²ÉÓÃÆ¬Ê½¸ÄÐÔ¾Û±ûϩĤ£¬¿×¾¶Îª0£®1 ¦Ìm£¬Ã¿Æ¬Ä¤Ãæ»ýΪ8 m2£¬¹²1 800 Ƭ£¬×ÜÄ¤Ãæ»ýΪ14 400 m2£¬Ä¤×é¼þ³ß´ç(L ¡ÁB) Ϊ800 mm¡Á500 mm¡£µÚ4 ¸ñÄ©¶ËµÄÎÛÄàͨ¹ýÎÛÄà±Ã¶¨ÆÚ»ØÁ÷µ½µÚ1 ¸ñµÄÆðʼ¶Ë¡£µÚ1¡¢2¡¢3 ¸ñµÄÎÛÄàŨ¶ÈΪ7 000 mg/L£¬µÚ4 ¸ñµÄÎÛÄàŨ¶È£¾8 500mg/L¡£ºÃÑõ¹¤ÒÕ²ÉÓÃÕæ¿Õ±Ã³éÎü³öË®¡£ÔÚÔËÐйý³ÌÖз¢ÏÖ£¬Ëæ×ÅϵͳµÄÔËÐÐpH Öµ»áÓÐϽµÇ÷ÊÆ£¬¹ÊÿÌìÏòϵͳͶ¼Ó¼î(NaOH)£¬Í¶¼ÓÁ¿Îª100 kg/d¡£
ͼ2 MBR·´Ó¦³ØµÄÆ½ÃæÊ¾Òâ
Fig£®2 Schematic diagram of MBR tank
ºÃÑõ³öË®½øÈë»ìÄý³Áµí¹¤ÒÕ£¬»ìÄý·´Ó¦Ê±¼äΪ30 min£¬³Áµí³Ø²ÉÓÃÆ½Á÷³Áµí³Ø£¬±íÃæ¸ººÉΪ1 m3/(m2¡¤h)£¬³ß´ç(L¡ÁB¡ÁH) Ϊ20 m¡Á4£®2 m¡Á5 m£¬³Áµíʱ¼äΪ2 h¡£³Áµí³Ø³öˮͨ¹ý¹ÜµÀ»ìºÏÆ÷Ͷ¼Óº¬´ÎÂÈËáÄÆ13%µÄƯˮ£¬¾¹ýÑõ»¯ÍÑÉ«ºóÅÅ·Å¡£
2 ¹¤ÒÕÔËÐÐЧ¹û
2. 1 ÑáÑõ¹¤¶Î
ÑáÑõ¹¤¶ÎÓÚ2009 Äê8 Ô¿ªÊ¼µ÷ÊÔÔËÐУ¬½ÓÖÖÎÛÄàÈ¡×Ô¸½½üÊÐÕþÎÛË®³§µÄ¸É»¯ÎÛÄ༰Թ¤³ÌÑáÑõ¶ÎµÄÎÛÄà¡£¼ÓÈëÎÛÄàºóÁ¬ÐøÐ¡Á÷Á¿ÏòÑáÑõ2 ½øË®£¬²¢Öð½¥Ôö¼Ó½øË®Á¿Ö±ÖÁÉè¼ÆÁ÷Á¿¡£
ÔÚÑáÑõ´¦ÀíµÄǰ60 Ì죬COD È¥³ýЧ¹û²»Ã÷ÏÔ£¬¿ÉÄÜÒòΪÑáÑõÎÛÄàµÄÉú³¤±È½Ï»ºÂý£¬ÆäCOD È¥³ýÂʽöΪ30% ×óÓÒ¡£Ëæ×ÅÑáÑõÎÛÄàµÄÔö³¤£¬³öË®COD¿ªÊ¼Ã÷ÏÔϽµ£¬ÔËÐÐ3 ¸öÔºó£¬ÑáÑõ³öË®COD Îȶ¨ÔÚ500 mg/L ×óÓÒ£¬È¥³ýÂÊ£¾60%¡£
ÑáÑõ¹ý³Ì»áµ¼Ö·ÏË®Öа±µªÃ÷ÏÔÉý¸ß¡£Ç°60Ìì°±µªµÄÔö¼Ó²»Ã÷ÏÔ£¬ÔÚ180¡«190 mg/L Ö®¼ä²¨¶¯¡£Ëæºó£¬³öË®°±µª¿ìËÙÉý¸ßµ½200 mg/L ×óÓÒ²¢Öð½¥Îȶ¨£¬ÆäÔÒòÊÇ´óÁ¿Óлúµª¾ÑáÑõת»¯Îª°±µª¡£
ÔÚÑáÑõ¹ý³ÌÖУ¬É«¶ÈÒ²Ã÷ÏÔÉý¸ß¡£Ç°60 ÌìÉ«¶È»ù±¾ÔÚ380¡«400 ±¶·¶Î§ÄÚ²¨¶¯£¬ÆäºóÎȶ¨ÔÚ400 ±¶×óÓÒ¡£ÆäÔÒò¿ÉÄÜÊÇһЩµ°°×ÖÊÖеĺÖÉ«ËØ±»·Ö½âÊÍ·Å£¬²¢ÇÒÑáÑõ³ØÃ»ÓÐÕڹ⣬ÖÂʹ´óÁ¿µÄ½´ÓÍÉ«ËØÓÉÓÚÌ«Ñô¹âµÄ±©É¹¶øÖÂÉ«¶È¼ÓÉî¡£
ÑáÑõ³Ø³öË®×ǶȾ¹ý³õÆÚµÄ²¨¶¯Ö®ºó£¬»ù±¾¿ÉÒÔÎȶ¨ÔÚ100 NTU¡£
2. 2 ºÃÑõ¹¤¶Î
ºÃÑõ¹¤¶ÎÓÚ2010 Äê4 Ô¿ªÊ¼µ÷ÊÔ£¬½ÓÖÖÎÛÄàÈ¡×Ô¸½½üÊÐÕþÎÛË®³§µÄ¸É»¯ÎÛÄà¡£
ʵ¼ÊÔËÐÐÇé¿ö±íÃ÷£¬ÐèÒª½Ï³¤Ê±¼äµÄµ÷ÊÔÆÚ²ÅÄÜʹºÃÑõMBR µÄ´¦ÀíЧ¹ûÎȶ¨ÏÂÀ´¡£³öË®COD ÔÚǰ200 ÌìÄÚ²¨¶¯·¶Î§Îª150¡«360 mg/L£¬È¥³ýÂÊΪ28%¡«70%¡£ÆäÔÒò¿ÉÄÜÊÇ·ÏË®ÑζÈÓë°±µª¾ù½Ï¸ß£¬ÏµÍ³ÖÐ΢Éúγå»÷ÄÜÁ¦²î£¬ÐèÒª½Ï³¤µÄÎȶ¨ÆÚ¡£ÁíÍ⣬ϵͳµ÷ÊÔµ½160 Ììʱ£¬¹¤³ÌËùÔڵؽøÈ붬¼¾£¬Ë®Î½ϵ͵¼ÖÂϵͳÎÛÄàµÄÐÔÄܱä²î¡£Ëæ×Ÿ÷ÖÖÌõ¼þµÄÎȶ¨£¬»îÐÔÎÛÄà΢Éú̬ϵͳÈÕÒæÎȶ¨£¬CODÈ¥³ýÂÊÒ²Öð½¥Îȶ¨¡£ÔËÐе½230 Ììºó£¬³öË®COD Îȶ¨ÔÚ160 mg/L ×óÓÒ£¬´ËʱµÄBOD5½öΪ3£®4 mg/L£¬ËµÃ÷ʣϵÄCOD ¶àÊôÓÚÄÑÉúÎï½µ½â²¿·Ö¡£É«¶ÈµÄÈ¥³ýЧ¹ûÓëCOD ÏàËÆ£¬Í¬Ñù³öÏÖÁ˽ϴóµÄ²¨¶¯£¬ÔÚÔËÐÐ200 Ììºó£¬³öˮɫ¶È²ÅÖð½¥Îȶ¨ÔÚ100 ±¶×óÓÒ¡£
ºÃÑõ¹¤¶Î¶Ô°±µªµÄЧ¹û±È½ÏÀíÏ룬³öË®°±µª»ù±¾ÔÚ10 mg/L ÒÔÏ£¬ÆäÔÒò¿ÉÄÜÊÇMBR ÖÐÏõ»¯¾úÉú³¤Á¼ºÃ£¬ÒÔ¼°ºÃÑõ³ØµÚ3 ¸ñµÄ¼æÑõÇøÓнϺõÄÍѵªÐ§¹û¡£ÓëºÜ¶àÑо¿µÄ½áÂÛÒ»Ö£¬MBR ³öË®ÖÐ×ǶȻù±¾Äܱ£³ÖÔÚ1 NTU ÒÔÏ¡£°±µªºÍ×ǶȾù´ïµ½Á˹㶫ʡ¡¶Ë®ÎÛȾÎïÅÅ·ÅÏÞÖµ¡·(DB 44/26¡ª2001) µÄÒªÇó¡£
2. 3 »ìÄý³ÁµíÓëÑõ»¯ÍÑÉ«
Õë¶ÔMBR ³öË®ÖÐCOD ºÍÉ«¶È²»´ï±êµÄÎÊÌ⣬½øÒ»²½²ÉÓÃÁË»ìÄý³ÁµíºÍÑõ»¯ÍÑÉ«¹¤Ðò¡£
Ëæ×ÅPAC Ͷ¼ÓÁ¿µÄÔö¼Ó£¬³öË®COD ÏȽµºóÉý£¬¼ÓÒ©Á¿Ô¼Îª80 mg/L ʱ£¬³öË®COD Äܱ£³ÖÔÚ90 mg/L ÒÔÏ£¬³öˮɫ¶ÈԼΪ60 ±¶¡£
Ͷ¼Óº¬´ÎÂÈËáÄÆ13% µÄƯˮ¿ÉÒÔÃ÷ÏÔÈ¥³ý·ÏË®ÖеÄÉ«¶È£¬Í¶¼ÓÁ¿Ô½´ó£¬ÍÑɫЧ¹ûÔ½ºÃ¡£µ±Í¶¼ÓÁ¿£¾1 mL/L ʱ£¬³öˮɫ¶È»ù±¾µÍÓÚ40 ±¶£¬¿ÉÒÔ´ïµ½DB 44/26-2001µÄÒªÇ󡣡£
2. 4 Ö÷Òª¾¼ÃÖ¸±ê
¸ÄÔìºóй¤Òյĵç·ÑΪ0£®57 Ôª/m3¡¢Ò©¼Á·ÑΪ1£®9 Ôª/m3£¬¶øÔ¹¤ÒÕ²ÉÓÃSBR ·¨Ê±µç·ÑÓëÒ©¼Á·Ñ·Ö±ðΪ0£®85 Ôª/m3 ºÍ3£®2 Ôª/m3£¬Ð¹¤ÒÕµÄÔËÐзÑÓÃÃ÷ÏÔ½µµÍ¡£Èç¹û¿¼ÂÇĤÕÛ¾ÉÓëÈ˹¤·ÑÓã¬Ð¹¤ÒÕ´¦Àí¸ÃÆóÒµ½´ÓÍ·ÏË®µÄÔËÐгɱ¾»ù±¾¿ÉÒÔ¿ØÖÆÔÚ3£®0 Ôª/m3¡£ÁíÍ⣬й¤Òյıí¹ÛÎÛÄà²úÂÊ»ù±¾Ð¡ÓÚ0£®1 gMLSS/gCOD£¬±È´«Í³»îÐÔÎÛÄà·¨µÄÎÛÄà²úÂÊ(£¾0£®3 gMLSS/gCOD) µÍ£¬Ê£ÓàÎÛÄàÁ¿Ã÷ÏÔ½µµÍ£¬ÎÛÄà´¦Àí·ÑÓÃÒ²¼õÉÙ¡£
3 ½áÂÛ
¶Ôijµ÷ζƷ¹«Ë¾µÄ½´ÓÍ·ÏË®´¦Àí¹¤ÒÕ½øÐиÄÔ죬²ÉÓÃÑáÑõ/ºÃÑõMBR/»ìÄý³Áµí/Ñõ»¯ÍÑÉ«¹¤ÒÕ£¬Îȶ¨ÔËÐкó³öˮˮÖÊ·Ö±ðΪ: COD £¼90 mg/L¡¢°±µª£¼10 mg/L¡¢É«¶È£¼40 ±¶¡¢×Ƕȣ¼1 NTU£¬¸÷ÏîÖ¸±ê¾ù¿É´ïµ½¹ã¶«Ê¡¡¶Ë®ÎÛȾÎïÅÅ·ÅÏÞÖµ¡·(DB 44/26-2001) µÄÒªÇó¡£¾¼ÃÖ¸±ê·ÖÎö±íÃ÷£¬¸Ã¹¤ÒÕÔËÐзÑÓõͣ¬¿ÉÐÐÐÔÁ¼ºÃ¡£














